欢迎来到知嘟嘟! 联系电话:13336804447 卖家免费入驻,海量在线求购! 卖家免费入驻,海量在线求购!
知嘟嘟
我要发布
联系电话:13336804447
知嘟嘟经纪人
收藏
专利号: 2016107275860
申请人: 西南交通大学
专利类型:发明专利
专利状态:已下证
专利领域: 发电、变电或配电
更新日期:2024-01-05
缴费截止日期: 暂无
价格&联系人
年费信息
委托购买

摘要:

权利要求书:

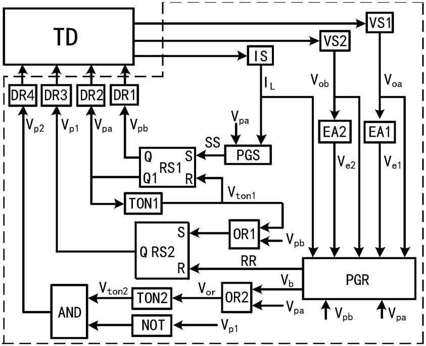
1.单电感双输出开关变换器变频控制方法,其特征在于:主开关管采用输出电压结合电感电流的变频控制,通过在每个开关周期内固定主开关管的关断时间实现电感电流的动态续流;在每个开关周期内,检测电感电流,得到信号IL,检测两条输出支路的输出电压得到信号Voa和Vob;将Voa和电压基准值Vref1送入到第一误差放大器EA1产生信号Ve1,将Vob和电压基准值Vref2送入到第二误差放大器EA2产生信号Ve2;将IL送入第一脉冲信号产生器PGS产生信号SS;将IL、Voa、Vob、Ve1和Ve2送入第二脉冲信号产生器PGR生成信号RR和Vb;将第一导通定时器TON1的输出信号Vton1和信号SS送入第一触发器RS1产生脉冲信号Vpa和Vpb,用以控制变换器支路开关管的导通和关断;将信号Vton1和信号Vpb经第一或门OR1产生的信号和信号RR送入第二触发器RS2产生脉冲信号Vp1,用以控制变换器主开关管的导通和关断;信号Vb和信号Vpa经过第二或门OR2产生信号Vor;信号Vor经第二导通定时器TON2产生信号Vton2;信号Vton2和信号Vp1经非门NOT产生的信号经过与门AND产生脉冲信号Vp2,用以变换器控制续流开关管的导通和关断。

2.根据权利要求1所述的单电感双输出开关变换器变频控制方法的控制装置,其特征在于:包括第一电压检测电路VS1、第二电压检测电路VS2、电流检测电路IS、第一误差放大器EA1、第二误差放大器EA2、第一脉冲信号产生器PGS、第二脉冲信号产生器PGR、第一触发器RS1、第二触发器RS2、第一或门OR1、第二或门OR2、第一导通定时器TON1、第二导通定时器TON2、非门NOT、与门AND、第一驱动电路DR1、第二驱动电路DR2、第三驱动电路DR3和第四驱动电路DR4;所述的第一电压检测电路VS1与第一误差放大器EA1相连,第二电压检测电路VS2与第二误差放大器EA2相连;电流检测电路IS及第一触发器的Q1端分别与第一脉冲信号产生器PGS相连;第一电压检测电路VS1、第二电压检测电路VS2、第一误差放大器EA1、第二误差放大器EA2、电流检测电路IS、第一触发器RS1的Q1端和Q端分别与第二脉冲信号产生器PGR相连;第一脉冲信号产生器PGS的SS端与第一触发器RS1的S端相连;第一触发器RS1的Q1端与第一导通定时器TON1相连;第一导通定时器TON1的输出端与第一触发器RS1的R端相连;第一导通定时器TON1的输出端、第一触发器RS1的Q端分别与第一或门OR1相连,第一或门OR1的输出端与第二触发器RS2的S端相连;第二脉冲信号产生器PGR的RR端与第二触发器RS2的R端相连;第二脉冲信号产生器PGR的Vb输出端及第一触发器RS1的Q1端分别与第二或门OR2相连;第二或门OR2的输出端与第二导通定时器TON2相连;第二触发器RS2的Q端和非门NOT相连;非门NOT及第二或门OR2的输出端分别和与门AND相连;第一触发器RS1的Q端连接第一驱动电路DR1,第一触发器RS1的Q1端连接第二驱动电路DR2,第二触发器RS2的Q端连接第三驱动电路DR3,与门AND的输出端连接第四驱动电路DR4。

3.根据权利要求2所述的单电感双输出开关变换器变频控制方法的控制装置,其特征在于:所述的第一脉冲信号产生器PGS包括乘法器MULT、采样保持器S/H和第一比较器CMP1;

将电流检测电路IS、第一触发器RS1的Q1端与乘法器MULT相连;电流检测电路IS与采样保持器S/H相连;乘法器MULT及采样保持器S/H的输出端分别与第一比较器CMP1相连。

4.根据权利要求2所述的单电感双输出开关变换器变频控制方法的控制装置,其特征在于:所述的第二脉冲信号产生器PGR包括第一加法器ADD1、第二加法器ADD2,第二比较器CMP2、第三比较器CMP3、第一与非门NAND1、第二与非门NAND2、第三与非门NAND3;第一电压检测电路VS1的输出端、电流检测电路IS的输出端分别与第一加法器ADD1连接,将第一电压检测电路VS1的输出信号Voa、电流检测电路IS的输出信号IL乘以系数k1后送入第一加法器ADD1;第二电压检测电路VS2的输出端与第二加法器ADD2连接,将第二电压检测电路VS2的输出信号Vob、信号IL乘以系数k2后送入第二加法器ADD2;第一误差放大器EA1、第一加法器ADD1的输出端与第二比较器CMP2相连,第二误差放大器EA2、第二加法器ADD2的输出端分别与第三比较器CMP3相连;第二比较器CMP2的输出端和第一触发器RS1的Q1端分别连接第一与非门NAND1;第三比较器CMP3的输出端和第一触发器RS1的Q端分别连接第二与非门NAND2;第一与非门NAND1、第二与非门NAND2分别与第三与非门NAND3相连。