欢迎来到知嘟嘟! 联系电话:13336804447 卖家免费入驻,海量在线求购! 卖家免费入驻,海量在线求购!
知嘟嘟
我要发布
联系电话:13336804447
知嘟嘟经纪人
收藏
专利号: 2015100709741
申请人: 西南交通大学
专利类型:发明专利
专利状态:已下证
专利领域: 发电、变电或配电
更新日期:2024-01-05
缴费截止日期: 暂无
价格&联系人
年费信息
委托购买

摘要:

权利要求书:

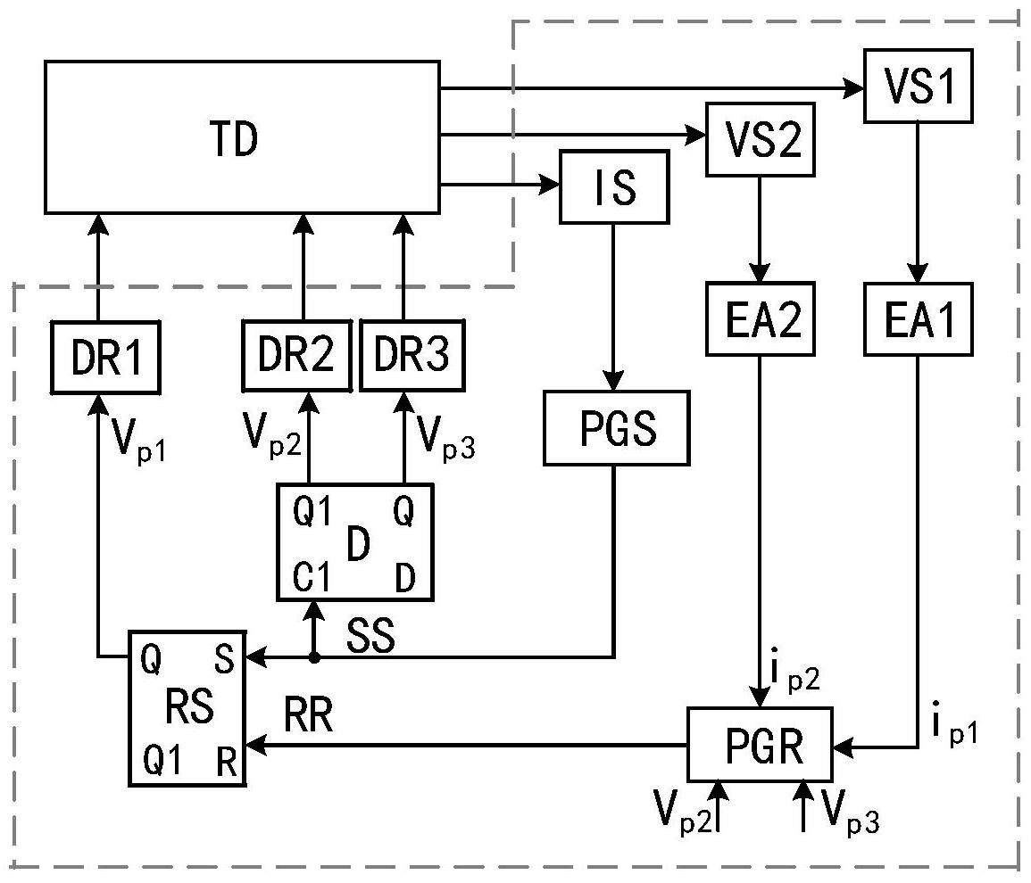
1.连续导电模式单电感双输出开关变换器变频控制方法,在独立充放式CCM单电感双输出开关变换器中,在每个开关周期内,检测电感电流,得到信号iL,检测两条输出支路的输出电压,得到信号Voa和Vob;将Voa和电压基准值Vref1送入到第一误差放大器EA1产生信号ip1,将Vob和电压基准值Vref2送入到第二误差放大器EA2产生信号ip2;将ip1和ip2送入第一脉冲信号产生器PGR生成信号RR,将iL送入到第二脉冲信号产生器PGS生成信号SS;信号RR和信号SS经过第一触发器RS产生脉冲信号Vp1,用以控制变换器主开关管的导通和关断;信号SS经过第二触发器D产生脉冲信号Vp2和Vp3,用以控制变换器支路开关管的导通和关断。

2.一种实现权利要求1所述的连续导电模式单电感双输出开关变换器变频控制方法的装置,其特征在于:由第一电压检测电路VS1、第二电压检测电路VS2、电流检测电路IS、第一误差放大器EA1、第二误差放大器EA2、第一脉冲信号产生器PGR、第二脉冲信号产生器PGS、第一触发器RS、第二触发器D、第一驱动电路DR1、第二驱动电路DR2和第三驱动电路DR3组成;所述的第一电压检测电路VS1与第一误差放大器EA1相连,第二电压检测电路VS2与第二误差放大器EA2相连;第一误差放大器EA1的输出端、第二误差放大器EA2的输出端和第二触发器D的Q1输出端、第二触发器D的Q输出端均连接至第一脉冲信号产生器PGR的输入端,PGR的输出端与第一触发器RS的R端相连;所述的电流检测电路IS与第二脉冲信号产生器PGS相连,第一触发器RS的S端和第二触发器D的C1端与PGS的输出端相连;第一触发器RS的Q输出端连接第一驱动电路DR1,第二触发器D的Q1输出端连接第二驱动电路DR2,第二触发器D的Q输出端连接第三驱动电路DR3。

3.根据权利要求2所述的装置,其特征在于:所述的第一脉冲信号产生器PGR的具体组成为:由比较器CMP1和比较器CMP2,与门AND1和与门AND2,以及或门OR组成;第一误差放大器EA1和电流检测电路IS连接在比较器CMP1的输入端,第二误差放大器EA2和电流检测电路IS连接在比较器CMP2的输入端;与门AND1的输入端接比较器CMP1的输出端和第二触发器D的Q1输出端,与门AND2的输入端接比较器CMP2的输出端和第二触发器D的Q输出端;或门OR的输入端接与门AND1和AND2的输出端。

4.根据权利要求2所述的装置,其特征在于:所述的第二脉冲信号产生器PGS的具体组成为:由比较器CMP3和电流控制器ICM组成;比较器CMP3的正极性端接电流控制器ICM的输出端,负极性端接电流检测电路IS的输出端。