欢迎来到知嘟嘟! 联系电话:13336804447 卖家免费入驻,海量在线求购! 卖家免费入驻,海量在线求购!
知嘟嘟
我要发布
联系电话:13336804447
知嘟嘟经纪人
收藏
专利号: 201810115183X
申请人: 西南交通大学
专利类型:发明专利
专利状态:已下证
专利领域: 发电、变电或配电
更新日期:2024-01-05
缴费截止日期: 暂无
价格&联系人
年费信息
委托购买

摘要:

权利要求书:

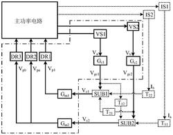
1.一种单电感双输出开关变换器的解耦补偿装置,其特征在于:包括第一解耦补偿网络T11、第二解耦补偿网络T21、第三解耦补偿网络T12、第四解耦补偿网络T22、第一减法器SUB1和第二减法器SUB2;第一电流检测电路IS1的输出端通过T11连接到SUB2的第一输入端,第二电流检测电路IS2的输出端通过T22连接到SUB1的第一输入端;控制环路第一补偿网络Gc1的输出端通过T12连接到SUB2的第二输入端,控制环路第二补偿网络Gc2的输出端通过T21连接到SUB1的第二输入端;Gc1的输出端还连接到SUB1的第三输入端,Gc2的输出端还连接到SUB2的第三输入端;SUB1的输出端连接到第一控制网络Gm1的输入端,SUB2的输出端连接到第二控制网络Gm2的输入端。

2.一种单电感双输出开关变换器的解耦补偿方法,其特征在于:在每个开关周期开始时刻,分别通过第一电流检测电路IS1和第二电流检测电路IS2检测所述单电感双输出开关变换器主功率电路的输出支路的负载电流,得到信号ia(s)和ib(s);并分别检测得到控制环路第一补偿网络Gc1和控制环路第二补偿网络Gc2的输出信号vgc1(s)和vgc2(s);将ia(s)送入第一解耦补偿网络T11得到信号vt11(s),将ib(s)送入第四解耦补偿网络T22得到信号vt22(s),将vgc1(s)送入到第三解耦补偿网络T12得到信号vt12(s),将vgc2(s)送入到第二解耦补偿网络T21得到信号vt21(s);将vgc1(s)、vt21(s)和vt22(s)送入第一减法器SUB1相减得到信号vc1(s),即vc1(s)=vgc1(s)-vt21(s)-vt22(s);将vgc2(s)、vt11(s)和vt12(s)送入第二减法器SUB2相减得到信号vc2(s),即vc2(s)=vgc2(s)-vt11(s)-vt12(s);将vc1(s)和vc2(s)分别送入第一控制网络Gm1和第二控制网络Gm2中,使所述单电感双输出开关变换器的主功率电路和控制电路均实现完全解耦。