欢迎来到知嘟嘟! 联系电话:13336804447 卖家免费入驻,海量在线求购! 卖家免费入驻,海量在线求购!
知嘟嘟
我要发布
联系电话:13336804447
知嘟嘟经纪人
收藏
专利号: 2022110607640
申请人: 陕西理工大学
专利类型:发明专利
专利状态:已下证
专利领域: 发电、变电或配电
更新日期:2024-02-22
缴费截止日期: 暂无
价格&联系人
年费信息
委托购买

摘要:

权利要求书:

1.一种本质安全型单电感多输出开关变换器的设计方法,其特征在于,具体按照以下步骤实施:

步骤1:确定SIDO Buck变换器的基本特性;

步骤1.1:计算SIDO Buck变换器的输出电压;

步骤1.2:计算SIDO Buck变换器的输出纹波电压;

步骤1.3:确定SIDO Buck变换器的工作区域;

步骤2:分析SIDO Buck变换器的输出短路能量,确定变换器的输出本质安全判据;

步骤3:SIDO Buck变换器的本质安全电感设计;

步骤4:SIDO Buck变换器的本质安全电容设计。

2.根据权利要求1的一种本质安全型单电感多输出开关变换器的设计方法,其特征在于,步骤1.1具体为:

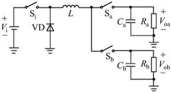
所述SIDO Buck变换器包括开关管Si、Sa、Sb,二极管VD,电感L,电容Ca、Cb以及负载电阻Ra、Rb,Di、Da、Db为开关管Si、Sa、Sb的占空比,并且满足:Di

当变换器工作于连续导电模式CCM时,根据时间平均等效电路方法,求得变换器中负载电阻Ra、Rb所在两支路输出电压分别为:式(1)中,Vi表示变换器输入电压;Voa表示支路a输出电压;Vob表示支路b输出电压。

3.根据权利要求2的一种本质安全型单电感多输出开关变换器的设计方法,其特征在于,步骤1.2具体为:

SIDO Buck变换器工作在CCM时,峰值电感电流ILP、转折电感电流ILT、谷值电感电流ILV计算如下:

式(2)中,Io表示平均电感电流,且 T表示开关周期;

当变换器工作于CCM与DCM的临界状态时,ILV在某一时刻正好为零,利用式(1)消去Di,可得临界电感LC为:

因此,当L>LC时,变换器工作在CCM;当L

将临界电感LC分别对Ra和Rb求偏导可得:因此,若变换器的临界负载RC>Rmin,RaC>Ramin,RbC>Rbmin,Rmin、RaC、Ramin、Rbmin分别表示最小负载、支路a临界负载、支路a最小负载和支路b最小负载,则当变换器的负载取Ra,min、Rb,min时,变换器必工作于CCM;

SIDO Buck变换器工作在CCM时负载电阻Ra、Rb所在两支路的输出纹波电压分别为:式(5)中,f表示开关频率;

因此,得到变换器负载电阻Ra、Rb所在的最大输出电压为:

4.根据权利要求3的一种本质安全型单电感多输出开关变换器的设计方法,其特征在于,步骤1.3具体为:

设SIDO Buck变换器的输入电压范围为Vi,min~Vi,max,两条支路的负载范围分别为:Ra,min~Ra,max和Rb,min~Rb,max,以Vi、Ra、Rb为坐标轴建立O‑ViRaRb空间直角坐标系,SIDO Buck变换器在该空间直角坐标系中的工作区域为立方体,立方体的顶点及其坐标分别为A(Rb,min,Ra,max,Vi,min)、B(Rb,max,Ra,max,Vi,min)、C(Rb,max,Ra,min,Vi,min)、D(Rb,min,Ra,min,Vi,min)、E(Rb,min,Ra,max,Vi,max)、F(Rb,max,Ra,max,Vi,max)、G(Rb,max,Ra,min,Vi,max)、H(Rb,min,Ra,min,Vi,max),根据式(3)和式(4)画出不同的LC曲线,其中D点和F点对应的临界电感LCD、LCF分别为:当电感L=LCD时,变换器全动态范围内均工作于DCM;当电感L=LCF时,变换器全动态范围内均工作于CCM。

5.根据权利要求4的一种本质安全型单电感多输出开关变换器的设计方法,其特征在于,步骤2具体为:

步骤2.1:变换器的峰值电感电流分析从式(1)中解得Di并代入式(2)中得到CCM时,SIDO Buck变换器的峰值电感电流ILP为:式(9)中,

将ILP分别对Vi、Ra和Rb求偏导得:为了兼顾输出纹波电压和本质安全输出两方面的要求,电感设计在LCD

步骤2.2:变换器的输出短路能量分析假设电路发生故障,负载电阻Ra、Rb所在两支路其中一支路短路,另一路正常工作,并且电路及时关断了故障支路的开关管,切断了故障支路与电路的连接,变换器的短路放电模型为单电容放电,此时变换器释放的最大短路能量为:在这种情况下,变换器释放的短路能量仅为故障支路电容释放的能量;

假设电路发生故障,负载电阻Ra、Rb所在两支路同时发生短路时,变换器的短路放电模型为单电感双电容放电,若主开关管Si及时关断,切断与电源的连接,则电感与电容释放的短路能量总和为:

因此变换器输出发生短路释放的最大短路能量为:Wmax=Wmax2          (14)将式(6)和式(11)代入式(13)中,得变换器最大输出短路能量为:式(15)中,

通常开关电源的高频输出纹波电压较小,因此式(15)近似为:由式(11)和式(16)可知,当Vi=Vi,max,Ra=Ra,min,Rb=Rb,min时,变换器的输出短路能量最大,并且输出短路能量随着电感和电容取值的增大而增大;

步骤2.3:确定变换器的输出本质安全判据SIDO Buck变换器的输出等效为容性电路,因此当变换器的输出电压分别为Voa、Vob,对应的滤波电容分别为CaB、CbB时,电路点燃气体的最小能量为:若变换器在其全动态工作范围内的最大输出短路能量小于WB,那么变换器是本质安全的,因此判断变换器输出本质安全的判据为:Wmax<WB    (18)

由于DCM时电路的传输能量比CCM小,因此,若CCM时变换器满足本质安全要求,则DCM也必满足本质安全要求。

6.根据权利要求2的一种本质安全型单电感多输出开关变换器的设计方法,其特征在于,步骤3具体为:

当Ra=Ra,min,Rb=Rb,min时,变换器必工作于CCM,为了使得峰值电感电流取得极大值,因此输入电压取Vi=Vi,max,因此满足本质安全条件的最小电感为:最大电感由本质安全条件决定,当电容Ca和Cb选定后,根据本质安全要求,电感的取值必须满足:

因此满足式(20)的电感Lmax就是满足本质安全条件的最大电感,综上分析,本质安全型SIDO Buck变换器电感L的取值范围为:L∈[Lmin,Lmax]    (21)。

7.根据权利要求6的一种本质安全型单电感多输出开关变换器的设计方法,其特征在于,步骤4具体为:

由式(5)可知,满足变换器输出纹波电压的电容Ca、Cb最小电容取值分别为:考虑到电路寄生参数对变换器输出纹波电压的影响,实际选取电容时要取裕量λ,λ=1~2,因此电容Ca、Cb实际选取电容的最小值Cmin分别为:当变换器输出短路即两条支路同时短路时,假设变换器释放的最大能量与点燃能量正好相等,即处于临界点燃状态,因此有:Wmax=WB           (24)即:

因此满足式(25)的Ca,max和Cb,max就是满足本质安全要求的最大电容,满足SIDO Buck变换器本质安全要求的电容取值范围为: