欢迎来到知嘟嘟! 联系电话:13336804447 卖家免费入驻,海量在线求购! 卖家免费入驻,海量在线求购!
知嘟嘟
我要发布
联系电话:13336804447
知嘟嘟经纪人
收藏
专利号: 2016107230484
申请人: 西南交通大学
专利类型:发明专利
专利状态:已下证
专利领域: 发电、变电或配电
更新日期:2024-01-05
缴费截止日期: 暂无
价格&联系人
年费信息
委托购买

摘要:

权利要求书:

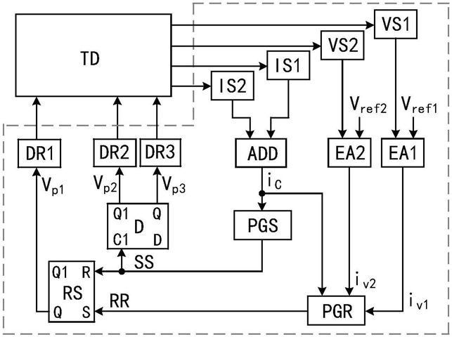
1.独立充放时序单电感双输出开关变换器变频控制方法,其特征在于:在每个开关周期内,检测两条输出支路的电容电流,得到信号ic1和ic2,检测两条输出支路的输出电压,得到信号Voa和Vob;将iC1和iC2送入到加法器ADD产生信号iC;将Voa和电压基准值Vref1送入到第一误差放大器EA1产生信号iv1,将Vob和电压基准值Vref2送入到第二误差放大器EA2产生信号iv2;将iC、iv1和iv2送入第一脉冲信号产生器PGR生成信号RR,将iC送入到第二脉冲信号产生器PGS生成信号SS;信号RR和信号SS经过第一触发器RS产生脉冲信号Vp1,用以控制变换器主开关管的导通和关断;信号SS经过第二触发器D产生脉冲信号Vp2和Vp3,用以控制变换器的两个支路开关管的导通和关断。

2.一种独立充放时序单电感双输出开关变换器变频控制装置,其特征在于:包括第一电流检测电路IS1、第二电流检测电路IS2、第一电压检测电路VS1、第二电压检测电路VS2、加法器ADD、第一误差放大器EA1、第二误差放大器EA2、第一脉冲产生器PGR、第二脉冲产生器PGS、第一触发器RS、第二触发器D、第一驱动电路DR1、第二驱动电路DR2和第三驱动电路DR3;所述的第一电流检测电路IS1、第二电流检测电路IS2与加法器ADD相连;加法器ADD与第二脉冲信号产生器PGS相连,第二脉冲信号产生器PGS与第一触发器RS的R端和第二触发器D的C1端相连;所述的第一电压检测电路VS1与第一误差放大器EA1相连,第二电压检测电路VS2与第二误差放大器EA2相连;第一误差放大器EA1、第二误差放大器EA2和加法器ADD均与第一脉冲信号产生器PGR相连,第一脉冲信号产生器PGR与第一触发器RS的S端相连;第一触发器RS的Q端连接第一驱动电路DR1,第二触发器D的Q1端连接第二驱动电路DR2,第二触发器D的Q端连接第三驱动电路DR3。

3.根据权利要求2所述的装置,其特征在于:所述的第一脉冲产生器PGR包括第一比较器CMP1和第二比较器CMP2,以及或门OR;第一误差放大器EA1的输出端和加法器ADD的输出端分别连接到第一比较器CMP1的输入端,第二误差放大器EA2的输出端和加法器ADD的输出端分别连接到第二比较器CMP2的输入端;比较器CMP1和CMP2的输出端分别连接到或门OR的输入端。