欢迎来到知嘟嘟! 联系电话:13336804447 卖家免费入驻,海量在线求购! 卖家免费入驻,海量在线求购!
知嘟嘟
我要发布
联系电话:13336804447
知嘟嘟经纪人
收藏
专利号: 2022106842987
申请人: 西南交通大学
专利类型:发明专利
专利状态:已下证
专利领域: 发电、变电或配电
更新日期:2024-01-05
缴费截止日期: 暂无
价格&联系人
年费信息
委托购买

摘要:

权利要求书:

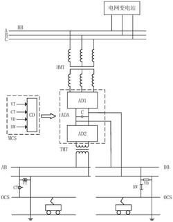
1.一种交直流牵引供电构造,包括牵引变电所内的三相高压母线HB、三相高压匹配变压器HMT、交直交变流器ADA、测控系统MCS,其中测控系统MCS中控制器CD的信号输入端分别与电压互感器VT、电流互感器CT、电压变送器VD、分流器RW的测量信号输出端相连,控制器CD的信号输出端与交直交变流器ADA的控制端相连;三相高压匹配变压器HMT的原边与三相高压母线HB相连;电压互感器VT的原边并接于交流母线AB之间,电流互感器CT串接于交流母线AB与牵引母线OCS之间,构成交流牵引供电系统;电压变送器VD并接于直流母线DB之间,分流器RW串接于直流母线DB与牵引母线OCS之间,构成直流牵引供电系统;其特征在于:所述交直交变流器ADA包括三相变流器AD1和单相变流器AD2,三相变流器AD1的交流侧与三相高压匹配变压器HMT的次边相连,三相变流器AD1直流侧经直流稳压电容C后与单相变流器AD2的交流侧相连,直流母线DB并接于直流稳压电容C两端,单相变流器AD2交流侧与牵引匹配变压器TMT原边相连,牵引匹配变压器TMT次边与交流母线AB相连。

2.根据权利要求1所述的一种交直流牵引供电构造,其特征在于:所述交流牵引供电系统中,若牵引网供电方式为直接供电方式或者带回流线的直供方式,所述交流母线AB的一端接至接触网OCS,另一端接至钢轨并接地;若牵引网供电方式为AT供电方式,所述交流母线AB的一端接至接触网OCS,另一端接至负馈线;直流牵引供电系统中直流电压可控,再生能量能够反馈给直流供电系统。

3.根据权利要求1所述的一种交直流牵引供电构造,其特征在于:所述交直交变流器ADA采用三相‑单相组合式变流器,三相‑单相组合式变流器经三相高压匹配变压器HMT直接接入三相电网,通过整流逆变实现交直流供电。

4.一种权利要求1所述的交直流牵引供电构造的控制方法,其特征在于:所述交流牵引供电系统和直流牵引供电系统存在列车时,通过测控系统MCS计算出交流负荷功率SL1和直流负荷功率SL2,判断交流负荷和直流负荷运行工况以及交流负荷功率SL1和直流负荷功率SL2之间的大小关系,从而控制三相变流器AD1和单相变流器AD2的运行工况,实现交流、直流适时均衡供电,从而提高再生电能利用率,实现高效节能,具体方案如下:(1)当仅存在交流负荷时,若交流负荷处于牵引工况,则三相变流器AD1工作于整流工况,单相变流器AD2工作于逆变工况,牵引负荷通过交直交变流器ADA从电网取能;若交流负荷处于再生制动工况,三相变流器AD1工作于逆变工况,单相变流器AD2工作于整流工况,再生制动能量通过交直交变流器ADA反馈回电网;

(2)当仅存在直流负荷时,若直流负荷处于牵引工况,则三相变流器AD1工作于整流工况,单相变流器AD2停运,牵引负荷通过三相变流器AD1从电网取能;若直流负荷处于再生制动工况,三相变流器AD1工作于逆变工况,单相变流器AD2停运,再生制动能量通过三相变流器AD1反馈回电网;

(3)当交流负荷和直流负荷均处于牵引工况时,三相变流器AD1工作于整流工况,单相变流器AD2工作于逆变工况,牵引负荷通过交直交变流器ADA从电网取能;

(4)当交流负荷处于牵引工况,直流负荷处于再生制动工况时:

若SL1>SL2,直流负荷产生的再生制动能量通过单相变流器AD2传送给交流负荷使用,同时交流负荷从电网取能,此时三相变流器AD1工作于整流工况,单相变流器AD2工作于逆变工况;

若SL1=SL2,直流负荷产生的再生制动能量通过单相变流器AD2传送给交流负荷使用,此时三相变流器AD1停运,单相变流器AD2工作于逆变工况;

若SL1<SL2,直流负荷产生的再生制动能量通过单相变流器AD2传送给交流负荷使用,同时通过三相变流器AD1将多余再生制动能量反馈回电网,此时三相变流器AD1和单相变流器AD2均工作于逆变工况;

(5)当交流负荷处于再生制动工况,直流负荷处于牵引工况时:

若SL1>SL2,交流负荷产生的再生制动能量通过单相变流器AD2传送给直流负荷使用,同时通过三相变流器AD1将多余再生制动能量反馈回电网,此时三相变流器AD1工作于逆变工况,单相变流器AD2工作于整流工况;

若SL1=SL2,交流负荷产生的再生制动能量通过单相变流器AD2传送给直流负荷使用,直流负荷不再从电网取能,此时三相变流器AD1停运,单相变流器AD2工作于整流工况;

若SL1<SL2,交流负荷产生的再生制动能量通过单相变流器AD2传送给直流负荷使用,同时直流负荷从电网取能,此时三相变流器AD1和单相变流器AD2均工作于整流工况;

(6)当交流负荷和直流负荷均处于再生制动工况时,三相变流器AD1工作于逆变工况,单相变流器AD2工作于整流工况,再生制动能量通过交直交变流器ADA反馈回电网。