欢迎来到知嘟嘟! 联系电话:13336804447 卖家免费入驻,海量在线求购! 卖家免费入驻,海量在线求购!
知嘟嘟
我要发布
联系电话:13336804447
知嘟嘟经纪人
收藏
专利号: 202210440695X
申请人: 西南交通大学
专利类型:发明专利
专利状态:已下证
专利领域: 一般车辆
更新日期:2024-01-05
缴费截止日期: 暂无
价格&联系人
年费信息
委托购买

摘要:

权利要求书:

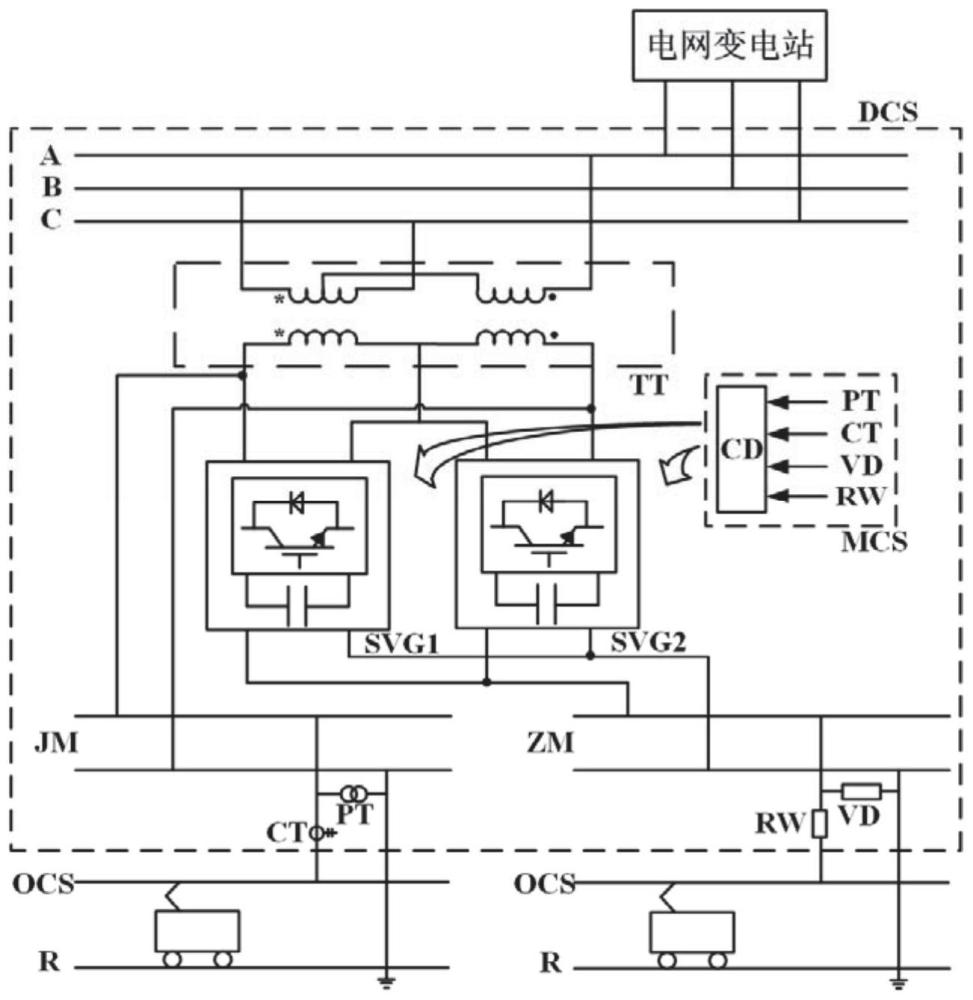
1.一种电气化铁路交直流牵引供电构造,包括牵引变电所DCS内的三相高压母线、牵引变压器TT、测控系统MCS、静止无功发生器SVG1和静止无功发生器SVG2,其特征在于:所述牵引变压器TT为双绕组三抽头结构,原边第二绕组的一个抽头连接在第一绕组的中点,两个绕组的三个抽头与三相高压母线连接;次边的两个绕组中相邻的两个抽头互联,另外两个抽头分别与交流母线JM连接,次边两个绕组引出的电压相位差为90°;静止无功发生器SVG1、静止无功发生器SVG2的交流侧分别与牵引变压器TT次边的两个绕组并联,直流侧与直流母线ZM连接;交流母线JM一端串联电流互感器CT后与接触网OCS连接,另一端并联电压互感器PT与钢轨相连并接地;直流母线ZM一端串联分流器RW后与接触网OCS连接,另一端并联电压变送器VD与钢轨相连并接地;所述测控系统MCS中,电压互感器PT、电流互感器CT、电压变送器VD、分流器RW的输出端均与控制器CD的输入端连接,控制器CD的输出端连接至静止无功发生器SVG1、静止无功发生器SVG2的控制端。

2.根据权利要求1所述的一种电气化铁路交直流牵引供电构造,其特征在于:所述静止无功发生器SVG1、静止无功发生器SVG2能够同时为采用交流制式或直流制式的列车提供运行功率,构成在同一个牵引变电所内的交流牵引供电系统和直流牵引供电系统并存的牵引供电构造。

3.根据权利要求1所述的一种电气化铁路交直流牵引供电构造,其特征在于:当处于交流牵引供电系统中时,若牵引网的供电方式为直接供电方式或带回流线的直接供电方式,所述交流母线JM的一端连接至接触网OCS,另一端与钢轨相连并接地;若牵引网的供电方式为AT供电方式,所述交流母线JM的一端连接至接触网OCS,另一端与负馈线F相连。

4.根据权利要求1所述的一种电气化铁路交直流牵引供电构造,其特征在于:所述测控系统MCS包括电压互感器PT、电流互感器CT、电压变送器VD、分流器RW和控制器CD。

5.根据权利要求1所述的一种电气化铁路交直流牵引供电构造,其特征在于:所述的静止无功发生器SVG1、静止无功发生器SVG2分别与牵引变压器TT次边电压相位差为90°的两相绕组并联,静止无功发生器SVG1和静止无功发生器SVG2分别供给直流母线负荷功率的二分之一,且只对交流负荷产生的负序功率进行补偿。

6.一种根据权利要求1所述的电气化铁路交直流牵引供电构造的控制方法,其特征在于:所述测控系统MCS通过测量交流母线JM、直流母线ZM所得到的电压、电流参数,计算出交流母线负荷功率SL1、直流母线负荷功率SL2,得到交流母线负序功率 设定三相高压母线的负序功率允许量为Sε,若 则对负序功率进行补偿。

7.根据权利要求6所述的一种电气化铁路交直流牵引供电构造的控制方法,其特征在于:所述测控系统MCS监测到直流牵引供电系统和交流牵引供电系统均存在运行列车时,若交流母线负荷功率处于牵引工况,直流母线负荷功率处于再生工况,或者,交流母线负荷功率处于再生工况,直流母线负荷功率处于牵引工况,处于再生工况的运行列车能够将再生工况产生的电能传输给另一牵引供电系统中处于牵引工况的运行列车,实现交流牵引供电系统、直流牵引供电系统再生能量的相互利用;具体如下:(1)当处于牵引工况的交流母线负荷功率小于处于再生工况的直流母线负荷功率,或者,处于牵引工况的直流母线负荷功率小于处于再生工况的交流母线负荷功率时,测控系统MCS控制静止无功发生器SVG1、静止无功发生器SVG2同时导通,再生功率有一部分通过静止无功发生器SVG1、静止无功发生器SVG2和牵引变压器TT被导入处于牵引工况的运行列车,得以有效利用,剩余部分的再生功率通过牵引变压器TT回馈至三相高压母线;

(2)当处于牵引工况的交流母线负荷功率大于等于处于再生工况的直流母线负荷功率,或者,处于牵引工况的直流母线负荷功率大于等于处于再生工况的交流母线负荷功率时,测控系统MCS控制静止无功发生器SVG1、静止无功发生器SVG2同时导通,由处于再生工况的运行列车产生的这部分再生功率通过静止无功发生器SVG1、静止无功发生器SVG2和牵引变压器TT被优先导入处于牵引工况的运行列车,得以有效利用;

若交流母线负荷功率处于牵引工况,交流牵引供电系统中牵引功率不足的部分由牵引变压器TT导入交流牵引供电系统中补充供给处于牵引工况的运行列车;

若直流母线负荷功率处于牵引工况,直流牵引供电系统中牵引功率不足的部分由牵引变压器TT、静止无功发生器SVG1及静止无功发生器SVG2导入直流牵引供电系统中补充供给处于牵引工况的运行列车。