欢迎来到知嘟嘟! 联系电话:13336804447 卖家免费入驻,海量在线求购! 卖家免费入驻,海量在线求购!
知嘟嘟
我要发布
联系电话:13336804447
知嘟嘟经纪人
收藏
专利号: 2021113722576
申请人: 西南交通大学
专利类型:发明专利
专利状态:已下证
专利领域: 一般车辆
更新日期:2024-01-05
缴费截止日期: 暂无
价格&联系人
年费信息
委托购买

摘要:

权利要求书:

1.一种动车供电传动系统,通过地面牵引供电系统供电,其特征在于:所述动车供电传动系统包括三相供电传动模式和单相供电传动模式,当所述地面牵引供电系统为三相供电制式时,所述动车供电传动系统运行于三相供电传动模式,当所述地面牵引供电系统为单相供电制式时,所述动车供电传动系统运行于单相供电传动模式。

2.根据权利要求1所述的一种动车供电传动系统,其特征在于:还包括测控器CTL,当所述测控器CTL检测到地面牵引供电系统为三相供电制式时,所述测控器CTL控制所述动车供电传动系统运行于三相供电传动模式,当所述测控器CTL检测到地面牵引供电系统为单相供电制式时,所述测控器CTL控制所述动车供电传动系统运行于单相供电传动模式。

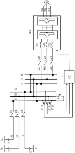
3.根据权利要求2所述的一种动车供电传动系统,其特征在于,包括与牵引电机M1电连接的交直交牵引变流器TDS1和切换供电传动模式的转换开关K,还包括分别检测三相供电母线中不同两相之间电压的电压互感器PTAB、电压互感器PTBC和电压互感器PTCA,所述电压互感器PTAB、电压互感器PTBC和电压互感器PTCA输出端与所述测控器CTL的测量端连接,所述测控器CTL的输出端与所述交直交牵引变流器TDS1的控制端和转换开关K的控制端连接。

4.根据权利要求3所述的一种动车供电传动系统,其特征在于:还包括集电器CA、集电器CB、集电器CC,集电电缆LA0、集电电缆LB0、集电电缆LC0,集电开关KLA、集电开关KLB、集电开关KLC,供电母线MA、供电母线MB、供电母线MC,供电电缆LA、供电电缆LB、供电电缆LC,馈出开关KQA1、馈出开关KQB1、馈出开关KQC1,馈出电缆LNA1、馈出电缆LNB1、馈出电缆LNC1,及其出线电缆MA1、出线电缆MB1、出线电缆MC1,以及牵引电机M1,其中:所述集电器CA、集电器CB、集电器CC的接触端与地面牵引供电系统连接,集电器CA、集电器CB、集电器CC的接线端分别与集电电缆LA0、集电电缆LB0、集电电缆LC0的首端连接,集电电缆LA0、集电电缆LB0、集电电缆LC0的末端分别通过集电开关KLA、集电开关KLB、集电开关KLC与供电母线MA、供电母线MB、 供电母线MC连接,供电母线MA、供电母线MB、 供电母线MC还分别与供电电缆LA、供电电缆LB、供电电缆LC连接,馈出电缆LNA1、馈出电缆LNB1、馈出电缆LNC1的首端分别通过馈出开关KQA1、馈出开关KQB1、馈出开关KQC1与供电电缆LA、供电电缆LB、供电电缆LC连接,馈出电缆LNA1、馈出电缆LNB1、馈出电缆LNC1的末端与交直交牵引变流器TDS1的输入端连接,所述交直交牵引变流器TDS1的输出端经过出线电缆MA1、出线电缆MB1、出线电缆MC1与牵引电机M1连接;

所述转换开关K并联在所述供电母线MA与供电母线MB之间,所述电压互感器PTAB设置于所述供电母线MA、供电母线MB之间,所述电压互感器PTBC设置于所述供电母线MB、 供电母线MC之间,所述电压互感器PTCA设置于所述供电母线MC、供电母线MA之间。

5.根据权利要求4所述的一种动车供电传动系统,其特征在于:所述地面牵引供电系统设置有供电机构TA和供电机构TB,所述集电器CA、集电器CB的接触端分别与地面牵引供电系统的供电机构TA和供电机构TB接触受电,集电器CC的接触端与钢轨R接触受电。

6.根据权利要求4所述的一种动车供电传动系统,其特征在于:包括n组交直交牵引变流器和n个牵引电机,n组交直交牵引变流器记为交直交牵引变流器TDS1、交直交牵引变流器TDS2、…、交直交牵引变流器TDSi、…、交直交牵引变流器TDSn;n个牵引电机记为牵引电机M1、牵引电机M2、…、牵引电机Mi、…、牵引电机Mn;其中,供电电缆LA、供电电缆LB、供电电缆LC分别通过馈出开关KQAi、馈出开关KQBi、馈出开关KQCi与馈出电缆LNAi、馈出电缆LNBi、馈出电缆LNCi的首端连接,馈出电缆LNAi、馈出电缆LNBi、馈出电缆LNCi的末端与交直交牵引变流器TDSi的输入端连接,交直交牵引变流器TDSi的输出端通过出线电缆MAi、出线电缆MBi、出线电缆MCi与牵引电机Mi连接,i=1,2,...,n。

7.一种权利要求3、4、6任意一项所述动车供电传动系统的控制方法,其特征在于:包括:

步骤A:测控器CTL判断地面牵引供电系统的供电制式为三相供电制式还是为单相供电制式,如果牵引供电系统的供电制式为三相供电制式,进行步骤B,如果牵引供电系统的供电制式为单相供电制式,进行步骤C;

步骤B:测控器CTL控制动车供电传动系统运行于三相供电传动模式;

步骤C:测控器CTL控制动车供电传动系统运行于单相供电传动模式。

8.根据权利要求7所述的一种动车供电传动系统的控制方法,其特征在于:所述步骤A进一步为:所述动车供电传动系统的测控器CTL分别获得所述电压互感器PTAB、电压互感器PTBC和电压互感器PTCA测量的电压值,如果电压互感器PTAB、电压互感器PTBC、电压互感器PTCA测量的电压值相等,则判定地面牵引供电系统的供电制式为三相供电制式,然后进行步骤B;如果电压互感器PTAB、电压互感器PTBC、电压互感器PTCA测量的三个电压值中有两个电压值相加等于第三个电压值,则判定地面牵引供电系统的供电制式为单相供电制式,然后进行步骤C。

9.根据权利要求8所述的一种动车供电传动系统的控制方法,其特征在于:所述动车供电传动系统包括切换供电传动模式的转换开关K,所述步骤B进一步为:所述测控器CTL控制转换开关K断开,控制动车供电传动系统中的交直交牵引变流器TDS1输入端按三相整流电路运行;所述步骤C进一步为:所述测控器CTL控制转换开关K闭合,控制交直交牵引变流器TDS1输入端按单相整流电路运行。

10.一种用于权利要求3、4、6任意一项所述动车供电传动系统的交直交牵引变流器,其特征在于:包括输入端电感INA1、电感INB1、电感INC1,输入端功率管桥臂LBA1、功率管桥臂LBB1、功率管桥臂LBC1,母线电容BUSC1,输出端功率管桥臂MBA1、功率管桥臂MBB1、功率管桥臂MBC1;输入端功率管桥臂LBA1、功率管桥臂LBB1、功率管桥臂LBC1,母线电容BUSC1,输出端功率管桥臂MBA1、功率管桥臂MBB1、功率管桥臂MBC1并接在正极直流母线BUS+和负极直流母线BUS‑之间;输入端电感INA1、电感INB1、电感INC1的一端作为交直交牵引变流器输入端,另一端分别与输入端功率管桥臂LBA1、功率管桥臂LBB1、功率管桥臂LBC1连接,从输出端功率管桥臂MBA1、功率管桥臂MBB1、功率管桥臂MBC1引出的三相输出端通过出线电缆MA1、出线电缆MB1、出线电缆MC1与牵引电机M1输入端连接。

11.根据权利要求10所述的一种交直交牵引变流器,其特征在于:所述动车供电传动系统内所有的器件和电缆按照额定电压Ue=3000V进行绝缘设计,交直交牵引变流器的正极直流母线BUS+和负极直流母线BUS‑之间直流电压额定值在小于功率管桥臂直流耐受电压并预留足够的安全裕度的前提下取最高值。

12.根据权利要求10所述的一种交直交牵引变流器, 其特征在于:所述交直交牵引变流器TDS1的输入端功率管桥臂LBA1、功率管桥臂LBB1、功率管桥臂LBC1和输出端功率管桥臂MBA1、功率管桥臂MBB1、功率管桥臂MBC1均为I型三电平电路。

13.根据权利要求10所述的一种交直交牵引变流器,其特征在于:三相供电传动模式下的供电容量和单相供电传动模式下的供电容量相等,动车供电传动系统中的供电电缆LA的额定电流为I,供电电缆LB的额定电流为I,供电电缆LC额定电流为1.732I,所述交直交牵引变流器TDS1的输入端功率管桥臂LBC1的额定电流=1.732倍功率管桥臂LBA1的额定电流=

1.732倍功率管桥臂LBB1 的额定电流。

14.一种权利要求3、4、6任意一项所述动车供电传动系统的交直交牵引变流器的控制方法,其特征在于:交直交牵引变流器额定电压记为Ue,牵引电机额定功率记为Pe,牵引工况下,所述方法包括:

当交直交牵引变流器的输入端电压在0.8Ue~1.1Ue之间,交直交牵引变流器控制牵引电机输出额定功率Pe;

当交直交牵引变流器的输入端电压在0.8Ue~0.7Ue之间,交直交牵引变流器控制牵引电机输出功率从Pe直线下降至0.8Pe;

当交直交牵引变流器的输入端电压在0.7Ue~0.6Ue之间,交直交牵引变流器控制牵引电机输出功率从0.8Pe直线下降至0;

当交直交牵引变流器的输入端电压在1.1Ue~1.15Ue之间,交直交牵引变流器控制牵引电机输出功率从Pe直线下降至0;

其中,地面牵引供电系统设计时,应满足交直交牵引变流器TDS1输入端的最小电压值不小于0.6Ue的1.1倍,最大电压值不大于1.2Ue的0.9倍。

15.根据权利要求14所述的控制方法,其特征在于:再生工况下,所述控制方法包括:当交直交牵引变流器的输入端电压在0.8Ue~1.1Ue之间,交直交牵引变流器控制牵引电机再生功率为Pe;

当交直交牵引变流器的输入端电压在0.8Ue~0.7Ue之间,交直交牵引变流器控制牵引电机再生功率从Pe直线下降至0.8Pe;

当交直交牵引变流器的输入端电压在0.7Ue~0.6Ue之间,交直交牵引变流器控制牵引电机再生功率从0.8Pe直线下降至0;

当交直交牵引变流器的输入端电压在1.1Ue~1.2Ue之间,交直交牵引变流器控制牵引电机再生功率从Pe直线下降至0。