欢迎来到知嘟嘟! 联系电话:13336804447 卖家免费入驻,海量在线求购! 卖家免费入驻,海量在线求购!
知嘟嘟
我要发布
联系电话:13336804447
知嘟嘟经纪人
收藏
专利号: 2020226316853
申请人: 浙江工业大学
专利类型:实用新型
专利状态:已下证
专利领域: 一般车辆
更新日期:2023-08-24
缴费截止日期: 暂无
价格&联系人
年费信息
委托购买

摘要:

权利要求书:

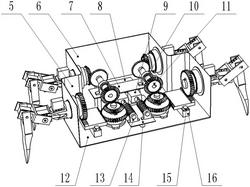
1.一种水陆两栖机器人,其特征在于:包括机器人外壳、腿机构(4)、齿轮传动装置(11)和内部基座,所述齿轮传动装置(11)和内部基座设置在机器人外壳内部,腿机构(4)包括分布在机器人外壳两侧的四条行走腿,四条行走腿分别为两条前侧腿和两条后侧腿,齿轮传动装置(11)连接腿机构(4)的四条行走腿并驱动四条行走腿的运动;

所述机器人外壳包括前侧板(2)、后侧板(6)、左侧板(3)、右侧板(5)、上底板(1)和下底板(12),前侧板(2)、后侧板(6)、左侧板(3)、右侧板(5)、上底板(1)和下底板(12)共同构成密封的机器人外壳;

所述内部基座包括第一中间板(7)、第二中间板(14)和控制板(8),第一中间板(7)和第二中间板(14)固定在下底板(12)上;所述控制板(8)固定在下底板(12)上;

所述齿轮传动装置(11)包括电机(9)、第一轴承座(10)、第二轴承座(13)、第一直齿轮(35)、第二直齿轮(32)、第一锥齿轮、第二锥齿轮(30)、第三锥齿轮(28)、第四锥齿轮(27)、蜗杆(33)、齿条块(36)、竖向轴(31)、横向轴(29)、导轨(15)、导轨座(16)和第三轴承座(34),所述第一轴承座(10)固定在第一中间板(7)上,电机(9)和第二轴承座(13)均固定在第二中间板(14)上;所述蜗杆(33)水平设置且蜗杆(33)通过第二轴承座(13)支撑在第二中间板(14)上,电机(9)连接所述蜗杆(33)的一端并驱动所述蜗杆(33)转动;所述竖向轴(31)通过第三轴承座(34)竖直安装在第二中间板(14)上,第一锥齿轮和第一直齿轮(35)从上至下依次固定在所述竖向轴(31)上,所述蜗杆(33)与第一直齿轮(35)啮合;所述横向轴(29)通过第一轴承座(10)支撑在第一中间板(7)上,第三锥齿轮(28)和第二锥齿轮(30)分别固定在所述横向轴(29)的两端,所述第二锥齿轮(30)与所述第一锥齿轮啮合,所述第三锥齿轮(28)与所述第四锥齿轮(27)啮合;所述导轨(15)通过导轨座(16)固定在所述下底板(12)上,齿条块(36)底部设置有与所述导轨(15)相配合的导向槽,齿条块(36)套装在所述导轨(15)上,所述齿条块(36)的侧面设置有侧齿,齿条块(36)的顶面设置有顶齿,齿条块(36)的侧齿与第一直齿轮(35)啮合,齿条块(36)的顶齿与第二直齿轮(32)啮合;

所述齿轮传动装置(11)设置有左右对称设置的一对,两个齿轮传动装置(11)的第二直齿轮(32)分别固定在两条前侧腿的旋转轴(22)上,两个齿轮传动装置(11)的第四锥齿轮(27)分别固定在两条后侧腿的旋转轴(22)上;

所述腿机构(4)的四条行走腿的结构完全相同,所述行走腿包括支撑脚(17)、上下舵机支架(23)、前后舵机支架(24)、旋转轴(22)、腿部轴承座(21)、腿部轴承(25)、腿部连接键(26)、第一舵机(18)、第二舵机(19)和第三舵机(20),所述上下舵机支架(23)的一端与所述支撑脚(17)通过第一铰接轴铰接且第一铰接轴固定在支撑脚(17)上,所述第一舵机(18)固定在上下舵机支架(23)上且第一舵机(18)的输出轴连接第一铰接轴;所述上下舵机支架(23)的另一端与前后舵机支架(24)的一端通过第二铰接轴铰接且第二铰接轴固定在上下舵机支架(23)上,所述第二舵机(19)固定在前后舵机支架(24)上且第二舵机(19)的输出轴连接第二铰接轴;所述前后舵机支架(24)的另一端与旋转轴(22)的一端通过第三铰接轴铰接且第三铰接轴固定在前后舵机支架(24)上,所述第三舵机(20)固定在旋转轴(22)上且第三舵机(20)的输出轴连接第三铰接轴;所述旋转轴(22)上套装有腿部轴承座(21),腿部轴承座(21)和旋转轴(22)通过腿部轴承(25)连接,所述腿部轴承座(21)的外侧固定在机器人外壳上;旋转轴(22)的端部设置有用于连接齿轮传动装置(11)的腿部连接键(26)。

2.根据权利要求1所述的一种水陆两栖机器人,其特征在于:所述上底板(1)和下底板(12)的结构完全相同,上底板(1)和下底板(12)平行设置,前侧板(2)的上下两端分别固定在上底板(1)和下底板(12)的前侧,后侧板(6)的上下两端分别固定在上底板(1)和下底板(12)的后侧,左侧板(3)的上下两端分别固定在上底板(1)和下底板(12)的左侧,右侧板(5)的上下两端分别固定在上底板(1)和下底板(12)的右侧;所述前侧板(2)、后侧板(6)、左侧板(3)、右侧板(5)均垂直于上底板(1)和下底板(12)安装。

3.根据权利要求1所述的一种水陆两栖机器人,其特征在于:所述左侧板(3)和右侧板(5)均呈阶梯状,呈阶梯状的左侧板(3)和右侧板(5)具有两个相互平行的侧板,左侧板(3)和右侧板(5)的两块平行的侧板上均设置有一个轴承座固定孔,四条行走腿的腿部轴承座(21)分别固定在左侧板(3)和右侧板(5)的轴承座固定孔内。

4.根据权利要求1所述的一种水陆两栖机器人,其特征在于:所述第一中间板(7)和第二中间板(14)均通过底部均匀布置的铜柱固定在下底板(12)上,第一中间板(7)和第二中间板(14)通过螺栓固定在铜柱上。

5.根据权利要求1所述的一种水陆两栖机器人,其特征在于:第一中间板(7)呈长方形状,第一中间板(7)底部的铜柱有四根;所述第二中间板(14)呈T型,第二中间板(14)底部的铜柱有三根。

6.根据权利要求1所述的一种水陆两栖机器人,其特征在于:所述第一舵机(18)与第二舵机(19)的轴线相互平行,第三舵机(20)的轴线同时垂直于第一舵机(18)和第二舵机(19)的轴线。

7.根据权利要求1所述的一种水陆两栖机器人,其特征在于:所述齿轮传动装置(11)上的蜗杆(33)与第一直齿轮(35)的啮合点、第一直齿轮(35)与齿条块(36)的啮合点以及齿条块(36)与第二直齿轮(32)的啮合点均在同一平面上;所述齿轮传动装置(11)上的横向轴(29)的轴线同时垂直于竖向轴(31)的轴线和腿机构(4)上的旋转轴(22)的轴线;所述齿轮传动装置(11)上的第二直齿轮(32)、第二锥齿轮(30)、第三锥齿轮(28)以及第四锥齿轮(27)的轴线在同一平面内。

我要求购
我不想找了,帮我找吧
您有专利需要变现?
我要出售
智能匹配需求,快速出售