欢迎来到知嘟嘟! 联系电话:13336804447 卖家免费入驻,海量在线求购! 卖家免费入驻,海量在线求购!
知嘟嘟
我要发布
联系电话:13336804447
知嘟嘟经纪人
收藏
专利号: 2017114582196
申请人: 广州祈阳科技有限公司
专利类型:发明专利
专利状态:已下证
专利领域: 发电、变电或配电
更新日期:2025-12-11
缴费截止日期: 暂无
价格&联系人
年费信息
委托购买

摘要:

权利要求书:

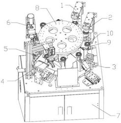
1.一种马达转子理线机,包括机架和设在机架上的转盘,在转盘的四周均匀的分布有多个治具,其特征在于:在所述机架上沿着所述转盘的旋转方向依次设有转子给料机械手

1、扭线压紧装置、用于剪断多余转子绕线的单剪装置、用于同时剪断多条绕线头的宽剪装置、理线装置和转子收料机械手;

所述扭线压紧装置包括用于将马达转子稳压在所述治具上的压紧组件和用于夹住转子绕线进行拧紧的扭线组件;

所述压紧组件包括压紧底座、压紧气缸、压紧横板和压紧头,所述扭线组件包括扭线底座、扭线动力组件和扭线夹持气缸,所述压紧气缸的固定端通过所述压紧底座固定在所述机架上,所述压紧头通过所述压紧横板固定在所述压紧气缸的工作端上,所述扭线夹持气缸通过所述扭线动力组件固定在所述扭线底座上。

2.根据权利要求1中所述的马达转子理线机,其特征在于:所述压紧横板的头端设有多个弹性导柱,所述弹性导柱的下端固定所述压紧头。

3.根据权利要求1中所述的马达转子理线机,其特征在于:所述单剪装置包括单剪平移气缸、单剪升降气缸和设在所述单剪升降气缸工作端上的单剪夹持气缸和单剪动力组件;

所述单剪平移气缸的固定端通过单剪底座固定在所述机架上,所述单剪升降气缸的固定端设在所述单剪平移气缸的工作端上部,所述单剪动力组件位于所述单剪夹持气缸的上侧且两者的工作端均朝向转子绕线方向。

4.根据权利要求3中所述的马达转子理线机,其特征在于:所述单剪动力组件为气剪MS-10型。

5.根据权利要求1中所述的马达转子理线机,其特征在于:所述宽剪装置包括用于将转子绕线拨正的拨线组件、用于将转子绕线整齐裁断的切线组件和用于将裁断后的转子绕线头进行接收的废料收集组件且从上到下依次设置。

6.根据权利要求5中所述的马达转子理线机,其特征在于:所述拨线组件包括拨线支撑件、旋转件、拨线升降气缸、拨线拉行气缸和拨线勾,所述旋转件的一端可拆卸连接在所述拨线支撑架的上部,所述旋转件的另一端与所述拨线升降气缸的固定端固定连接,所述拨线升降气缸的工作端通过加强板与所述拨线拉行气缸的固定端固定连接,所述拨线拉行气缸的工作端通过装针板与所述拨线勾的直线端可拆卸连接,所述拨线勾的弯曲端指向转子绕线处。

7.根据权利要求5中所述的马达转子理线机,其特征在于:所述切线组件包括切线底板、切线气动元件、切刀主动件和切刀固定件,所述切线气动元件的固定端通过所述切线底板固定在所述机架上,所述切线气动元件的工作端与所述切刀主动件可拆卸连接,所述切刀固定件固定在所述治具的下侧与所述切刀主动件位置相对应;

所述切刀主动件包括夹紧块和固定在所述夹紧块上的上切刀,所述切刀固定件包括紧固块和固定在所述紧固块上与所述上切刀匹配的下切刀。

8.根据权利要求5中所述的马达转子理线机,其特征在于:所述废料收集组件包括接线头槽、废料箱和用于防止切线组件在裁断转子绕线时飞溅的挡料板,所述接线头槽通过接线头支架倾斜设置,所述废料箱的上端口承接于所述接线头槽的下端口,所述挡料板位于所述接线头槽靠近所述转盘的那一侧。

9.根据权利要求1中所述的马达转子理线机,其特征在于:所述理线装置包括旋转底座、理线升降气缸、理线手指气缸和理线梳爪,所述理线升降气缸的固定端通过所述旋转底座可拆卸连接在所述机架上,所述理线升降气缸的工作端与所述理线手指气缸的固定端固定连接,所述理线手指气缸的两个气爪分别与两个所述理线梳爪可拆卸连接。

10.根据权利要求9中所述的马达转子理线机,其特征在于:所述旋转底座为圆柱体,所述旋转底座的外侧壁均匀的分布有多个圆形凹槽,所述旋转底座的侧面还设置有定位销轴,所述定位销轴的一端为半球型与所述圆形凹槽匹配,所述定位销轴的另一端贯穿于一弹簧座块。