欢迎来到知嘟嘟! 联系电话:13336804447 卖家免费入驻,海量在线求购! 卖家免费入驻,海量在线求购!
知嘟嘟
我要发布
联系电话:13336804447
知嘟嘟经纪人
收藏
专利号: 2017100376418
申请人: 周胡琴
专利类型:发明专利
专利状态:已下证
专利领域: 机床;其他类目中不包括的金属加工
更新日期:2024-11-18
缴费截止日期: 暂无
价格&联系人
年费信息
委托购买

摘要:

权利要求书:

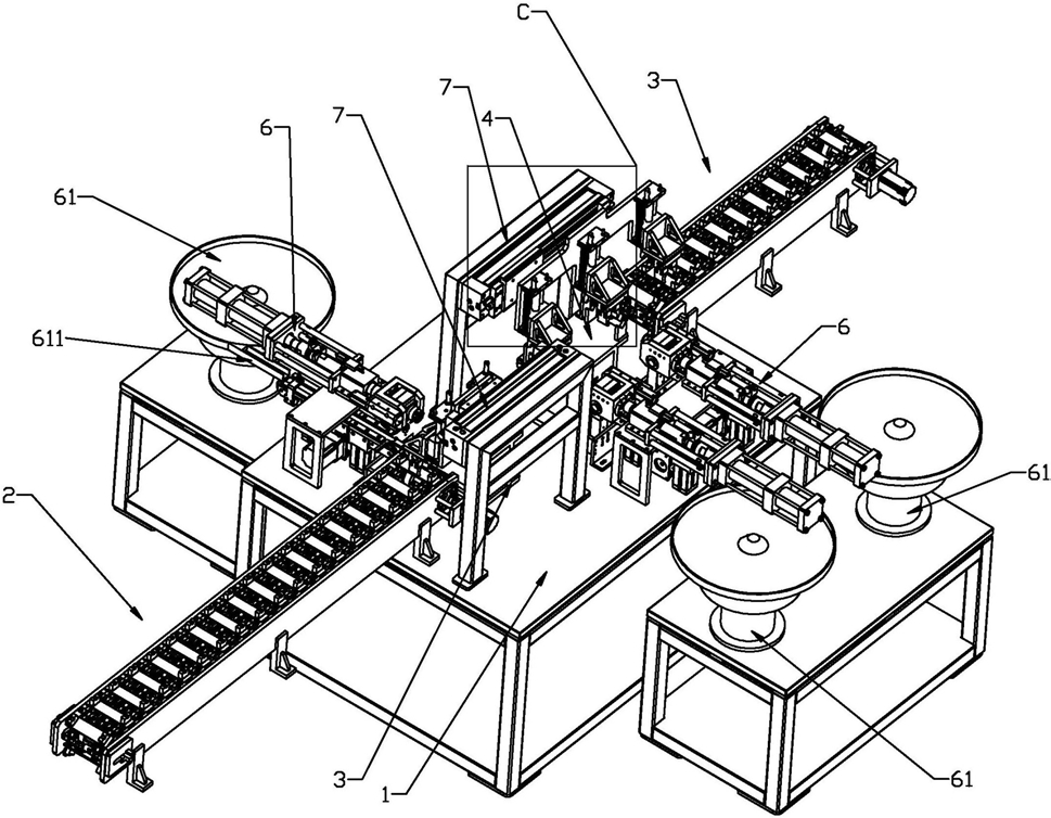
1.一种马达转子轴多级部件自动装配机,包括工作台面,其特征在于:所述的工作台面上依次设置有进料装置、第一加工座、第二加工座及出料装置,所述的工作台面位于第一加工座及第二加工座的侧面设置有装配装置,所述的进料装置和第一加工座之间设置有将马达转子轴依次切换位置的前运输装置,所述的第一加工座、第二加工座及出料装置之间设置有将马达转子轴依次切换位置的后运输装置,所述的进料装置和出料装置分别包括轨道支架、左齿轮带组件、右齿轮带组件及若干个马达转子轴放置座,所述的轨道支架沿运输方向设置,所述的左齿轮带组件和右齿轮带组件平行设置于轨道支架的横向两侧,左齿轮带组件及右齿轮带组件包括驱动齿轮、从动齿轮、齿轮带及轨道电机,所述的驱动齿轮及从动齿轮分别转动设置于轨道支架纵向两端,所述的齿轮带绕设于驱动齿轮及从动齿轮并与驱动齿轮及从动齿轮相啮合,所述的轨道电机安装于轨道支架并驱动主驱动齿轮转动,所述的齿轮带由若干个依次排布的连接销组成,相邻的连接销之间设置有与连接销转动配合的衔接片,各所述的衔接片间隔固定设置水平放置的支撑板,该支撑板与马达转子轴放置座底部呈可拆卸的安装配合,所述的马达转子轴放置座顶部横向两侧分别设置有放置板,所述的放置板顶部设置有放置马达转子轴的放置槽,所述的第一加工座和第二加工座上设置有若干组放置马达转子轴的装配板,各组所述的装配板将马达转子轴的端部朝向装配装置,所述的装配板顶部设置有与马达转子轴形状相适配的装配槽,所述的前运输装置和后运输装置包括运料架、主运料座及若干个运料单元,所述的运料架沿运输方向设置有供主运料座滑移的主运料轨道,所述的主运料轨道端部设置有驱动主运料座滑移的主运料气缸及快速停止主运料座的速停机构,所述的运料单元包括固定于主运料座的单元运料座,所述的单元运料座设置有夹爪组件及驱动夹爪组件升降的升降气缸,所述的装配装置包括振动盘、传动带机构、调位机构及抓取装配机构,所述的振动盘的出料位置设置有传动带机构衔接的供料轨道,所述的传动带机构与振动盘衔接的另一端与调位机构相对应,所述的调位机构包括侧移组件及竖推组件,所述的侧移组件包括侧移轨道及侧移推送块,所述的侧移轨道衔接于传动带机构并向侧面延伸,所述的侧移轨道上设置有驱动侧移推送块沿侧移轨道移动的侧移气缸,所述的侧移推送块设置有与组装部件部分外周形状相适配的推送面,所述的侧移轨道与抓取装配机构正下方对应设置有竖推孔,所述的竖推组件包括竖推轴及竖推气缸,所述的竖推气缸驱动竖推轴穿过竖推孔并将组装部件向抓取装配机构推送,所述的抓取装配机构包括装配座及摆动座,所述的工作台面上设置有驱动装配座向所对应的装配板移动的装配气缸,所述的摆动座竖向摆动设置于装配座,所述的装配座上设置有驱动摆动座竖向摆动的摆动电机,所述的摆动座上设置有抓取组件。

2.根据权利要求1所述的马达转子轴多级部件自动装配机,其特征在于:所述的速停机构包括气囊及给气囊供气的供气管,所述的气囊设置于主运料轨道与主运料座相对的端面上并在充气时与主运料座侧面相抵。

3.根据权利要求1所述的马达转子轴多级部件自动装配机,其特征在于:所述的夹爪组件包括夹爪、夹爪座、单元运料座及夹爪气缸,所述的升降气缸驱动单元运料座升降,所述的单元运料座上设置有供两侧的夹爪座靠近及远离的夹爪轨道,各所述的夹爪座上对应安装有夹爪,所述的夹爪气缸驱动各夹爪座沿夹爪轨道移动,所述的夹爪朝向另一个夹爪设置有弧形的夹持面,所述的夹持面局部由弹性材料制成。

4.根据权利要求1所述的马达转子轴多级部件自动装配机,其特征在于:所述的轨道支架设置有同轴穿过从动齿轮的调节轴,该调节轴延伸至轨道支架侧面外部,所述的轨道支架侧面固定设置有涨紧板,所述的涨紧板上沿传输方向设置有条形槽,所述的调节轴穿过条形槽并沿条形槽滑移,所述的涨紧板沿条形槽转动设置有调节丝杆,所述的调节丝杆与调节轴呈螺纹配合。

5.根据权利要求1所述的马达转子轴多级部件自动装配机,其特征在于:所述的装配座上设有启动座,所述的启动座上设置有启动轴及将启动轴向摆动座复位的蓄力弹簧,所述的启动轴与摆动座相抵时推动摆动座转动。

6.根据权利要求1所述的马达转子轴多级部件自动装配机,其特征在于:所述的竖推轴由内轴、外轴及缓冲组件组成,所述的内轴同轴滑移于外轴内,所述的竖推气缸驱动内轴移动,所述的缓冲组件包括缓冲环、弹性材料环及缓冲弹簧,所述的缓冲环固定于内轴外周,所述的缓冲弹簧压缩于缓冲环与外轴端面之间,所述的弹性材料环固定于缓冲环与外轴端面之间并包覆于缓冲弹簧外周。

7.根据权利要求1所述的马达转子轴多级部件自动装配机,其特征在于:所述的放置槽包括水平设置的底面及向两侧不断扩大的侧面。

8.根据权利要求1所述的马达转子轴多级部件自动装配机,其特征在于:所述的抓取组件包括设置于摆动座的抓取环,所述的抓取环内周沿周向等距设置有钢珠抓取组件,所述的钢珠抓取组件包括钢珠轴、钢珠、钢珠弹簧及钢珠腔,所述的钢珠轴穿过抓取环,所述的钢珠腔设置于钢珠轴内并朝向抓取环内侧设置有开口,所述的钢珠及钢珠弹簧位于钢珠腔内,所述的钢珠弹簧将钢珠向开口复位并将部分钢珠伸出开口,所述的抓取环还穿设有可伸缩的调整销,该调整销与组装部件相抵。

9.根据权利要求1所述的马达转子轴多级部件自动装配机,其特征在于:所述的侧移推送块朝向组装部件设置有可伸缩于侧移推送块壁的校位销。