欢迎来到知嘟嘟! 联系电话:13095918853 卖家免费入驻,海量在线求购! 卖家免费入驻,海量在线求购!
知嘟嘟
我要发布
联系电话:13095918853
知嘟嘟经纪人
收藏
专利号: 2017105352848
申请人: 中国矿业大学
专利类型:发明专利
专利状态:已下证
专利领域: 测量;测试
更新日期:2024-01-05
缴费截止日期: 暂无
价格&联系人
年费信息
委托购买

摘要:

权利要求书:

1.一种锚杆托盘载荷可视化数字成像方法,其特征在于:包括以下步骤:第一步:在巷道墙面上安装托盘,再将锚杆固定在托盘中心位置处,未施加预紧力时定义为变形前的托盘,施加预紧力后定义为变形后的托盘;

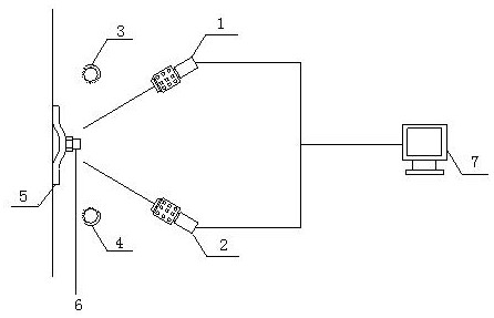
第二步:在锚杆托盘的中心轴上两侧分别布设第一摄像机和第二摄像机,在托盘和第一摄像机之间布设第一光源,托盘和第二摄像机之间布设第二光源;

第三步:采用双目立体视觉原理和张正友平面标定法进行系统坐标标定;

第四步:第一光源、第二光源射向变形前的托盘,在托盘表面形成散斑图像,使用第一摄像机、第二摄像机对形成散斑图像的托盘进行观测,将散斑图像中某一光点的像的平面坐标进行计算,得到变形前光点的三维坐标;

第五步:对托盘施加预紧力,使得托盘发生变形,第一光源、第二光源射向变形后的锚杆托盘,在托盘表面形成散斑图像,将变形前的散斑图像与变形后的散斑图像进行匹配,根据最大相关系数确定两幅散斑图像的点对关系,从而找到第四步中托盘变形后光点的位置;其中,用第一摄像机、第二摄像机系统记录物体变形前的图像I1和变形后的图像I2,通过数字图像相关算法,衡量I1与I2的匹配程度,确定物体变形前和变形后对应的几何点,进行对比、匹配和计算;常用的相关系数公式为:式中:I1(xi,yj)表示变形前子区A中某点(xi,yj)处的灰度值;I2(xi*,yj*)表示变形后子区B中某点(xi*,yj*)的灰度值; 和 分别是子区A和子区B的平均灰度值;xi*=xi+xdef,yj*=yj+ydef,其中(xdef,+ydef)为P点沿x和y方向的位移量;当相关系数为1的时候,表示两个子区完全相关;当相关系数为0的时候,表示两个子区完全不相关;改变xdef和+ydef的值,即在变形后的图像上移动子区域,可以得到不同的C值,使得C取最大值的xdef和+ydef即是子区域中心的位移分量;

第六步:匹配完毕后,将变形后散斑图像中光点的像的平面坐标进行计算,得出变形后光点的三维坐标;

第七步:变形前的三维坐标与变形后的三维坐标之间的差值,即为托盘的全场三维位移;

第八步:在托盘变形后得出的参考图像上,以待测点为中心设置参考子区,通过子区匹配的方式,寻找到其在参考图像上相应的目标子区,目标子区的中心位置即为待测点在目标图像中的对应位置;对于目标子区内各点的位移利用最小二乘拟合得到位移函数,将此函数作为目标子区域中心点处的函数值,对该函数求导得到应变值;

第九步:选择另一目标子区,重新按上述过程计算得到托盘变形后的应变值,如此重复从而得到托盘全场应变值;

第十步:通过对托盘变形前后三维空间数据的快速三维变形分析对比得到应变场,结合托盘弯曲刚度得到应力场,对应力场反算积分即可得到锚杆的实时载荷;具体计算方法如下:k—地基系数;

D—锚杆托盘弯曲刚度;

E—弹性模量;

μ—泊松比;

h—锚杆托盘厚度;

r—托板中心至所求点的距离;

Q—集中载荷;

a—锚杆托盘半径;

步骤三中采用双目立体视觉原理和张正友平面标定法进行系统坐标标定,具体标定包括如下步骤:第一步:建立平面网格状的标定模板,采用平面圆心标定板或者平面黑白棋盘标定板,标定模板上的圆心位置或者黑白棋盘网格交义点就是标定控制点,并将已知的标定控制点的坐标值定义为世界坐标系的坐标值;

第二步:标定模板建立后,从不同角度拍摄标定模板,得到多幅不同角度的标定模板图像;

第三步:对标定模板进行图像处理,得到各幅标定图像上标定控制点的坐标;

第四步:把标定模板上标定控制点的坐标和图像坐标代入第一摄像机、第二摄像机模型中,获取第一摄像机、第二摄像机参数的解析解;

第五步:通过最小方差求出偏转系数;

第六步:根据非线性规划求出最终迭代结果,包括第一摄像机、第二摄像机的内、外参数;

图像处理过程中,首先要对图片进行亚像素处理,采用基于空域迭代的亚像素匹配算法提高测量精度,然后进行图像去噪,图像去噪采用小波变换,主要过程是第一,通过检测图像小波模极大值点的奇异性来重建图像;第二,通过对用小波变换系数的处理,在使用被处理后的系数重新构建图像;第三,使用多尺度小波系数之间的相关性对小波系数进行处理后在进行重建滤波。

2.根据权利要求1所述的锚杆托盘载荷可视化数字成像方法,其特征在于:在托盘的中心轴上两侧分别布设第一摄像机和第二摄像机,其中,第一摄像机、第二摄像机分别与中心轴呈45度角设置。

3.根据权利要求1所述的锚杆托盘载荷可视化数字成像方法,其特征在于:在托盘和第一摄像机之间布设第一光源,托盘和第二摄像机之间布设第二光源,其中,第一光源、第二光源分别与中心轴呈60度角设置,第一光源约在托盘与第一摄像机中间位置偏外15cm处,第二光源约在托盘与第二摄像机中间位置偏外15cm处。

4.根据权利要求1所述的锚杆托盘载荷可视化数字成像方法,其特征在于:所述的第一摄像机和第二摄像机均采用CCD相机。

5.根据权利要求1所述的锚杆托盘载荷可视化数字成像方法,其特征在于:参考图片通过亚像素处理,其去噪采用小波变换方法进行处理。