欢迎来到知嘟嘟! 联系电话:13336804447 卖家免费入驻,海量在线求购! 卖家免费入驻,海量在线求购!
知嘟嘟
我要发布
联系电话:13336804447
知嘟嘟经纪人
收藏
专利号: 2021100756201
申请人: 南京启蒙星科技服务有限公司
专利类型:发明专利
专利状态:已下证
专利领域: 测量;测试
更新日期:2026-04-06
缴费截止日期: 暂无
价格&联系人
年费信息
委托购买

摘要:

权利要求书:

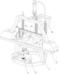
1.一种下颌根尖下截骨术定位导板检测装置,其特征在于,包括有:底座(1),底座(1)顶部一侧设有固定机构(2);压力检测机构(3),底座(1)顶部中间设有压力检测机构(3)。2.根据权利要求1所述的一种下颌根尖下截骨术定位导板检测装置,其特征在于,固定机构(2)包括有:固定架(21),底座(1)顶部一侧设有固定架(21);固定板(22),固定架(21)一侧滑动式设有两个固定板(22);第一弹簧(23),固定板(22)与固定架(21)之间均连接有第一弹簧(23);拉板(24),固定板(22)顶部之间连接有拉板(24)。3.根据权利要求1所述的一种下颌根尖下截骨术定位导板检测装置,其特征在于,压力检测机构(3)包括有:滑块(33),底座(1)顶部中间两侧均开有缺口(32),底座(1)顶部中间两侧均开有滑槽(31),底座(1)顶部中间两侧均滑动式设有滑块(33),滑块(33)在滑槽(31)上滑动;压块(39),滑块(33)内侧均设有压块(39);安装块(34),底座(1)上部一侧对称设有安装块(34);第一导杆(35),安装块(34)上均设有第一导杆(35);滑套(37),第一导杆(35)上均滑动式设有滑套(37);第二弹簧(36),滑套(37)与安装块(34)之间均连接有第二弹簧(36);第一压板(38),滑套(37)之间连接有第一压板(38),第一压板(38)与滑块(33)配合。4.根据权利要求2或3所述的一种下颌根尖下截骨术定位导板检测装置,其特征在于,还包括有韧性检测机构(4),韧性检测机构(4)包括有:安装柱(41),底座(1)中部对称设有安装柱(41),安装柱(41)顶部均设有第二导杆(42);第二压板(44),第二导杆(42)之间滑动式连接有第二压板(44);第三弹簧(43),第二压板(44)与安装柱(41)之间均连接有第三弹簧(43);导轨(45),第二压板(44)顶部设有导轨(45);顶杆(46),导轨(45)两侧均滑动式设有顶杆(46),顶杆(46)与第一压板(38)配合;第四弹簧(47),顶杆(46)之间连接有第四弹簧(47)。5.根据权利要求4所述的一种下颌根尖下截骨术定位导板检测装置,其特征在于,还包括有驱动机构(5),驱动机构(5)包括有:安装架(51),底座(1)顶部另一侧设有安装架(51);安装杆(52),安装架(51)顶部设有安装杆(52);气缸(53),安装杆(52)上设有气缸(53);第三导杆(54),安装架(51)一侧设有第三导杆(54);顶板(56),第三导杆(54)上滑动式设有顶板(56),顶板(56)与第一压板(38)配合;第五弹簧(55),顶板(56)与第三导杆(54)之间连接有第五弹簧(55)。6.根据权利要求5所述的一种下颌根尖下截骨术定位导板检测装置,其特征在于,还包括有展示机构(6),展示机构(6)包括有:套杆(61),底座(1)中部设有套杆(61);

展示块(63),套杆(61)上螺纹式放置有展示块(63);螺帽(62),套杆(61)上螺纹式连接有螺帽(62)。7.根据权利要求6所述的一种下颌根尖下截骨术定位导板检测装置,其特征在于,还包括有退料机构(7),退料机构(7)包括有:退料杆(72),底座(1)一侧滑动式设有退料杆(72);退料板(71),退料杆(72)顶部设有退料板(71);第六弹簧(73),退料板(71)与底座(1)之间连接有第六弹簧(73);按压组件(74),底座(1)顶部一侧设有按压组件(74),按压组件(74)与退料杆(72)配合。8.根据权利要求6所述的一种下颌根尖下截骨术定位导板检测装置,其特征在于,展示块(63)为海绵。