欢迎来到知嘟嘟! 联系电话:13336804447 卖家免费入驻,海量在线求购! 卖家免费入驻,海量在线求购!
知嘟嘟
我要发布
联系电话:13336804447
知嘟嘟经纪人
收藏
专利号: 2020114696004
申请人: 江苏大学
专利类型:发明专利
专利状态:已下证
专利领域: 一般车辆
更新日期:2024-04-03
缴费截止日期: 暂无
价格&联系人
年费信息
委托购买

摘要:

权利要求书:

1.一种车载供氢系统泄露融合检测方法,其特征在于,当驾驶员座舱内的氢气浓度大于等于1%,警报灯(4)为红色并闪烁;当驾驶员座舱内的氢气浓度小于1%,启动车辆,开启瓶口阀(13),控制器(3)判断储氢瓶(1)和瓶口阀(13)是否符合氢气泄露融合检测判据I,若符合氢气泄露融合检测判据I,则判定储氢瓶(1)发生氢气泄露,关闭瓶口阀(13),警报灯(4)为黄色并闪烁,若不符合氢气泄露融合检测判据I,开启电磁阀(15),并启动燃料电池电堆(18);控制器(3)判断储氢瓶(1)和供氢管路符合氢气泄露融合检测判据II的哪一级分级结果,若判断分级结果为一级,进行氢气泄露定位判据,若定位结果为定位a,则判定氢气泄露位置为储氢瓶(1),警报灯(4)为黄色并闪烁,若定位结果为定位b,则判定氢气泄露位置为供氢管路,警报灯(4)为黄色;若判断分级结果为二级,进行氢气泄露定位判据,若定位结果为定位a,则判定氢气泄露位置为储氢瓶(1),警报灯(4)为蓝色并闪烁,若定位结果为定位b,则判定氢气泄露位置为供氢管路,警报灯(4)为蓝色;若判断分级结果为三级,则关闭警报灯(4)。

2.根据权利要求1所述的车载供氢系统泄露融合检测方法,其特征在于,所述氢气泄露融合检测判据I具体为:将检测条件A和检测条件B进行逻辑“与”,若同时满足检测条件A和检测条件B,则判定为符合氢气泄露融合检测判据I,若其中一个检测条件不满足,则判定不符合氢气泄露融合检测判据I。

3.根据权利要求2所述的车载供氢系统泄露融合检测方法,其特征在于,所述检测条件A为:检测时间内的氢气变化量 其中:k为常数,p11为瓶口阀(13)开启时第一压力传感器(8)获取的压力值,z1为压力p11下的压缩因子,p12为瓶口阀(13)开启设定的时间间隔后第一压力传感器(10)获取的压力值,z2为压力p12下的压缩因子,T11为瓶口阀(13)开启时第一温度传感器(9)获取的温度值,T12为瓶口阀(13)开启设定的时间间隔后第一温度传感器(11)获取的温度值;检测条件B为:第一氢气传感器(2)检测的氢气浓度大于阈值B。

4.根据权利要求1所述的车载供氢系统泄露融合检测方法,其特征在于,所述氢气泄露融合检测判据II具体为:若均符合检测条件C和检测条件D,则判定为一级,车载供氢系统存在较大泄露,即空气中氢气含量超过1%;若符合检测条件D但不符合检测条件C,则判定为二级,车载供氢系统存在微小泄露,即空气中氢气含量小于0.3%;若均不符合检测条件C和检测条件D,则判定为三级,车载供氢系统无泄露。

5.根据权利要求4所述的车载供氢系统泄露融合检测方法,其特征在于,所述检测条件C为: 其中,t1为燃料电池电堆(18)的启动时刻,t2为设置的时刻,m1为第一气体质量流量传感器(7)获取的气体质量,m2为第二气体质量流量传感器(12)获取的气体质量,ρ为供氢管路中的氢气密度,p2为第二压力传感器(10)获取的压力值,p1为第一压力传感器(8)获取的压力值,k2为压力调节阀(14)的调节系数,g为重力加速度,S为供氢管路单位长度的摩擦阻力,L是从压力调节阀(14)至第二压力传感器(10)的供氢管路长度;所述检测条件D为:超声波传感器阵列(16)检测的泄露信号幅值>阈值D。

6.根据权利要求1所述的车载供氢系统泄露融合检测方法,其特征在于,所述氢气泄露定位判据为:当氢气泄露点到超声波传感器A的距离S1>阈值E,则定位结果为定位a,否则定位结果为定位b。

7.根据权利要求6所述的车载供氢系统泄露融合检测方法,其特征在于,所述S1由以下方程组确定: 其中,以超声波传

感器B的坐标位置为原点,x、y为氢气泄漏点的横纵坐标,d为超声波传感器A与超声波传感器B的距离,u1(t)为超声波传感器A处由声压产生的输出,u2(t+Δt12)为超声波传感器B处由声压产生的输出,Δt12为超声波传感器A和超声波传感器B接受信号的时间差。

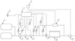
8.一种实现权利要求1‑7所述的车载供氢系统的泄露融合检测方法的检测系统,其特征在于,包括:

储氢瓶(1)、瓶口阀(13)和燃料电池电堆(18),瓶口阀(13)设于储氢瓶(1)瓶口中,瓶口阀(13)通过供氢管路与燃料电池电堆(18)连接;所述供氢管路上沿气体流向,依次设有压力调节阀(14)、电磁阀(15)、第二气体质量流量传感器(12)和超声波传感器阵列(16);

排气回收系统,包括氢气循环泵(17)和氢气排气管(19),氢气循环泵(17)设置于燃料电池电堆(18)的阳极流道出口和阳极流道入口之间,氢气排气管(19)设置在燃料电池电堆(18)的阳极流道出口处;

泄露融合检测系统,包括控制器(3)、氢气传感器阵列、第一压力传感器(8)、第一温度传感器(9)、第二压力传感器(10)、第二温度传感器(11)、超声波传感器阵列(16)、第一气体质量流量传感器(7)、第二气体质量流量传感器(12)和警报灯(4),第一压力传感器(8)和第一温度传感器(9)设置在瓶口阀(13)处,第二压力传感器(10)、第二温度传感器(11)设置在电磁阀(15)与第二气体质量流量传感器(12)之间的管路上,第一气体质量流量传感器(7)设置在氢气循环泵(17)与供氢管路连接的管道上;所述氢气传感器阵列包括第一氢气传感器(2)、第二氢气传感器(5)和第三氢气传感器(6),第一氢气传感器(2)设置于储氢瓶(1)上方,第二氢气传感器(5)设置于供氢管路上方,第三氢气传感器(6)设置于驾驶员座舱内;

所述氢气传感器阵列、第一压力传感器(8)、第一温度传感器(9)、第二压力传感器(10)、第二温度传感器(11)、超声波传感器阵列(16)、第一气体质量流量传感器(7)、第二气体质量流量传感器(12)和警报灯(4)均与控制器(3)信号连接,控制器(3)还与瓶口阀(13)、压力调节阀(14)、电磁阀(15)、氢气循环泵(17)、燃料电池电堆(18)和氢气排气管(19)信号连接。

9.根据权利要求8所述的车载供氢系统的泄露融合检测系统,其特征在于,所述第一氢气传感器(2)、第二氢气传感器(5)和第三氢气传感器(6)的结构相同,均由氢气传感器腔室(201)、氢敏传感器(202)、CO传感器(203)和温湿度传感器(204)组成,氢敏传感器(202)、CO传感器(203)和温湿度传感器(204)设置在氢气传感器腔室(201)内部。

10.根据权利要求9所述的车载供氢系统的泄露融合检测系统,其特征在于,所述氢敏传感器(202)、CO传感器(203)和温湿度传感器(204)所在位置的连线呈正三角形。