欢迎来到知嘟嘟! 联系电话:13336804447 卖家免费入驻,海量在线求购! 卖家免费入驻,海量在线求购!
知嘟嘟
我要发布
联系电话:13336804447
知嘟嘟经纪人
收藏
专利号: 2020111812272
申请人: 江苏港城信息服务有限公司
专利类型:发明专利
专利状态:已下证
专利领域: 农业;林业;畜牧业;狩猎;诱捕;捕鱼
更新日期:2025-01-22
缴费截止日期: 暂无
价格&联系人
年费信息
委托购买

摘要:

权利要求书:

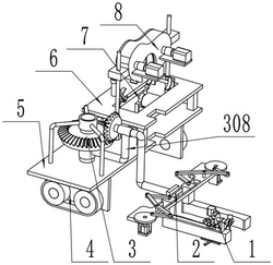
1.一种韭菜收割打捆机器人,包括切割装置(1)、夹持装置(2)、传送装置(3)、行走机构(4)、固定支撑板(5)、打捆工作台(6)、收紧装置(7)、打捆机构(8),其特征在于:所述的切割装置(1)包括切割滑块(103)、滑动支座(108);所述的夹持装置(2)包括固定板(210);所述的传送装置(3)包括从动锥齿轮(301)、主动锥齿轮轴(304)、锥齿轮驱动电机座(306);所述的行走机构(4)包括支撑板(404);所述的收紧装置(7)包括水平丝杠固定座(702)、水平丝杠电机座(706);所述的打捆机构(8)包括竖直丝杠电机(801)、竖直丝杠(803)、刀片电机(817);所述的切割滑块(103)滑动安装在夹持块A(201)上,滑动支座(108)滑动安装在夹持块A(201)上,固定板(210)固定安装在从动锥齿轮(301)上,主动锥齿轮轴(304)转动安装在固定支撑板(5)上,锥齿轮驱动电机座(306)固定安装在固定支撑板(5)上,支撑板(404)固定安装在固定支撑板(5)上,水平丝杠固定座(702)固定安装在打捆工作台(6)上,水平丝杠电机座(706)固定安装在打捆工作台(6)上,竖直丝杠电机(801)固定安装在固定支撑板(5)上,竖直丝杠(803)转动安装在打捆工作台(6)上,刀片电机(817)固定安装在打捆工作台(6)上;

所述的切割装置(1)还包括旋转刀片(101)、转轴(102)、竖直锥齿轮(104)、切割电机(105)、水平锥齿轮(106)、水平锥齿轮轴(107)、风扇(109),所述的旋转刀片(101)固定安装在转轴(102)的一端,转轴(102)转动安装在切割滑块(103)上,竖直锥齿轮(104)固定安装在转轴(102)上,转轴(102)的另一端通过联轴器与切割电机(105)的输出轴固定连接,切割电机(105)与水平锥齿轮(106)形成齿轮配合,水平锥齿轮(106)固定安装在水平锥齿轮轴(107)的一端,水平锥齿轮轴(107)转动安装在滑动支座(108)上,风扇(109)固定安装在水平锥齿轮轴(107)的另一端,水平锥齿轮轴(107)与切割滑块(103)通过一长板实现固定连接;

所述的夹持装置(2)还包括夹持块A(201)、夹持块固定块(202)、夹持块电机座(203)、夹持块电机(204)、转动圆盘(205)、夹持块支架(206)、连杆(207)、弯曲连杆(208)、推杆(209)、夹持块B(211),所述的夹持块A(201)固定安装在夹持块固定块(202)上,夹持块固定块(202)滑动安装在夹持块支架(206)上,夹持块电机座(203)固定安装在夹持块支架(206)上,夹持块电机(204)固定安装在夹持块电机座(203)上,转动圆盘(205)的转轴与夹持块电机(204)的输出轴固定连接,连杆(207)与转动圆盘(205)铰接,弯曲连杆(208)转动安装在夹持块支架(206)上,弯曲连杆(208)的一端与连杆(207)铰接,弯曲连杆(208)的另一端与推杆(209)铰接,固定板(210)固定安装在夹持块支架(206)上,夹持块B(211)固定安装在夹持块固定块(202)上;

所述的传送装置(3)还包括主动锥齿轮支架(302)、主动锥齿轮(303)、锥齿轮驱动电机(305)、支撑弯杆(307),所述的主动锥齿轮支架(302)固定安装在固定支撑板(5)上,主动锥齿轮(303)与从动锥齿轮(301)形成齿轮配合,锥齿轮驱动电机(305)固定安装在锥齿轮驱动电机座(306)上,锥齿轮驱动电机(305)的输出轴与主动锥齿轮轴(304)的下端固定连接,支撑弯杆(307)一端同轴转动安装在主动锥齿轮轴(304)上,另一端转动安装在从动锥齿轮(301)上;

所述的收紧装置(7)还包括水平丝杠(701)、收紧弧板(703)、水平丝杆联轴器(704)、水平丝杠电机(705),所述的水平丝杠(701)转动安装在水平丝杠固定座(702)上,水平丝杠电机(705)通过水平丝杆联轴器(704)与水平丝杠(701)实现固定连接,水平丝杠电机(705)固定安装在水平丝杠电机座(706)上,收紧弧板(703)与水平丝杠(701)形成螺纹配合;

所述的打捆机构(8)还包括竖直丝杠联轴器(802)、丝杠滑块(804)、侧板(805)、打捆电机托(806)、打捆电机(807)、齿轮固定壳(808)、主动小齿轮(809)、主动小齿轮轴(810)、中空大齿轮(811)、胶带固定板(812)、胶带支撑柱(813)、胶带推杆(814)、转动刀片(815)、刀片转轴(816),所述的竖直丝杠(803)通过竖直丝杠联轴器(802)给与竖直丝杠电机(801)的输出轴固定连接,竖直丝杠(803)与丝杠滑块(804)形成螺纹配合,丝杠滑块(804)固定安装在侧板(805)上,打捆电机托(806)固定安装在侧板(805)上,打捆电机(807)固定安装在打捆电机托(806)上,主动小齿轮轴(810)转动安装在侧板(805)上,主动小齿轮轴(810)与打捆电机(807)的输出轴固定连接,主动小齿轮(809)同轴固定安装在主动小齿轮轴(810)上,中空大齿轮(811)与两个主动小齿轮(809)形成齿轮配合,侧板(805)的内侧设有半圆滑槽,中空大齿轮(811)在滑槽上转动连接,胶带固定板(812)固定安装在中空大齿轮(811)上,胶带支撑柱(813)固定安装在胶带固定板(812)上,胶带推杆(814)固定安装在侧板(805)上,胶带推杆(814)的下端设有锯齿钩,转动刀片(815)固定安装在刀片转轴(816)上,刀片电机(817)的输出轴与刀片转轴(816)固定连接。

2.根据权利要求1所述的一种韭菜收割打捆机器人,其特征在于:所述的行走机构(4)还包括轮子(401)、轮子转轴(402)、履带(403)、轮子驱动电机(405)、轮子驱动电机托(406),所述的轮子转轴(402)转动安装在支撑板(404)上,轮子(401)同轴固定安装在轮子转轴(402)上,履带(403)设置在两个轮子转轴(402)的外侧,轮子驱动电机托(406)固定安装在支撑板(404)上,轮子驱动电机(405)固定安装在轮子驱动电机托(406)上,轮子驱动电机(405)的输出轴与轮子转轴(402)同轴固定连接。

3.根据权利要求1所述的一种韭菜收割打捆机器人,其特征在于:所述的收紧弧板

(703)在打捆工作台(6)的槽壁上滑动,所述的水平丝杠(701)上设置一组旋向相反的螺纹,两端螺纹的长度相等,所述的夹持块A(201)的槽内设置有弹簧与切割滑块(103)相连。

4.根据权利要求1所述的一种韭菜收割打捆机器人,其特征在于:所述的切割电机

(105)固定安装在切割滑块(103)上。

我要求购
我不想找了,帮我找吧
您有专利需要变现?
我要出售
智能匹配需求,快速出售