欢迎来到知嘟嘟! 联系电话:13336804447 卖家免费入驻,海量在线求购! 卖家免费入驻,海量在线求购!
知嘟嘟
我要发布
联系电话:13336804447
知嘟嘟经纪人
收藏
专利号: 2019206549595
申请人: 平潭煜想时代科技有限公司
专利类型:实用新型
专利状态:已下证
专利领域: 发电、变电或配电
更新日期:2024-06-13
缴费截止日期: 暂无
价格&联系人
年费信息
委托购买

摘要:

权利要求书:

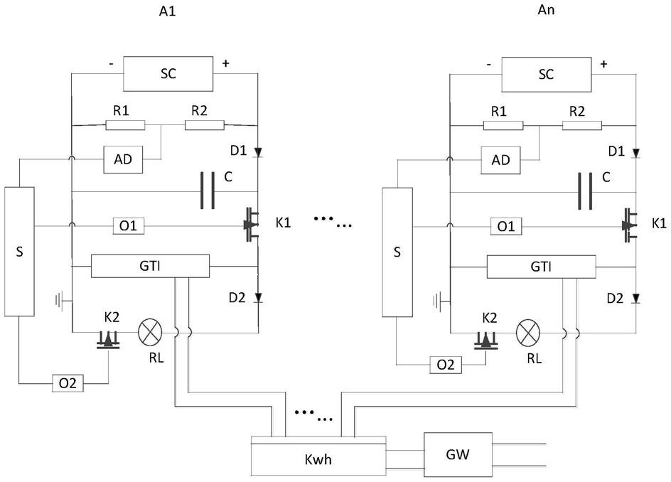
1.一种基于不带蓄电池通过市电并网太阳能路灯的供电系统,其特征在于,包括多个太阳能路灯单元以及共用的双向电表,将位于道路同一侧的太阳能路灯单元中单数的太阳能路灯单元共用同一个双向电表Kwh,而将偶数的太阳能路灯单元共用另一个双向电表Kwh;其中,每一太阳能路灯单元包括太阳能电池面板、电压采集单元、第一开关单元、第二开关单元、并网逆变器以及单片机;所述电压采集单元与所述单片机电连接,并用于采集所述太阳能电池面板的电压;所述第一开关单元与所述单片机电连接,并串联于所述太阳能电池面板以及所述并网逆变器之间;所述第二开关单元与所述单片机电连接,并串联于路灯以及所述并网逆变器之间;所述双向电表串联于所述并网逆变器以及国网标准线路之间。

2.根据权利要求1所述的基于不带蓄电池通过市电并网太阳能路灯的供电系统,其特征在于,所述电压采集单元包括第一电阻、第二电阻、第一AD转换器、电容以及二极管;所述第一电阻以及所述第二电阻相串联,且所述第一电阻以及所述第二电阻整体与所述太阳能电池面板相并联;所述第一AD转换器的一端连接于所述第一电阻以及所述第二电阻之间,另一端与所述单片机电连接;所述电容与所述太阳能电池面板相并联;所述二极管串联于所述太阳能电池面板以及所述并网逆变器之间。

3.根据权利要求2所述的基于不带蓄电池通过市电并网太阳能路灯的供电系统,其特征在于,所述第一电阻和所述第二电阻的阻值相等。

4.根据权利要求1所述的基于不带蓄电池通过市电并网太阳能路灯的供电系统,其特征在于,所述第一开关单元包括第一光耦合器以及第一P 沟道MOSFET管;所述第一P沟道MOSFET管的源极连接所述太阳能电池面板;所述第一P沟道MOSFET管的漏极连接并网逆变器,所述第一光耦合器串联于所述第一P沟道MOSFET管的漏极的栅极以及所述单片机之间。

5.根据权利要求1所述的基于不带蓄电池通过市电并网太阳能路灯的供电系统,其特征在于,所述第二开关单元包括第二光耦合器以及第二P沟道MOSFET管;所述第二P沟道MOSFET管的源极连接所述路灯;所述第二P沟道MOSFET管的漏极连接并网逆变器,所述第二光耦合器串联于所述第二P沟道MOSFET管的漏极的栅极以及所述单片机之间。

6.根据权利要求1所述的基于不带蓄电池通过市电并网太阳能路灯的供电系统,其特征在于,所述单片机为AT89c51。