欢迎来到知嘟嘟! 联系电话:13095918853 卖家免费入驻,海量在线求购! 卖家免费入驻,海量在线求购!
知嘟嘟
我要发布
联系电话:13095918853
知嘟嘟经纪人
收藏
专利号: 2019104291189
申请人: 山东理工大学
专利类型:发明专利
专利状态:已下证
专利领域: 一般车辆
更新日期:2023-10-16
缴费截止日期: 暂无
价格&联系人
年费信息
委托购买

摘要:

权利要求书:

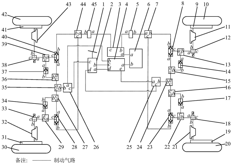
1.一种基于叠加式单向阀和单向阀的四驱电动车制动能量回收气路,其特征在于:由制动踏板(1)、制动阀(2)、副储气罐(3)、主储气罐(4)、后驱动轴开关电磁阀(5)、空气压缩机(6)、第一三通阀(7)、右后驱动车轮叠加式单向阀(8)、右后驱动车轮制动气室(11)、右后驱动车轮ABS电磁阀(12)、第二三通阀(13)、右后驱动车轮单向阀(14)、第三三通阀(15)、第四三通阀(16)、左后驱动车轮单向阀(17)、左后驱动车轮ABS电磁阀(18)、左后驱动车轮制动气室(21)、第五三通阀(22)、左后驱动车轮叠加式单向阀(23)、第六三通阀(24)、后驱动轴继动阀(25)、前驱动轴继动阀(26)、第七三通阀(27)、左前驱动车轮叠加式单向阀(28)、第八三通阀(29)、左前驱动车轮制动气室(32)、左前驱动车轮ABS电磁阀(33)、左前驱动车轮单向阀(34)、第九三通阀(35)、第十三通阀(36)、右前驱动车轮单向阀(37)、右前驱动车轮ABS电磁阀(38)、第十一通阀(39)、右前驱动车轮叠加式单向阀(40)、右前驱动车轮制动气室(43)、第十二三通阀(44)、前驱动轴开关电磁阀(45)组成;

空气压缩机(6)的出气端口b与主储气罐(4)进气端口a通过气路连接,空气压缩机(6)的出气端口a与副储气罐(3)的进气端口a通过气路连接;

制动阀(2)的进气端口a与主储气罐(4)的出气端口d通过气路相连,制动阀(2)的进气端口b与主储气罐(4)的出气端口c通过气路相连,制动阀(2)的出气端口c与前驱动轴继动阀(26)的控制端口c通过气路相连,制动阀(2)的出气端口d与后驱动轴继动阀(25)的控制端口c通过气路相连;

后驱动轴继动阀(25)的端口a与主储气罐(4)的出气端口e通过气路相连,后驱动轴继动阀(25)的端口b通过气路与第六三通阀(24)的端口b相连;

第六三通阀(24)的端口a通过气路与第三三通阀(15)的端口c相连,第三三通阀(15)的端口a通过气路与右后驱动车轮叠加式单向阀(8)的进气端口a相连,第三三通阀(15)的端口b通过气路与右后驱动车轮单向阀(14)的出气端口b相连,右后驱动车轮叠加式单向阀(8)的出气端口c与第二三通阀(13)的端口a通过气路相连,右后驱动车轮单向阀(14)的进气端口a与第二三通阀(13)的端口c通过气路相连,第二三通阀(13)的端口b与右后驱动车轮ABS电磁阀(12)的进气端口a通过气路相连,右后驱动车轮ABS电磁阀(12)的进气端口b与右后驱动车轮制动气室(11)通过气路相连;

第六三通阀(24)的端口c通过气路与第四三通阀(16)的端口c相连,第四三通阀(16)的端口a通过气路与左后驱动车轮叠加式单向阀(23)的进气端口a相连,第四三通阀(16)的端口b通过气路与左后驱动车轮单向阀(17)的出气端口b相连,左后驱动车轮叠加式单向阀(23)的出气端口c与第五三通阀(22)的端口a通过气路相连,左后驱动车轮单向阀(17)的进气端口a与第五三通阀(22)的端口c通过气路相连,第五三通阀(22)的端口b与左后驱动车轮ABS电磁阀(18)的进气端口a通过气路相连,左后驱动车轮ABS电磁阀(18)的进气端口b与左后驱动车轮制动气室(21)通过气路相连;

副储气罐(3)的出气端口b通过气路与后驱动轴开关电磁阀(5)的进气端口a相连,后驱动轴开关电磁阀(5)的出气端口b与第一三通阀(7)的进气端口a通过气路相连,第一三通阀(7)的出气端口b通过气路与右后驱动车轮叠加式单向阀(8)的进气端口b相连,第一三通阀(7)的出气端口c通过气路与左后驱动车轮叠加式单向阀(23)的进气端口b相连;

前驱动轴继动阀(26)的端口a与主储气罐(4)的出气端口b通过气路相连,前驱动轴继动阀(26)的端口b通过气路与第九三通阀(35)的端口b相连;

第九三通阀(35)的端口a通过气路与第十三通阀(36)的端口c相连,第十三通阀(36)的端口a通过气路与右前驱动车轮叠加式单向阀(40)的进气端口a相连,第十三通阀(36)的端口b通过气路与右前驱动车轮单向阀(37)的出气端口b相连,右前驱动车轮叠加式单向阀(40)的出气端口c与第十一三通阀(39)的端口a通过气路相连,右前驱动车轮单向阀(37)的进气端口a与第十一三通阀(39)的端口c通过气路相连,第十一三通阀(39)的端口b与右前驱动车轮ABS电磁阀(38)的进气端口a通过气路相连,右前驱动车轮ABS电磁阀(38)的进气端口b与右前驱动车轮制动气室(43)通过气路相连;

第九三通阀(35)的端口c通过气路与第七三通阀(27)的端口c相连,第七三通阀(27)的端口a通过气路与左前驱动车轮叠加式单向阀(28)的进气端口a相连,第七三通阀(27)的端口b通过气路与左前驱动车轮单向阀(34)的出气端口b相连,左前驱动车轮叠加式单向阀(28)的出气端口c与第八三通阀(29)的端口a通过气路相连,左前驱动车轮单向阀(34)的进气端口a与第八三通阀(29)的端口c通过气路相连,第八三通阀(29)的端口b与左前驱动车轮ABS电磁阀(33)的进气端口a通过气路相连,左前驱动车轮ABS电磁阀(33)的进气端口b与左前驱动车轮制动气室(32)通过气路相连;

副储气罐(3)的出气端口c通过气路与前驱动轴开关电磁阀(45)的进气端口a相连,前驱动轴开关电磁阀(45)的出气端口b与第十二三通阀(44)的进气端口a通过气路相连,第十二三通阀(44)的出气端口b通过气路与右前驱动车轮叠加式单向阀(40)的进气端口b相连,第十二三通阀(44)的出气端口c通过气路与左前驱动车轮叠加式单向阀(28)的进气端口b相连。