欢迎来到知嘟嘟! 联系电话:13095918853 卖家免费入驻,海量在线求购! 卖家免费入驻,海量在线求购!
知嘟嘟
我要发布
联系电话:13095918853
知嘟嘟经纪人
收藏
专利号: 2019104290330
申请人: 山东理工大学
专利类型:发明专利
专利状态:已下证
专利领域: 一般车辆
更新日期:2024-02-23
缴费截止日期: 暂无
价格&联系人
年费信息
委托购买

摘要:

权利要求书:

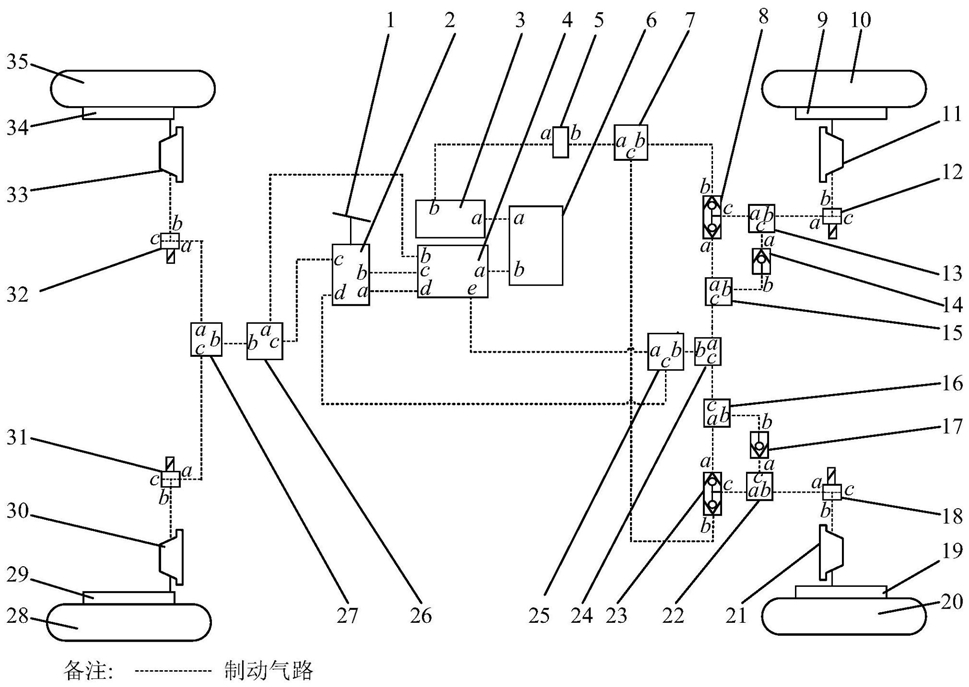
1.一种基于叠加式单向阀和单向阀的两驱电动车制动能量回收气路,其特征在于:

由制动踏板(1)、制动阀(2)、副储气罐(3)、主储气罐(4)、开关电磁阀(5)、空气压缩机(6)、第一三通阀(7)、右驱动轮叠加式单向阀(8)、右驱动轮制动气室(11)、右驱动轮ABS电磁阀(12)、第二三通阀(13)、右驱动轮单向阀(14)、第三三通阀(15)、第四三通阀(16)、左驱动轮单向阀(17)、左驱动轮ABS电磁阀(18)、左驱动轮制动气室(21)、第五三通阀(22)、左驱动轮叠加式单向阀(23)、第六三通阀(24)、驱动轴继动阀(25)、非驱动轴继动阀(26)、第七三通阀(27)、左非驱动轮制动气室(30)、左非驱动轮ABS电磁阀(31)、右非驱动轮ABS电磁阀(32)、右非驱动轮制动气室(33)组成;

空气压缩机(6)的出气端口b与主储气罐(4)进气端口a通过气路连接,空气压缩机(6)的出气端口a与副储气罐(3)的进气端口a通过气路连接;

制动阀(2)的进气端口a与主储气罐(4)的出气端口d通过气路相连,制动阀(2)的进气端口b与主储气罐(4)的出气端口c通过气路相连,制动阀(2)的出气端口c与非驱动轴继动阀(26)的控制端口c通过气路相连,制动阀(2)的出气端口d与驱动轴继动阀(25)的控制端口c通过气路相连;

副储气罐(3)的出气端口b通过气路与开关电磁阀(5)的进气端口a相连,开关电磁阀(5)的出气端口b与第一三通阀(7)的进气端口a通过气路相连,第一三通阀(7)的出气端口b通过气路与右驱动轮叠加式单向阀(8)的进气端口b相连,第一三通阀(7)的出气端口c通过气路与左驱动轮叠加式单向阀(23)的进气端口b相连;

驱动轴继动阀(25)的端口a与主储气罐(4)的出气端口e通过气路相连,驱动轴继动阀(25)的端口b通过气路与第六三通阀(24)的端口b相连;

第六三通阀(24)的端口a通过气路与第三三通阀(15)的端口c相连,第三三通阀(15)的端口a通过气路与右驱动轮叠加式单向阀(8)的进气端口a相连,第三三通阀(15)的端口b通过气路与右驱动轮单向阀(14)的出气端口b相连,右驱动轮叠加式单向阀(8)的出气端口c与第二三通阀(13)的端口a通过气路相连,右驱动轮单向阀(14)的进气端口a与第二三通阀(13)的端口c通过气路相连,第二三通阀(13)的端口b与右驱动轮ABS电磁阀(12)的进气端口a通过气路相连,右驱动轮ABS电磁阀(12)的进气端口b与右驱动轮制动气室(11)通过气路相连;

第六三通阀(24)的端口c通过气路与第四三通阀(16)的端口c相连,第四三通阀(16)的端口a通过气路与左驱动轮叠加式单向阀(23)的进气端口a相连,第四三通阀(16)的端口b通过气路与左驱动轮单向阀(17)的出气端口b相连,左驱动轮叠加式单向阀(23)的出气端口c与第五三通阀(22)的端口a通过气路相连,左驱动轮单向阀(17)的进气端口a与第五三通阀(22)的端口c通过气路相连,第五三通阀(22)的端口b与左驱动轮ABS电磁阀(18)的进气端口a通过气路相连,左驱动轮ABS电磁阀(18)的进气端口b与左驱动轮制动气室(21)通过气路相连;

非驱动轴继动阀(26)的端口a与主储气罐(4)的出气端口b通过气路相连,非驱动轴继动阀(26)的端口b通过气路与第七三通阀(27)的端口b相连,第七三通阀(27)的端口c通过气路与左非驱动轮ABS电磁阀(31)的进气端口a相连,左非驱动轮ABS电磁阀(31)的进气端口b与左非驱动轮制动气室(30)通过气路相连,第七三通阀(27)的端口a通过气路与右非驱动轮ABS电磁阀(32)的进气端口a相连,右非驱动轮ABS电磁阀(32)的进气端口b与右非驱动轮制动气室(33)通过气路相连。