欢迎来到知嘟嘟! 联系电话:13095918853 卖家免费入驻,海量在线求购! 卖家免费入驻,海量在线求购!
知嘟嘟
我要发布
联系电话:13095918853
知嘟嘟经纪人
收藏
专利号: 2019104295809
申请人: 山东理工大学
专利类型:发明专利
专利状态:已下证
专利领域: 一般车辆
更新日期:2023-10-16
缴费截止日期: 暂无
价格&联系人
年费信息
委托购买

摘要:

权利要求书:

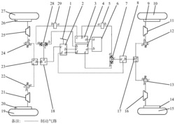
1.一种基于叠加式单向阀的四驱电动车解耦式制动能量回收气路,其特征在于:由制动踏板(1)、制动阀(2)、副储气罐(3)、主储气罐(4)、后驱动轴开关电磁阀(5)、空气压缩机(6)、后驱动轴叠加式单向阀(7)、后驱动轴继动阀(8)、右后驱动车轮制动气室(11)、右后驱动车轮ABS电磁阀(12)、左后驱动车轮ABS电磁阀(13)、左后驱动车轮制动气室(16)、第一三通阀(17)、前驱动轴继动阀(18)、左前驱动车轮制动气室(21)、左前驱动车轮ABS电磁阀(22)、第二三通阀(23)、右前驱动车轮ABS电磁阀(24)、右前驱动车轮制动气室(25)、前驱动轴叠加式单向阀(28)、前驱动轴开关电磁阀(29)组成;空气压缩机(6)的出气端口b与主储气罐(4)进气端口a通过气路连接,空气压缩机(6)的出气端口a与副储气罐(3)的进气端口a通过气路连接;

后驱动轴叠加式单向阀(7)和前驱动轴叠加式单向阀(28)结构相同,后驱动轴叠加式单向阀(7)和前驱动轴叠加式单向阀(28)均具有三个端口,分别为 端口a、端口b、端口c,端口a、端口b为进气端口,端口c为出气端口,端口a和端口b处的结构相同,均为相同的单向阀结构,当端口a和端口b不装阀芯时,端口a、端口b、端口c是通过气路相通的;

制动阀(2)的进气端口a与主储气罐(4)的出气端口d通过气路相连,制动阀(2)的进气端口b与主储气罐(4)的出气端口c通过气路相连,制动阀(2)的出气端口c与前驱动轴继动阀(18)的控制端口c通过气路相连,制动阀(2)的出气端口d与后驱动轴继动阀(8)的控制端口c通过气路相连;

副储气罐(3)的出气端口b与后驱动轴开关电磁阀(5)的进气端口a通过气路相连,后驱动轴开关电磁阀(5)的出气端口b与后驱动轴叠加式单向阀(7)的进气端口a通过气路相连;

主储气罐(4)的出气端口e与后驱动轴叠加式单向阀(7)的进气端口b通过气路相连;

后驱动轴叠加式单向阀(7)的出气端口c与后驱动轴继动阀(8)的端口a通过气路相连,后驱动轴继动阀(8)的端口b与第一三通阀(17)的端口b通过气路相连;

第一三通阀(17)的端口a通过气路与右后驱动车轮ABS电磁阀(12)的进气端口a相连,右后驱动车轮ABS电磁阀(12)的进气端口b通过气路与右后驱动车轮制动气室(11)相连;

第一三通阀(17)的端口c通过气路与左后驱动车轮ABS电磁阀(13)的进气端口a相连,左后驱动车轮ABS电磁阀(13)的进气端口b通过气路与左后驱动车轮制动气室(16)相连;

副储气罐(3)的出气端口c通过气路与前驱动轴开关电磁阀(29)的进气端口a相连,前驱动轴开关电磁阀(29)的出气端口b与前驱动轴叠加式单向阀(28)的进气端口a通过气路相连;

主储气罐(4)的出气端口b通过气路与前驱动轴叠加式单向阀(28)的进气端口b相连;

前驱动轴叠加式单向阀(28)的出气端口c通过气路与前驱动轴继动阀(18)的端口a相连,前驱动轴继动阀(18)的端口b通过气路与第二三通阀(23)的端口b相连;

第二三通阀(23)的端口a通过气路与右前驱动车轮ABS电磁阀(24)的进气端口a相连,右前驱动车轮ABS电磁阀(24)的进气端口b通过气路与右前驱动车轮制动气室(25)相连;

第二三通阀(23)的端口c通过气路与左前驱动车轮ABS电磁阀(22)的进气端口a相连,左前驱动车轮ABS电磁阀(22)的进气端口b通过气路与左前驱动车轮制动气室(21)相连。