欢迎来到知嘟嘟! 联系电话:13095918853 卖家免费入驻,海量在线求购! 卖家免费入驻,海量在线求购!
知嘟嘟
我要发布
联系电话:13095918853
知嘟嘟经纪人
收藏
专利号: 2019104290612
申请人: 山东理工大学
专利类型:发明专利
专利状态:已下证
专利领域: 一般车辆
更新日期:2023-10-16
缴费截止日期: 暂无
价格&联系人
年费信息
委托购买

摘要:

权利要求书:

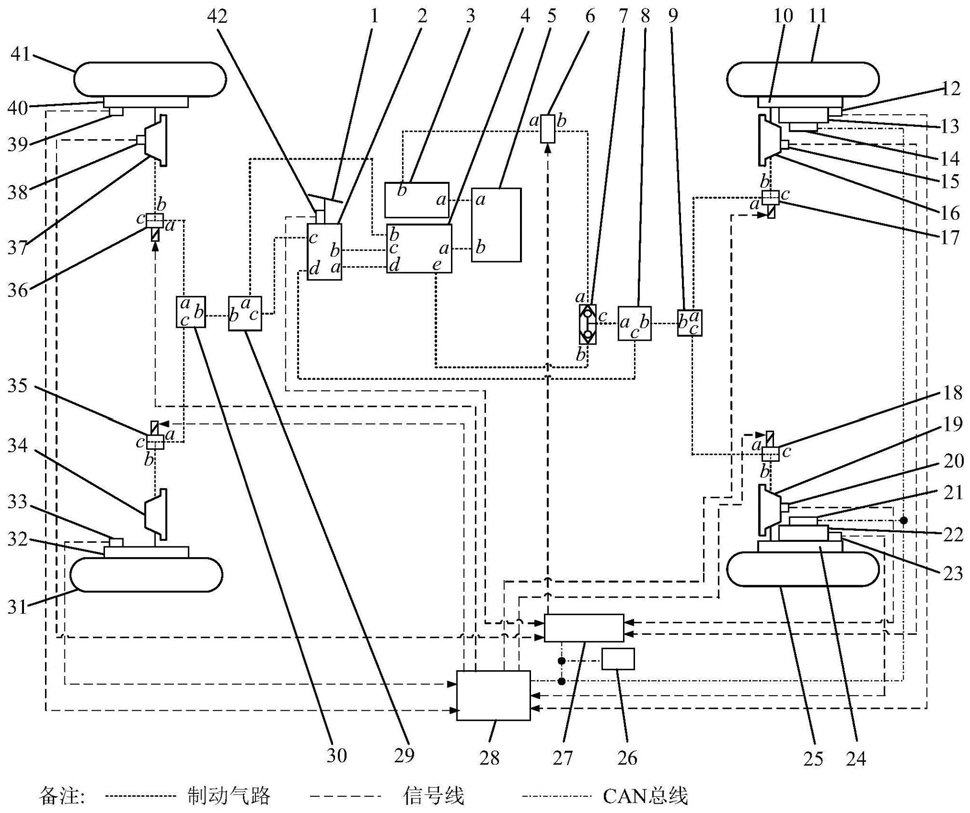
1.一种基于叠加式单向阀的两轮分布驱动电动车制动能量回收系统,其特征在于:由制动踏板(1)、制动阀(2)、副储气罐(3)、主储气罐(4)、空气压缩机(5)、开关电磁阀(6)、驱动轴叠加式单向阀(7)、驱动轴继动阀(8)、第一三通阀(9)、右驱动轮轮速传感器(12)、右驱动轮驱动电机及传动装置(13)、右驱动轮驱动电机控制器(14)、右驱动轮制动压力传感器(15)、右驱动轮制动气室(16)、右驱动轮ABS电磁阀(17)、左驱动轮ABS电磁阀(18)、左驱动轮制动气室(19)、左驱动轮制动压力传感器(20)、左驱动轮驱动电机控制器(21)、左驱动轮驱动电机及传动装置(22)、左驱动轮轮速传感器(23)、电池管理系统(26)、整车控制器(27)、制动控制器(28)、非驱动轴继动阀(29)、第二三通阀(30)、左非驱动轮轮速传感器(33)、左非驱动轮制动气室(34)、左非驱动轮ABS电磁阀(35)、右非驱动轮ABS电磁阀(36)、右非驱动轮制动气室(37)、右非驱动轮制动压力传感器(38)、右非驱动轮轮速传感器(39)、制动踏板位移传感器(42)组成;

空气压缩机(5)的出气端口b与主储气罐(4)进气端口a通过气路连接,空气压缩机(5)的出气端口a与副储气罐(3)的进气端口a通过气路连接;

制动阀(2)的进气端口a与主储气罐(4)的出气端口d通过气路相连,制动阀(2)的进气端口b与主储气罐(4)的出气端口c通过气路相连,制动阀(2)的出气端口c与非驱动轴继动阀(29)的控制端口c通过气路相连,制动阀(2)的出气端口d与驱动轴继动阀(8)的控制端口c通过气路相连;

副储气罐(3)的出气端口b通过气路与开关电磁阀(6)的进气端口a相连,开关电磁阀(6)的出气端口b与驱动轴叠加式单向阀(7)的进气端口a通过气路相连;

主储气罐(4)的出气端口e通过气路与驱动轴叠加式单向阀(7)的进气端口b相连,主储气罐(4)的出气端口b通过气路与非驱动轴继动阀(29)的端口a相连;

驱动轴叠加式单向阀(7)的出气端口c通过气路与驱动轴继动阀(8)的端口a相连,驱动轴继动阀(8)的端口b通过气路与第一三通阀(9)的端口b相连;

第一三通阀(9)的端口a通过气路与右驱动轮ABS电磁阀(17)的进气端口a相连,右驱动轮ABS电磁阀(17)的进气端口b通过气路与右驱动轮制动气室(16)相连;

右驱动轮制动气室(16)上安装有右驱动轮制动压力传感器(15);

第一三通阀(9)的端口c通过气路与左驱动轮ABS电磁阀(18)的进气端口a相连,左驱动轮ABS电磁阀(18)的进气端口b通过气路与左驱动轮制动气室(19)相连;

非驱动轴继动阀(29)的端口b通过气路与第二三通阀(30)的端口b相连;

第二三通阀(30)的端口a通过气路与右非驱动轮ABS电磁阀(36)的进气端口a相连,右非驱动轮ABS电磁阀(36)的进气端口b通过气路与右非驱动轮制动气室(37)相连;

右非驱动轮制动气室(37)上安装有右非驱动轮制动压力传感器(38);

第二三通阀(30)的端口c通过气路与左非驱动轮ABS电磁阀(35)的进气端口a相连,左非驱动轮ABS电磁阀(35)的进气端口b通过气路与左非驱动轮制动气室(34)相连;

右驱动轮轮速传感器(12)、左驱动轮轮速传感器(23)、左非驱动轮轮速传感器(33)、右非驱动轮轮速传感器(39)通过信号线与制动控制器(28)相连;

右驱动轮ABS电磁阀(17)、左驱动轮ABS电磁阀(18)、左非驱动轮ABS电磁阀(35)、右非驱动轮ABS电磁阀(36)通过信号线与制动控制器(28)相连;

开关电磁阀(6)、右驱动轮制动压力传感器(15)、左驱动轮制动压力传感器(20)、右非驱动轮制动压力传感器(38)和制动踏板位移传感器(42)通过信号线与整车控制器(27)相连;

右驱动轮驱动电机控制器(14)、左驱动轮驱动电机控制器(21)、电池管理系统(26)、整车控制器(27)和制动控制器(28)通过CAN总线相连。

2.根据权利要求1所述的基于叠加式单向阀的两轮分布驱动电动车制动能量回收系统,整车控制器(27)基于制动控制器(28)通过CAN总线输出的车速、制动踏板位移传感器(42)输出的踏板位移信号、电池管理系统(26)通过CAN总线输出的电池允许最大充电电流,右驱动轮驱动电机控制器(14)通过CAN总线输出的右驱动轮驱动电机及传动装置(13)所能提供的右驱动轮最大电机制动力,左驱动轮驱动电机控制器(21)通过CAN总线输出的左驱动轮驱动电机及传动装置(22)所能提供的左驱动轮最大电机制动力,判断是否触发制动能量回收功能,并据此控制开关电磁阀(6),其特征在于:当踩下制动踏板且触发制动能量回收功能时,整车控制器(27)控制开关电磁阀(6)导通,副储气罐(3)端口b与驱动轴叠加式单向阀(7)端口a之间的气路导通;当踩下制动踏板,但未触发制动能量回收功能时,整车控制器(27)控制开关电磁阀(6)处于关断状态,副储气罐(3)端口b与驱动轴叠加式单向阀(7)端口a之间的气路不导通;当松开制动踏板,整车控制器(27)控制开关电磁阀(6)处于关断状态,副储气罐(3)端口b与驱动轴叠加式单向阀(7)端口a之间的气路不导通。