欢迎来到知嘟嘟! 联系电话:13336804447 卖家免费入驻,海量在线求购! 卖家免费入驻,海量在线求购!
知嘟嘟
我要发布
联系电话:13336804447
知嘟嘟经纪人
收藏
专利号: 2018115005218
申请人: 西安理工大学
专利类型:发明专利
专利状态:已下证
专利领域: 发电、变电或配电
更新日期:2025-04-16
缴费截止日期: 暂无
价格&联系人
年费信息
委托购买

摘要:

权利要求书:

1.一种优化的MMC子模块电容电压动态均衡控制方法,其特征在于,包括以下步骤:

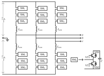
步骤1,根据控制系统选用的调制策略计算出某一时刻MMC各桥臂需要投入的MMC子模块数N_on,每个桥臂有N个MMC子模块,则该桥臂需要切除的子模块数为N_off=N-N_on;若N_on=N,则投入该桥臂上的所有MMC子模块;若N_on=0,则切除该桥臂上的所有MMC子模块;此时结束本次MMC子模块电容电压动态均衡控制,等待下一次判断分析;若0<N_on<N,则需进入下述步骤进行判断分析;

步骤2,采集当前时刻该桥臂内各MMC子模块的电容电压值Uck(k=1,2,3,...,N),以及桥臂电流值iarm;

步骤3,求出当前时刻该桥臂内所有MMC子模块电容电压的平均值 式中:k

表示第k个MMC子模块的编号,Uck表示第k个MMC子模块电容电压,N表示每个桥臂上MMC子模块的数量;

步骤4,若MMC直流侧电压为Udc,则MMC子模块电容电压的参考值为 式中:

Udc表示MMC直流侧电压;MMC子模块电容电压的波动系数为ε,ε一般为5%,设定MMC子模块电容电压的最大偏差为ΔUc_max(ΔUc_max<εUc_ref),如果每个子模块电容电压Uck(k=1,2,

3,...,N)都满足条件(Uc_ref-ΔUc_max)<Uck<(Uc_ref+ΔUc_max)时,则执行下述步骤5~8,进行无需排序的子模块电容电压均衡控制方法;反之,则执行下述步骤9~11,进行基于改进排序的MMC子模块电容电压直接均衡方法;此时结束本次MMC子模块电容电压动态均衡控制,等待下一次判断分析;

步骤5,将该桥臂内的各个MMC子模块的电容电压Uck分别与该桥臂内所有MMC子模块的电容电压平均值Uc_avg相比较,若第k个子模块电容电压Uck≥Uc_avg,说明该子模块电容电压过高需要放电,去执行步骤6;反之,说明该子模块电容电压过低需要充电,去执行步骤7;

步骤6,判断当前时刻流过该桥臂电流iarm的正负和该桥臂所需投入或切除的MMC子模块数来决定该MMC子模块的工作状态;若iarm≤0且已确定投入的子模块数小于等于N_on,则准备投入该MMC子模块,使该子模块电容放电;若iarm≤0且已确定投入的子模块数大于N_on,则准备切除该MMC子模块,保持该子模块电容电压;若iarm>0且已确定切除的子模块数小于等于N_off,则准备切除该子模块,保持该MMC子模块电容电压;若iarm>0且已确定切除的MMC子模块数大于N_off,则准备投入该MMC子模块,使该MMC子模块电容充电,之后,去执行步骤

8;

步骤7,判断当前时刻流过该桥臂电流iarm的正负和该桥臂所需投入或切除的MMC子模块数来决定该MMC子模块的工作状态;若iarm≥0且已投入的MMC子模块数小于等于N_on,则准备投入该MMC子模块,使该MMC子模块电容充电;若iarm≥0且已投入的MMC子模块数大于N_on,则准备切除该MMC子模块,保持该MMC子模块电容电压;若iarm<0且已确定切除的MMC子模块数小于等于N_off,则准备切除该MMC子模块,保持该MMC子模块电容电压;若iarm<0且已确定切除的MMC子模块数大于N_off,则准备投入该MMC子模块,使该MMC子模块电容充电;之后,去执行步骤8;

步骤8,判断该桥臂内每个MMC子模块当前时刻的工作状态,若每个MMC子模块的工作状态都已确定,则统一投入N_on个MMC子模块和切除N_off个MMC子模块,此时结束本次MMC子模块电容电压动态均衡控制,等待下一次判断分析;反之,去执行步骤5;

步骤9,比较该桥臂内的各个MMC子模块的电容电压Uck与该桥臂内所有MMC子模块的电容电压平均值Uc_avg的相对大小,将该桥臂上的MMC子模块分成两组,电容电压相对较高的n1个MMC子模块组成高电压组,电容电压相对较低的n2个MMC子模块组成低电压组,其中n1+n2=N,之后去执行步骤10;

步骤10,分别对高电压组中的n1个MMC子模块和低电压组中的n2个MMC子模块按照其电容电压由高到低的顺序进行排序,最终得到该桥臂上所有MMC子模块电容电压由高到低排列的顺序;

步骤11,判断当前时刻流过该桥臂电流iarm的正负和该桥臂所需投入的MMC子模块数N_on来决定该MMC子模块的工作状态;若该桥臂电流iarm≥0,则投入该桥臂内电容电压最低的N_on个MMC子模块,即投入步骤10的MMC子模块排序顺序中后N_on个MMC子模块,以便对这些子模块电容充电;若该桥臂电流iarm<0,则投入该桥臂内电容电压最高的N_on个子模块,即投入步骤10的MMC子模块排序顺序中前N_on个MMC子模块,以便对这些MMC子模块电容放电;

此时结束本次MMC子模块电容电压动态均衡控制,等待下一次判断分析。

2.根据权利要求1中所述的一种优化的MMC子模块电容电压动态均衡控制方法,其特征在于,步骤1~11对所有MMC子模块电容电压进行均衡控制时,以一个MMC桥臂作为一个电容电压均衡控制单元,对每个桥臂上的MMC子模块电容电压动态均衡时,执行上述步骤1~11,从而实现MMC所有桥臂上的MMC子模块电容电压的动态均衡。