欢迎来到知嘟嘟! 联系电话:13336804447 卖家免费入驻,海量在线求购! 卖家免费入驻,海量在线求购!
知嘟嘟
我要发布
联系电话:13336804447
知嘟嘟经纪人
收藏
专利号: 201810613615X
申请人: 西安理工大学
专利类型:发明专利
专利状态:已下证
专利领域: 发电、变电或配电
更新日期:2024-01-05
缴费截止日期: 暂无
价格&联系人
年费信息
委托购买

摘要:

权利要求书:

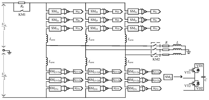
1.一种离网逆变电路启动中MMC子模块电容电压静态均衡控制方法,其特征在于,该控制方法包括以下步骤:步骤一:控制三相逆变电路中每一个MMC子模块中的开关管(VT1)开通、开关管(VT2)关断,以使所有的电容(C)处于充电状态;

步骤二:断开直流开关以使直流母线电压通过限流电阻(R0)施加于所有的电容(C),断开交流开关以切断与交流负载的连接,以对所有的MMC子模块的电容(C)同时进行不控预充电,其中,不控预充电的时间为第一预设时长;

步骤三:接入直流母线电压,通过限流电阻(R0)对三相逆变电路中的电容(C)进行可控预充电,其中,该可控预充电的时间为第二预设时长,且包括以下子步骤:通过电压传感器采集所有MMC子模块的电容(C)的当前电压值,将每一相的各MMC子模块按照对应的当前电压值从小到大进行排序并分为两组,其中,三相逆变电路中任意一相电路的所有电容(C)的数量为2N,当前电压值较小的N个MMC子模块为低电压组,当前电压值较大的N个MMC子模块为高电压组;

控制低电压组的MMC子模块处于投入状态,使得对应的电容(C)处于充电状态,即低电压组中的所有MMC子模块的开关管(VT1)开通、开关管(VT2)关断,控制高电压组的MMC子模块处于切除状态,切除对应的电容(C)充电,即高电压组中的所有MMC子模块的开关管(VT1)关断、开关管(VT2)开通;

接入直流母线电压,通过限流电阻(R0)对三相逆变电路中每一相的低电压组的N个MMC子模块的电容(C)进行充电;

按照一定的周期或频率重复执行上述各子步骤,以使经过第二预设时长的可控预充电后所有MMC子模块的电容(C)的当前电压值属于预设范围内,其中,所述预设范围为Udc为直流母线电压,ε为电容的电压波动系数,且0<ε<1;

步骤四:控制所有MMC子模块的开关管(VT1)开通、开关管(VT2)关断,以使各电容(C)处于充电状态;

步骤五:闭合直流开关和交流开关,以切除限流电阻(R0),并接入交流负载;

步骤六:启动逆变工况程序,使系统进入正常工作状态,系统整体启动完成。

2.根据权利要求1所述的离网逆变电路启动中MMC子模块电容电压静态均衡控制方法,其特征在于,计算第一预设时长的公式包括:(初始条件为: );

其中,取 t0为需要计算的第一预设时长,时间常数为τref=R0·

Ceq_ref,等效电容为Ceq_ref,t为响应时间,不控预充电等效电路的电压响应为 电流响应为 MMC子模块的电容的电压响应为 Cref为电容标称值。

3.根据权利要求1所述的离网逆变电路启动中MMC子模块电容电压静态均衡控制方法,其特征在于,计算第二预设时长的公式包括:其中,取 MMC子模块的电容的电压初始值取为

t-t0为需要计算的第二预设时长,t0为第一预设时长,Cref为电容标称值,t0为不控充电完成时的时间,t为响应时间,等效电容为C”eq,时间常数τ”=R0·C”eq,电压响应为 电流响应为 MMC子模块的电容电压响应为uc”(t)。