欢迎来到知嘟嘟! 联系电话:13336804447 卖家免费入驻,海量在线求购! 卖家免费入驻,海量在线求购!
知嘟嘟
我要发布
联系电话:13336804447
知嘟嘟经纪人
收藏
专利号: 2018112567834
申请人: 西安理工大学
专利类型:发明专利
专利状态:已下证
专利领域: 发电、变电或配电
更新日期:2024-01-05
缴费截止日期: 暂无
价格&联系人
年费信息
委托购买

摘要:

权利要求书:

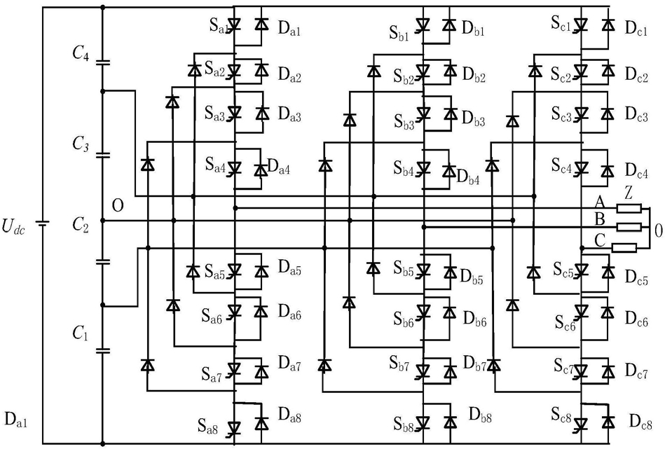
1.一种基于五段式五电平变换器SVPWM调制方法,其特征在于,具体按照以下步骤实施:

步骤1:判断参考电压矢量Uref所在的区域;

步骤2:计算各电压矢量Uref的作用时间;

步骤3:确定各电压矢量Uref对应开关状态的输出序列;

步骤4:根据输出三相开关状态的输出序列确定每相各管的开关情况。

2.根据权利要求1所述的一种基于五段式五电平变换器SVPWM调制方法,其特征在于,步骤1具体为:

步骤1.1:根据式(1)建立两相静止αβ坐标系,参考电压矢量Uref在该坐标系进行分解:其中θ为参考电压矢量Uref与α轴的夹角,θ取值0°-360°,在αβ坐标系中对Uref分别进行α轴和β轴的投影得到Uα、Uβ;

步骤1.2:根据式(2)在αβ坐标系基础上建立所有扇区及小区域严格对称的XYZ坐标系,其中X轴超前α轴30°,X、Y、Z轴互差60°:UX、UY、UZ为Uref分别在XYZ坐标系下在X轴、Y轴、Z轴的坐标分量;

步骤1.3:判断参考电压矢量Uref所在的大扇区,表1为大扇区判断条件:表1大扇区判断条件

其中:N1代表第一大扇区,N2代表第二大扇区……N6代表第六大扇区;

步骤1.4:判断参考电压矢量Uref所在的小扇区,在进行小扇区判断时,首先要确定参考矢量Uref所在大扇区;若已确定参考电压矢量Uref在第一扇区,其小扇区判断方法如下:每个小扇区的高为 分别将UX,UY,UZ与小扇区各个边长对应的高进行比较即可快速判断出Uref所在小扇区,若参考电压矢量Uref位于其他大扇区,只需将第一扇区判断过程中的的坐标系根据表2进行变换,表2不同扇区选用的坐标系以及虚拟时间

3.根据权利要求1所述的一种基于五段式五电平变换器SVPWM调制方法,其特征在于,步骤2计算各矢量的作用时间具体为:将参考电压矢量Uref分别在α轴、β轴上进行投影得到Uα、Uβ,然后根据参考矢量所在的空间位置,选取空间位置所对应最近的三个空间电压矢量参与合成,具体采用如下公式:式中,Ua、Ub、Uc分别为αβ坐标系下距离参考矢量最近的三个矢量的坐标,Ta、Tb、Tc分别为矢量Ua、Ub、Uc的作用时间,Ts为开关周期;

以第一大扇区为例,计算每个小扇区空间电压矢量的作用时间;设当参考电压矢量Uref位于3小扇区,根据就近原则,选取离3小扇区最近的三个电压矢量参与矢量合成,在一定时间内,三个空间电压矢量作用时间之和与参考电压矢量作用时间相等;则根据伏秒平衡原则,得

解得

因此,式(5)可化为:

表3其他小扇区对应的矢量作用时间

当参考矢量位于第一大扇区其他小扇区时采用相同的计算方法得到表3,其他大扇区各矢量的作用时间只需采用表2的方法将表3中的虚拟时间TX、TY、TZ替换即可。

4.根据权利要求1所述的一种基于五段式五电平变换器SVPWM调制方法,其特征在于:步骤3具体为:为抑制共模电压,在参考矢量合成时通过选择共模电压较小的开关状态从而实现抑制共模电压的效果,根据表4选取共模电压≤±2/12Udc的开关状态,表4二极管嵌位型五电平变换器开关状态与共模电压对应表当参考电压矢量处于第一扇区时,各小三角形输出开关序列具体情况如下:n1:322-222-221-222-322n2:322-321-311-321-322n3:322-321-221-321-322n4:332-331-321-331-332n5:411-311-310-311-411n6:421-321-311-321-421n7:421-321-320-321-421n8:431-331-321-331-431n9:431-331-330-331-431n10:411-410-400-410-411n11:411-410-310-410-411n12:421-420-410-420-421n13:421-420-320-420-421n14:431-430-420-430-431n15:431-430-330-430-431n16:441-440-430-440-441。

5.根据权利要求4所述的一种基于五段式五电平变换器SVPWM调制方法,其特征在于,步骤4具体为:根据输出三相开关状态确定最后每相各管的开关情况,具体对应关系为:x指三相开关状态a,b,c中任意一相,当x相输出状态为4时,Sx1、Sx2、Sx3、Sx4开通,Sx5、Sx6、Sx7、Sx8关断,x相输出状态为3时,Sx2、Sx3、Sx4、Sx5开通,Sx6、Sx7、Sx8、Sx1关断,x相输出状态为2时,Sx3、Sx4、Sx5、Sx6开通,Sx7、Sx8、Sx1、Sx2关断;x相输出状态为1时,Sx4、Sx5、Sx6、Sx7开通,Sx8、Sx1、Sx2、Sx3关断;x相输出状态为0时,Sx5、Sx6、Sx7、Sx8开通,Sx1、Sx2、Sx3、Sx4关断。