欢迎来到知嘟嘟! 联系电话:13336804447 卖家免费入驻,海量在线求购! 卖家免费入驻,海量在线求购!
知嘟嘟
我要发布
联系电话:13336804447
知嘟嘟经纪人
收藏
专利号: 2014104510304
申请人: 中国矿业大学
专利类型:发明专利
专利状态:已下证
专利领域: 发电、变电或配电
更新日期:2024-01-05
缴费截止日期: 暂无
价格&联系人
年费信息
委托购买

摘要:

权利要求书:

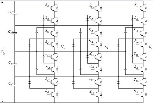
1.一种五电平逆变器七段式SVPWM调制方法,其特征在于,该方法的实现步骤是:(1)、判断输入参考电压矢量所在的大扇区;

(2)、通过坐标系变换实现扇区归一化;

(3)、确定参考电压矢量所在的小扇区,并判断小扇区的类型;

(4)、计算三个基本电压矢量的作用时间;

(5)、选择三个基本电压矢量产生共模电压小的开关状态;

(6)、根据选择的开关状态组成七段式开关序列;

(7)、将开关序列生成的PWM脉冲用于驱动五电平逆变器。

2.根据权利要求1所述的一种五电平逆变器七段式SVPWM调制方法,其特征在于,所述步骤(1)大扇区判断方法如下表所示: 。

3.根据权利要求1所述的一种五电平逆变器七段式SVPWM调制方法,其特征在于,所述步骤(2)通过坐标系变换实现扇区归一化,具体是指根据大扇区将参考电压矢量从直角坐标系变换到旋转的60°坐标系,实现扇区归一化,其变换公式为:其中 表示变换矩阵,表示大扇区号。

4. 根据权利要求1所述的一种五电平逆变器七段式SVPWM调制方法,其特征在于,所述步骤(3)确定参考电压矢量所在的小扇区,并判断小扇区的类型的方法为:取 和 的整数部分,

对于五电平逆变器,共有4种运行方式:欠调制的二电平、三电平和四电平及正常的五电平,相应的 取值为0,1,2,3;其计算公式为:确定小扇区的序号:

确定小扇区的类型:当 为奇数,则小扇区的类型 ;否则 。

5. 根据权利要求1所述的一种五电平逆变器七段式SVPWM调制方法,其特征在于,所述步骤(4) 三个基本电压矢量取自参考电压矢量所在小扇区的三个顶点,三个基本电压矢量的作用时间计算公式为:式中 ,即 和 的小数部分。

6.根据权利要求1所述的一种五电平逆变器七段式SVPWM调制方法,其特征在于,所述步骤(5)三个基本电压矢量产生共模电压小的开关状态的选择方法为:基本电压矢量的开关状态的个数为奇数,选择处于最中间的开关状态;基本电压矢量的开关状态的个数为偶数,选择处于最中间的两个开关状态。

7.根据权利要求1所述的一种五电平逆变器七段式SVPWM调制方法,其特征在于,所述步骤(6)组成七段式开关序列方法为:当小扇区的三个顶点总共有四个状态时,直接组成七段式;当小扇区的三个顶点总共有五个状态时,有两个顶点各自含有两个开关状态,参考电压矢量靠近的顶点选择两个开关状态。