欢迎来到知嘟嘟! 联系电话:13336804447 卖家免费入驻,海量在线求购! 卖家免费入驻,海量在线求购!
知嘟嘟
我要发布
联系电话:13336804447
知嘟嘟经纪人
收藏
专利号: 202010091038X
申请人: 广东工业大学
专利类型:发明专利
专利状态:已下证
专利领域: 发电、变电或配电
更新日期:2024-07-26
缴费截止日期: 暂无
价格&联系人
年费信息
委托购买

摘要:

权利要求书:

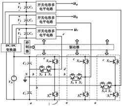
1.一种多电平变换系统,其特征在于,包括:直流电源VH、用于将直流电源VH的输出电压均分的第一电容器C1和第二电容器C2、i个用于电平变换的T型三电平电路1、DC/DC变换器、i个用于滤波的第三电容器C3及i个开关电容多电平电路;第一电容器C1的负极与直流电源VH的负极相连,第二电容器C2的正极与直流电源VH的正极相连,第一电容器C1的正极与第二电容器C2的负极相连于中性点N;DC/DC变换器的输入端连接直流电源VH,i个第三电容器C3中的任意一个均并联在DC/DC变换器的输出端,第k个开关电容多电平电路与第k个第三电容器C3并联连接;任意一个T型三电平电路1的第一输入端a连接直流电源VH的负极,第二输入端b连接中性点N,第三输入端c连接直流电源VH的正极,第k个T型三电平电路1的输出端d连接第k个开关电容多电平电路的第一输出端e,i表示正整数,k取1~i之间的正整数;所述DC/DC变换器将所述直流电源VH的输出电压Vh转换成直流电压VL,开关电容多电平电路将DC/DC变换器的输出直流电压VL转换成0、±VL、±2VL五种或0、±VL、±2VL、±3VL七种交流电压,T型三电平电路1将直流电源VH的输出电压Vh转换成±0.5Vh、0三种交流电压;当直流电源VH的输出电压Vh与所述DC/DC变换器的输出电压VL之比不同时,所述多电平变换系统输出的交流电压的种类不同;控制直流电源VH的输出电压Vh与所述DC/DC变换器的输出电压VL之比,能实现多电平变换系统输出的交流电压:当直流电源VH的电压Vh与DC/DC变换器的输出电压VL之比Vh:VL=6:1时,所述多电平变换系统输出0、±VL、±2VL、±3VL、±4VL和±5VL十一种交流电压;当直流电源VH的电压Vh与DC/DC变换器的输出电压VL之比Vh:VL=8:1时,所述多电平变换系统输出输出0、±VL、±2VL、±3VL、±4VL、±5VL、±6VL和±7VL十五种交流电压;当直流电源VH的电压Vh与DC/DC变换器的输出电压VL之比Vh:VL=10:1时,所述多电平变换系统输出0、±VL、±2VL、±3VL、±4VL、±5VL、±6VL、±7VL和±8VL十七种交流电压;当直流电源电压VH与所述DC/DC变换器的输出电压VL之比VH:VL=12:1时,所述多电平变换系统输出0、±VL、±2VL、±3VL、±4VL、±5VL、±6VL、±7VL、±8VL和±9VL十九种交流电压;当直流电源电压VH与所述DC/DC变换器的输出电压VL之比VH:VL=14:1时,所述多电平变换系统输出0、±VL、±2VL、±3VL、±4VL、±5VL、±6VL、±7VL、±8VL、±9VL和±10VL二十一种交流电压。2.根据权利要求1所述的多电平变换系统,其特征在于,所述多电平变换系统还包括为所述T型三电平电路1和开关电容多电平电路提供控制信号的控制器、驱动器;T型三电平电路1和开关电容多电平电路中均包括若干个全控开关管,驱动器连接控制器,将控制器产生的控制信号转换成驱动T型三电平电路1和开关电容多电平电路中全控开关管导通或关断的驱动信号。3.根据权利要求2所述的多电平变换系统,其特征在于,所述T型三电平电路1包括第一全控开关管S1、第二全控开关管S2、第三全控开关管S3和第四全控开关管S4;所述第一全控开关管S1的第一端为T型三电平电路1的第一输入端a,第二全控开关管S2的第二端为T型三电平电路1的第二输入端b,所述第一全控开关管S1的第二端分别与所述第二全控开关管S2的第一端、所述第三全控开关管S3的第二端连接,连接点为所述T型三电平电路1的输出端d,所述第三全控开关管S3的第一端与所述第四全控开关管S4的第一端相连,所述第四全控开关S4的第二端为所述T型三电平电路1的第三输入端c。4.根据权利要求2所述的多电平变换系统,其特征在于,所述开关电容多电平电路包括

第五全控开关管S5、第六全控开关管S6、第七全控开关管S7、第八全控开关管S8、第九全控开关管S9、第十全控开关管S10、第一二极管D3和第四电容器C4;所述第五全控开关管S5的第一端分别与所述第七全控开关管S7的第一端、第九全控开关管S9的第一端相连,连接点为开关电容多电平电路的第一输入端f,所述第五全控开关管S5的第二端分别连接所述第四电容器C4的负极及所述第六全控开关管S6的第一端,所述第六全控开关管S6的第二端与所述第一二极管D3的阳极相连并作为所述开关电容多电平电路的第二输入端g,所述第一二极管D3的阴极分别连接第四电容器C4的正极、第八全控开关管S8的第二端及第十全控开关管S10的第二端,所述第八全控开关管S8的第一端和所述第七全控开关管S7的第二端相连,并作为所述开关电容多电平电路的第一输出端e,所述第十全控开关管S10的第一端和所述第九全控开关管S9的第二端相连,并作为所述开关电容多电平电路的第二输出端h。5.根据权利要求4所述的多电平变换系统,其特征在于,所述开关电容多电平电路还包括第十一全控开关管S11、第十二全控开关管S12、第二二极管D4和第五电容器C5,所述第十一全控开关管S11的第一端分别连接所述第五全控开关S5的第一端及所述第二二极管D4的阴极,所述第二二极管D4的阳极分别与第七全控开关管S7的第一端、所述第九全控开关管S9的第一端、所述第五电容器C5的负极相连,所述第五电容器C5的正极分别与所述第十一全控开关管S11的第二端和所述第十二全控开关管S12的第一端连接,所述第十二全控开关管S12的第二端分别与所述第六全控开关管S6的第二端、第一二极管D3的阳极相连。6.根据权利要求5所述的多电平变换系统,其特征在于,所述第一二极管D3及第二二极管D4中的任意一个均能用全控开关管替代。7.根据权利要求2所述的多电平变换系统,其特征在于,所述全控开关管为N沟道电力场效应晶体管、P沟道电力场效应晶体管或绝缘栅双极型晶体管中的一种或任意组合。