欢迎来到知嘟嘟! 联系电话:13336804447 卖家免费入驻,海量在线求购! 卖家免费入驻,海量在线求购!
知嘟嘟
我要发布
联系电话:13336804447
知嘟嘟经纪人
收藏
专利号: 2018111019372
申请人: 西安理工大学
专利类型:发明专利
专利状态:已下证
专利领域: 发电、变电或配电
更新日期:2024-12-10
缴费截止日期: 暂无
价格&联系人
年费信息
委托购买

摘要:

权利要求书:

1.一种配电网等效序阻抗纵联保护方法,具体按照以下步骤实施:

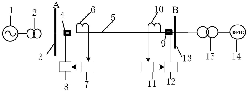
步骤1:通过含DFIG型风电机的配电网首端电压电流互感器(6)分别采集首端断路器(4)处的电压荷电流值,并将测得的电压和电流值分别传递到首端可编程处理器(7);通过末端电压电流互感器(10)分别采集末端断路器(4)处的电压和电流值,并将测得的电压和电流值分别传递到首端可末端可编程处理器(11),进行数据处理;

步骤2:首端可编程处理器(7)根据步骤1数据处理结果分别发出调控指令至首端断路器动作控制器(8)来控制首端断路器(4),末端可编程处理器(11)根据步骤1数据处理结果分别发出调控指令至末端断路器动作控制器(12)来控制末端断路器(9),实现DFIG型风机的配电网纵联保护。

2.根据权利要求1所述的一种配电网等效序阻抗纵联保护方法,所述步骤1进行数据处理具体过程为:

步骤1.1:然后对采集的电压和电流进行序分量分解,分别得到首端断路器(4)首端断路器(4)处的等效正序阻抗ZS1和等效负序阻抗ZS2、末端断路器(9)处的等效正序阻抗ZW1和等效负序阻抗ZW2,对末端断路器(9)处的等效正序阻抗ZW1和等效负序阻抗ZW2做比,记为ρDGf,对首端断路器(4)处的等效正序阻抗ZS1和等效负序阻抗ZS2做比,记为ρsf,步骤1.2:计算ρsf,ρDGf之间的比值,将比值与ρSET进行比较,ρSET为1.2,来实现线路的纵联保护:

1)当 判别为故障发生在线路之间,线路两端的保护装置动作,切断故障;

2)当 判别为故障发生在线路之外,线路两端的保护装置不动作。

3.根据权利要求2所述的一种配电网等效序阻抗纵联保护方法,所述等效正序阻抗ZW1和等效负序阻抗ZW2分别为等效正序阻抗ZW1为:

等效负序阻抗ZW2为:

式中,Rs、Rr分别为电机定子侧电阻和归算到定子侧的转子侧电阻;Xsσ、Xrσ分别为电机定子侧漏抗和归算到定子侧的转子漏抗;Xm为电机的励磁电抗;Rcr为撬棒电路电阻;s为转差率,转差率范围一般在0≤|s|≤1;Us1、Us2分别为电机机端正序电压和负序电压,j为虚数单位。

4.根据权利要求1所述的一种配电网等效序阻抗纵联保护方法,其特征在于,所述DFIG型风电机的配电网系统包括电源(1),所述电源(1)通过降压变压器(2)与第一母线(3)连接,所述第一母线(3)通过线路(5)与第二母线(13)相连,所述第二母线(13)处通过升压变压器(15)接有DFIG风电机(14);在所述第一母线(3)的出口处设置有首端断路器(4)和检测首端断路器(4)电压电流值的电压电流互感器(6),首端断路器(4)与首端断路器动作控制器(8)相连接,首端电压电流互感器(6)和首端断路器动作控制器(8)均与首端可编程处理器(7)连接;在所述第二母线(13)的出口处设置有末端断路器(9)和检测末端断路器(9)处电压电流值的末端电压电流互感器(10),末端断路器(9)与末端断路器动作控制器(12)相连接,末端电压电流互感器(10)和末端断路器动作控制器(12)均与末端可编程处理器(11)相连接。