欢迎来到知嘟嘟! 联系电话:13336804447 卖家免费入驻,海量在线求购! 卖家免费入驻,海量在线求购!
知嘟嘟
我要发布
联系电话:13336804447
知嘟嘟经纪人
收藏
专利号: 2017112660699
申请人: 西南交通大学
专利类型:发明专利
专利状态:已下证
专利领域: 发电、变电或配电
更新日期:2024-01-05
缴费截止日期: 暂无
价格&联系人
年费信息
委托购买

摘要:

权利要求书:

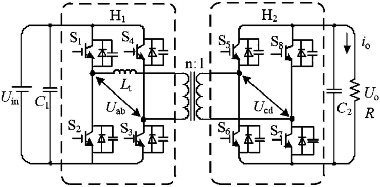
1.一种用于双有源全桥DC-DC变换器的模型预测单相移控制方法,其特征在于,包括:S1:根据双有源全桥DC-DC变换器输出电压的状态空间平均模型,构建输出电压的状态方程;

其中,为变换器在一个控制周期内输出电压的平均值,R为负载电阻,C2为输出侧电容,n为变压器的变比,D为变换器中的相移控制量,Lt为辅助电感,fs为开关频率,uin为变换器的输入电压;

S2:根据双有源全桥DC-DC变换器输出电压的状态空间平均模型,推导出输出电压的状态微分方程,并对微分方程中的微分项进行离散化处理,计算得到双有源全桥DC-DC变换器输出电压的预测值:其中,uo(k)为k时刻变换器输出电压的采样值,uo(k+1)为在k+1时刻变换器输出电压的预测值;

S3:以双有源全桥DC-DC变换器的输出电压预测值和参考值之差的平方构建目标评价函数J;

其中,U*o(k)为双有源全桥DC-DC变换器的输出电压的参考值;

S4:对所述目标评价函数J求导获取双有源全桥DC-DC变换器在模型预测控制策略下的优化相移量Dopt:其中,Δuo为双有源全桥DC-DC变换器的输出电压经过外环比例-积分控制器后的输出值;io(k)为k时刻变换器输出电流的采样值,uin(k)为k时刻变换器输入电压的采样值。

2.根据权利要求1所述的用于双有源全桥DC-DC变换器的模型预测单相移控制方法,其特征在于,构建所述双有源全桥DC-DC变换器输出电压的状态空间平均模型的方法为:将一个控制周期内变换器的工作状态分为四个阶段,并分别建立输出电压和电感电流的状态方程;结合四个阶段的输出电压和电感电流的状态方程,构建描述整个控制周期内的输出电压的状态空间平均模型。

3.根据权利要求1所述的用于双有源全桥DC-DC变换器的模型预测单相移控制方法,其特征在于,获取所述变换器输出电压的预测值方法包括:对所述输出电压的状态微分方程进行离散处理:

其中,tk和tk+1分别为第k个控制周期与第k+1个控制周期;Ts为开关周期;

再根据离散处理后的方程,计算得到双有源全桥DC-DC变换器输出电压的预测值。

4.根据权利要求1所述的用于双有源全桥DC-DC变换器的模型预测单相移控制方法,其特征在于,获取双有源全桥DC-DC变换器在模型预测控制策略下的优化相移量Dopt的方法包括:对所述目标评价函数J求导,并对求导后得到的相移量进行补偿,进而计算得到双有源全桥DC-DC变换器在模型预测控制下的优化相移量Dopt其中,a为中间变量,且