欢迎来到知嘟嘟! 联系电话:13336804447 卖家免费入驻,海量在线求购! 卖家免费入驻,海量在线求购!
知嘟嘟
我要发布
联系电话:13336804447
知嘟嘟经纪人
收藏
专利号: 2017112663945
申请人: 西南交通大学
专利类型:发明专利
专利状态:已下证
专利领域: 发电、变电或配电
更新日期:2024-01-05
缴费截止日期: 暂无
价格&联系人
年费信息
委托购买

摘要:

权利要求书:

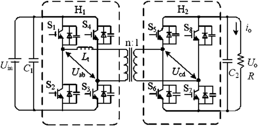
1.一种双有源全桥DC-DC变换器的电流应力优化双相移控制方法,其特征在于,包括:S1:根据双有源全桥DC-DC变换器输出电压的平均模型,构建变换器输出电压的状态平均空间方程:其中,C2为输出侧电容,Uo为输出电压,f为开关频率,L为辅助电感,R为负载电阻,Uin为变换器的输入电压,D1、D2分别为变换器在双重相移控制下的内相移量和外相移量;

S2:对所述变换器输出电压的状态平均空间方程进行离散化处理,并根据离散化处理后的变换器输出电压的状态平均空间方程,计算得到变换器在下一个控制周期内输出电压的预测值:其中,Uo(tk)、Uin(tk)、io(tk)分别为tk时刻变换器的采样输出电压、输入电压和输出电流;Uo(tk+1)为tk+1时刻所预测的变换器输出电压;

S3:根据拉格朗日函数和变换器在双重相移控制下的功率模型,计算得到变换器在电流应力优化控制策略下的内相移量D1:其中,p0为变换器的传输功率,k为电压转换比;

S4:根据预测输出电压和参考输出电压构建评价函数J:

其中,Uo*(tk)为变换器的参考输出电压;

对评价函数J进行求导处理,计算得到变换器在电流应力优化双重相移预测控制策略下的外相移量D2:其中,ΔUo(tk)为tk时刻变换器的输出电压经过外环比例-积分PI控制器的输出值。

2.根据权利要求1所述的双有源全桥DC-DC变换器的电流应力优化双相移控制方法,其特征在于,构建所述双有源全桥DC-DC变换器输出电压的状态平均空间方程的方法包括:根据H桥输出电压和电感电流波形的对称性,在半个周期内,将变换器的工作状态分为四个阶段;针对每一种工作状态,分别建立输出电压的状态方程:其中,iL1,iL2,iL3,iL4分别表示各个阶段内电感电流的平均值,Ths为开关周期的一半;根据输出电压在四个阶段的状态方程,按照等效时间平均原则,构建所述输出电压的状态平均空间方程。

3.根据权利要求1所述的双有源全桥DC-DC变换器的电流应力优化双相移控制方法,其特征在于:获取所述双有源全桥DC-DC变换器的预测输出电压的方法为:采用欧拉前向法对变换器输出电压的状态平均空间方程中输出电压的微分项进行离散处理,获得变换器在下一个控制周期内的预测输出电压。

4.根据权利要求1所述的双有源全桥DC-DC变换器的电流应力优化双相移控制方法,其特征在于,获取所述变换器在电流应力优化双重相移预测控制策略下的外相移量D2的方法为:以双有源全桥DC-DC变换器输出电压与参考电压之差的平方构建目标函数,并对目标函数求导,令其导数为零得到外相移量,对所述外相移量进行补偿,得到双有源全桥DC-DC变换器的外相移量D2:其中, a1为中间变量。

5.根据权利要求1所述的双有源全桥DC-DC变换器的电流应力优化双相移控制方法其特征在于,所述拉格朗日函数定义为:E=Imax+λ(p-p*)

*

其中,E表示拉格朗日函数,λ为拉格朗日乘子,p为变换器的给定功率,Imax为变换器的电流应力标幺值。