欢迎来到知嘟嘟! 联系电话:13336804447 卖家免费入驻,海量在线求购! 卖家免费入驻,海量在线求购!
知嘟嘟
我要发布
联系电话:13336804447
知嘟嘟经纪人
收藏
专利号: 2016104514380
申请人: 杭州电子科技大学
专利类型:发明专利
专利状态:已下证
专利领域: 发电、变电或配电
更新日期:2024-02-26
缴费截止日期: 暂无
价格&联系人
年费信息
委托购买

摘要:

权利要求书:

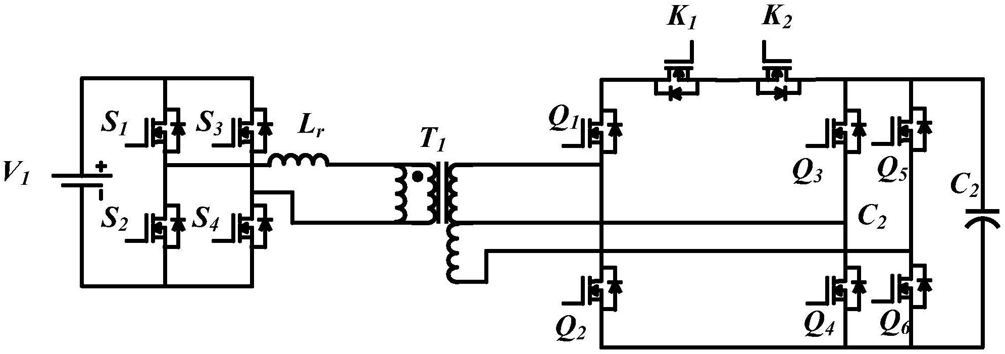
1.基于三绕组变压器的隔离型双有源全桥DC-DC变换器,其特征在于:在传统隔离型双向有源全桥DC-DC变换器电路的基础上,通过一台三绕组变压器及低压侧两个全桥输出端的并联来实现。

2.根据权利要求1所述的基于三绕组变压器的隔离型双有源全桥DC-DC变换器,其特征在于:第一开关管S1、第二开关管S2、第三开关管S3、第四开关管S4、第五开关管Q1、第六开关管Q2、第七开关管Q3、第八开关管Q4、第九开关管K1、第十开关管K2、第十一开关管Q5、第十二开关管Q6、三绕组变压器T1、极性电容C2、第一电感Lr和电源V1;

所述的第一开关管S1的漏极、第三开关管S3的漏极、电源V1的正极连接,第二开关管S2的源极与第四开关管S4的源极、电源V1的负极连接,第一开关管S1的源极、第二开关管S2的漏极、第一电感Lr的一端相连,第一电感Lr的另一端与三绕组变压器T1原边的一端相连,三绕组变压器T1原边的另一端、第三开关管S3的源极、第四开关管S4的漏极相连;三绕组变压器T1副边侧的第一抽头、第五开关管Q1的源极、第六开关管Q2的漏极相连,第五开关管Q1的漏极、第九开关管K1的漏极相连,第九开关管K1的源极、第十开关管K2的源极相连,第十开关管K2的漏极、第七开关管Q3的漏极、第十一开关管Q5的漏极、极性电容C2的正极相连,作为变压器副边侧电源的正极,三绕组变压器T1副边侧的第二抽头、第七开关管Q3的源极、第八开关管Q4的漏极相连,三绕组变压器T1副边侧的第三抽头、第十一开关管Q5的源极、第十二开关管Q6的漏极相连,第六开关管Q2的源极、第八开关管Q4的源极、第十二开关管Q6的源极、极性电容C2的负极相连,作为变压器副边侧电源的负极。