欢迎来到知嘟嘟! 联系电话:13336804447 卖家免费入驻,海量在线求购! 卖家免费入驻,海量在线求购!
知嘟嘟
我要发布
联系电话:13336804447
知嘟嘟经纪人
收藏
专利号: 2016109135037
申请人: 徐州工程学院
专利类型:发明专利
专利状态:已下证
专利领域: 测量;测试
更新日期:2025-03-27
缴费截止日期: 暂无
价格&联系人
年费信息
委托购买

摘要:

权利要求书:

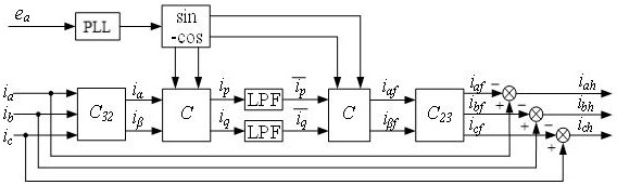
1.一种有源电力滤波器谐波电流检测方法,其特征在于:该方法包括以下步骤:步骤一:采集公共连接点处的三相电网电压、负载侧的三相相电流以及有源电力滤波器的直流侧电容电压;

步骤二:依据采集到的公共连接点处的三相电网电压,利用坐标变换法获得基波正序电压信号,在对公共连接点三相电网电压和负载侧的三相相电流,进行Clark变换和Park变换,并利用瞬时无功理论,计算出负载从电网侧吸收的平均有功功率pavg和有源电力滤波器工作的平均损耗ploss;

其中,利用坐标变换法获得基波正序电压信号具体方法如下:

同步参考坐标系下的n次谐波电压可表示为:

式中,edn、eqn—n次谐波直轴和交轴分量;

edn、eqn又进而可表示为:

式中, —n次谐波对应的直流分量,即n次谐波中的平衡分量; —n次谐波对应的交流分量,即n次谐波中的不平衡分量;

因此,在静止同步参考系下n次谐波中的平衡分量e′sn可表示为:步骤三:对采集到的公共连接点三相电网电压送入有效值处理模块处理,构造一个满足电网电流谐波畸变率和电网电压谐波畸变率限制的拉格朗日目标函数,通过求解该目标函数获得有源电力滤波器的视在功率最小值,从而求得电导因子Gn,进而求得目标电网电流;

步骤四:将目标电网电流与三相负载侧电流做差并取反就能够得到补偿电流指令值,经过指令电流跟踪控制电路计算就能获得系统需要补偿的无功功率;

步骤五:电流跟踪控制电路以补偿电流指令值作为参考信号,通过指令电流跟踪控制电路和电压空间矢量调制模块得到主电路的驱动信号;最后在PWM脉冲驱动信号的控制下,使得主电路产生系统所需的补偿电流。

2.根据权利要求1所述的一种有源电力滤波器谐波电流检测方法,其特征在于,步骤三中的目标电网电流的具体实现方式为:所述目标电网电流的检测包括两个部分:其一,采用基于坐标变换和瞬时无功理论的提取方法,满足三相电网电压平衡时控制需求;

其二,当在三相电网电压不平衡系统中,通过在网侧电压与补偿后网侧电流之间引入电导因子Gn,根据有源电力滤波器稳定工作时,系统功率守恒原则,来构造一个满足功率守恒及谐波畸变率限制条件的拉格朗日函数;再通过对该函数进行求解,得出目标电网电流。

3.根据权利要求1所述的一种有源电力滤波器谐波电流检测方法,其特征在于:三相电网电压公共连接点的电压表示为:

式中:χ=a,b,c;h=最高谐波次数;Exn—各次谐波电压的有效值;φxn—各次谐波电压的初相角;

负载侧三相电流表示为:

式中:θ为锁相环锁相角度,Δθ=θ-ωt,C23=C32-1,In、 为各次电流的有效值与初相角,ip为电流有功分量, 为ip的直流分量,有源电力滤波器的直流侧电容电压为:

Udc≥3esx                       (c)。

4.根据权利要求3所述的一种有源电力滤波器谐波电流检测方法,其特征在于:对正序电压进行分离,公共连接点处电压的平衡分量可表示为式:

其中:e′sxn—不平衡电压中提取出的n次电压平衡分量。

5.根据权利要求4所述的一种有源电力滤波器谐波电流检测方法,其特征在于:在有源电力滤波器补偿系统中,完全谐波消除是将负载谐波完全补偿,得到与网侧基波电压同相位的、标准正弦的电网电流;单位功率因数补偿是以高功率因数为目的,得到与实际电网电压同相位的网侧电流,即电压与电流同步,当电网不对称甚至存在畸变时,此时电网电流同样含有相应次数的谐波;

为了表明网侧电压与补偿后网侧电流之间的关系,引入电导因子Gn;

HF为完全谐波消除,UPF为单位功率因数补偿,由于提取出的电压分量以及目标电网电流值是三相对称的,因此三相选取相同的电导因子Gn。

6.根据权利要求5所述的一种有源电力滤波器谐波电流检测方法,其特征在于,根据有源电力滤波器功率守恒原则能够得到:其中,pavg—负载平均有功功率,根据瞬时功率原理由三相负载电流和电网电压获得;

ploss—有源电力滤波器工作的平均损耗,用于稳定有源电力滤波器直流侧电压;E′sn—n次谐波电压中平衡分量的有效值,当n=1,E′s1表示基波正序电压有效值,E′sn的计算式为,式中,edn、eqn—n次谐波直轴和交轴分量, —n次谐波对应的直流分量,即n次谐波中的平衡分量。

7.根据权利要求6所述的一种有源电力滤波器谐波电流检测方法,其特征在于:通过引入电量谐波畸变率限值,用THDio、THDie表示系统实际的电流奇、偶次谐波畸变率,THDvo、THDve表示系统实际的电压奇、偶次谐波畸变率,构造出目标函数,此值为视在功率的平方值:其中,

8.根据权利要求7所述的一种有源电力滤波器谐波电流检测方法,其特征在于:当带载情况一定时,求出一个系统在满足功率守恒及谐波畸变率限制条件下的最小视在功率,视在功率越小,则功率因数越高;功率最小值的求法通过构建拉格朗日函数求条件极值获得电导因子Gn,其中,THDiomax、THDiemax为奇、偶次谐波电流畸变率上限,将式(i)带入式(e)中,得出目标电网电流,与负载电流做差并取反就能得到补偿电流指令值。

9.根据权利要求8所述的一种有源电力滤波器谐波电流检测方法,其特征在于:所述THDiomax和THDiemax的选取,满足下列条件:式中THDiostd和THDiestd分别为国标限制的电网电流谐波畸变率。