欢迎来到知嘟嘟! 联系电话:13336804447 卖家免费入驻,海量在线求购! 卖家免费入驻,海量在线求购!
知嘟嘟
我要发布
联系电话:13336804447
知嘟嘟经纪人
收藏
专利号: 2016102790723
申请人: 郑州航空工业管理学院
专利类型:发明专利
专利状态:已下证
专利领域: 发电、变电或配电
更新日期:2024-01-05
缴费截止日期: 暂无
价格&联系人
年费信息
委托购买

摘要:

权利要求书:

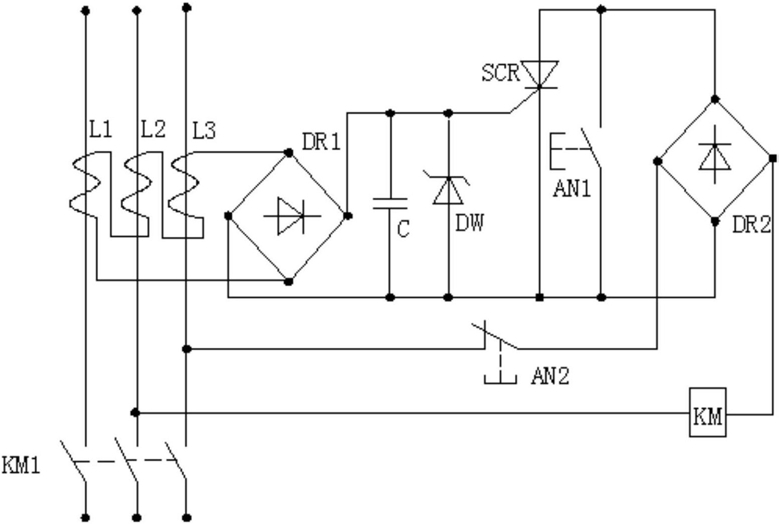
1.一种电力谐波检测装置,其特征在于:包括第一电感、第二电感、第三电感、第一整流器、第二整流器、电容、稳压管、可控硅、第一按钮开关、第二按钮开关和接触器,所述第一电感、所述第二电感和所述第三电感分别与三相电源的三个电缆感应连接,所述第一电感至所述第三电感串联接连接,串联后的所述第一电感至第三电感的两端与所述第一整流器的两个输入端连接,所述第二整流器的两个输入端分别通过所述第二按钮开关和所述接触器连接在三相电源的任意两相上,所述接触器的常闭开关连接在三相电源上,所述第一整流器的正极输出端同时与所述电容的第一端、所述稳压管的负极和所述可控硅的控制端连接,所述第一整流器的负极输出端同时与所述电容的第二端、所述稳压管的正极、所述可控硅的负极、所述第一按钮开关的第一端和所述第二整流器的负极连接,所述第二整流器的正极同时与所述可控硅的正极和所述第一按钮开关的第二端连接;

电容C为300uf、稳压管DW型号为2CW1、第一整流器DR1和第二整流器DR2型号均为IN4001、可控硅SCR型号为KP1A/800V、第一电感L1至第三电感L3均为2mm绕制5匝而成。