欢迎来到知嘟嘟! 联系电话:13095918853 卖家免费入驻,海量在线求购! 卖家免费入驻,海量在线求购!
知嘟嘟
我要发布
联系电话:13095918853
知嘟嘟经纪人
收藏
专利号: 2015110294557
申请人: 浙江大学
专利类型:发明专利
专利状态:已下证
专利领域: 测量;测试
更新日期:2023-08-24
缴费截止日期: 暂无
价格&联系人
年费信息
委托购买

摘要:

权利要求书:

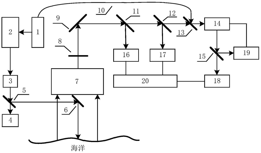
1.探测海洋浮游植物生物量和POC的激光雷达装置,其特征在于包括偏振高光谱分辨率激光雷达系统,且所述的偏振高光谱分辨率激光雷达系统工作在倍频,包括发射系统、接收系统、锁频系统、数据采集及处理系统;发射系统包括基频单纵模连续激光器、倍频单纵模脉冲激光器、扩束器、光电探测器、分光镜、反射镜;接收系统包括望远镜、窄带滤波片、反射镜、偏振分光棱镜、分光镜、两个倍频/基频二向色分光镜、干涉鉴频器和三个光电探测器;锁频系统包括基频单纵模连续激光器、单模光纤、干涉鉴频器、两个倍频/基频二向色分光镜和光电探测器;基频单纵模连续激光器发出的连续光经倍频后在倍频单纵模脉冲激光器中发生谐振,使倍频单纵模脉冲激光器发射的脉冲光具有单模特性;脉冲光经扩束镜后由分光镜分为两路,较弱透射光由光电探测器监视出射的光强变化,较强反射光在望远镜下方经反射镜后射入海洋;望远镜收集海洋的回波信号后由窄带滤光片滤除背景光,经反光镜导入分光系统;回波信号由偏振分光镜分为正交的两束偏振光,与出射激光偏振方向垂直的一路信号由分光系统中的一个光电探测器接收,称为垂直混合通道;与出射激光偏振方向平行的一路信号由分光器分为两束光,一束光由分光系统的另一个光电探测器接收,称为平行混合通道;另一束光透过其中一个倍频/基频二向色分光镜后,经干涉鉴频器滤除海洋颗粒米散射信号,透过海洋布里渊分子散射信号,再透过另一个倍频/基频二向色分光镜由分光系统的再一个光电探测器接收,称为平行分子通道;利用单模光纤将基频种子激光器发射的连续光射向倍频/基频二向色分光镜(13),经倍频/基频二向色分光镜(13)反射入干涉鉴频器,由倍频/基频二向色分光镜(15)反射被光电探测器(19)接收,并反馈给干涉鉴频器使其锁定于倍频单纵模脉冲激光器;分光系统的三个光电探测器得到的光信号由数据采集及处理系统进行光电转换、采集和数字化,并将其进行海洋浮游植物生物量和POC的反演分析。

2.根据权利要求1所述的探测海洋浮游植物生物量和POC的激光雷达装置,其特征在于当系统为非偏振的高光谱分辨率激光雷达时,包括发射系统、接收系统、锁频系统、数据采集及处理系统;发射系统包括基频单纵模连续激光器、倍频单纵模脉冲激光器、扩束器、光电探测器、分光镜、反射镜;接收系统包括望远镜、窄带滤波片、反射镜、偏振分光棱镜、分光镜、两个倍频/基频二向色分光镜、干涉鉴频器和三个光电探测器;锁频系统包括基频单纵模连续激光器、单模光纤、干涉鉴频器、两个倍频/基频二向色分光镜和光电探测器;基频单纵模连续激光器发出的连续光经倍频后在倍频单纵模脉冲激光器中发生谐振,使倍频单纵模脉冲激光器发射的脉冲光具有单模特性;脉冲光经扩束镜后由分光镜分为两路,较弱透射光由光电探测器监视出射的光强变化,较强反射光在望远镜下方经反射镜后射入海洋;

望远镜收集海洋的回波信号后由窄带滤光片滤除背景光,经反光镜导入分光系统;回波信号由分光器(12)分为两束光,一束光由分光系统的一个光电探测器(17)接收,称为混合通道;另一束光透过倍频/基频二向色分光镜(13)后,经干涉鉴频器滤除海洋颗粒米散射信号,透过海洋布里渊分子散射信号,并透过倍频/基频二向色分光镜(15)由分光系统的另一个光电探测器(18)接收,称为分子通道;利用单模光纤将基频种子激光器发射的连续光射向倍频/基频二向色分光镜(13),经倍频/基频二向色分光镜(13)反射入干涉鉴频器,由倍频/基频二向色分光镜(15)反射被光电探测器(19)接收,并反馈给干涉鉴频器使其锁定于倍频单纵模脉冲激光器;分光系统的两个光电探测器得到的光信号由数据采集及处理系统进行光电转换、采集和数字化,并将其进行海洋浮游植物生物量和POC的反演分析。

3.根据权利要求1或2所述的探测海洋浮游植物生物量和POC的激光雷达装置,其特征在于所述的两个倍频/基频二向色分光镜和干涉鉴频器为接收系统和锁频系统共用;当系统的激光波长不存在基频和倍频的关系时,系统没有基频单纵模连续激光器,倍频/基频二向色分光镜改为偏振分光棱镜,倍频单纵模脉冲激光器发射的脉冲光的偏振方向经1/4波片旋转90°后引入锁频系统。

所述的基频单纵模连续激光器采用频宽不大于150MHz的单纵模连续激光器;

所述的倍频单纵模脉冲激光器采用频宽不大于150MHz的单纵模脉冲激光器;

所述的发射系统中的光电探测器(4)和锁频系统中的光电探测器(19)均为高速响应的光电探测器;

所述的反射镜(6)和望远镜为决定船载激光雷达重叠因子的主要部件,满足船载激光雷达重叠因子盲区不大于3米的条件;所述的望远镜为短焦望远镜,其接收角不小于

10mrad,且具有一定范围的调节能力;当所述的反射镜(6)与望远镜为共轴时,反射镜(6)的直径小于望远镜的1/2;当所述的反射镜(6)与望远镜为离轴时,反射镜(6)与望远镜的间距尽量小,且倾斜反射镜(6),使出射激光与望远镜的光轴夹角在平行方向上的分量接近望远镜接收角的1/2,且激光偏向望远镜一侧。

当激光雷达为机载时,重叠因子的决定部件包括反射镜和望远镜;所述的望远镜为长焦大口径望远镜,其接收角较小,且具有一定范围的调节能力;所述的反射镜与望远镜处于离轴或共轴位置,使激光雷达的重叠因子在海洋中为1。

所述的窄带滤波片为带宽较窄的带通光学滤波器,在倍频±3nm透射;

所述的干涉鉴频器为具有高光谱分辨率的干涉仪,当激光雷达为船载时,干涉鉴频器对入射光角度不敏感,如共焦Fabry-Perot干涉仪或视场展宽迈克尔逊干涉仪;当激光雷达为机载时,干涉鉴频器选择Fabry-Perot干涉仪或视场展宽迈克尔逊干涉仪;

所述的分光系统中的三个光电探测器均有高响应速度和高灵敏度。

4.根据权利要求1所述的探测海洋浮游植物生物量和POC的激光雷达装置的反演方法,其特征在于包括以下步骤:步骤1、根据上述的偏振高光谱分辨率激光雷达系统的散射信号,反演海洋表观光学参数:散射角为π时的颗粒体积散射方程βp和有效衰减系数Kd;由偏振高光谱分辨率激光雷达望远镜收集的信号强度可以写为其中,P0为脉冲能量,α为空气的消光系数,TO和TS分别为激光雷达系统和海水表面的透射率,G为重叠因子,n为海水折射率,v为真空中的光速,τ0为脉冲宽度,Ar为望远镜有效面积,H为望远镜距离海面的距离,z为光在水中传播的距离,βm为散射角为π时的分子体积散射方程;公式(1)可以被简化为,B=(βm+βp)·exp(-2τ),  (2)

其中,B=[[P·(nH+z)2]]/(C·G),常数 光学厚度

进入偏振高光谱分辨率激光雷达系统的垂直混合通道、平行混合通道和平行分子通道的信号分别为其中,上标⊥和□分别表示垂直和平行方向,Tm和Tp分别为滤波器对分子和颗粒散射光的透过率;根据公式(3)、(4)和(5)推导得到平行方向的颗粒体积散射方程其中, 是分子后向散射消偏系数, 垂直方向的颗粒体积散射方程为

其中, 为总后向散射消偏系数;颗粒的体积散射方程表示为公式(6)与(7)之和有效衰减系数写为步骤2、根据散射角为π时的颗粒体积散射方程βp和有效衰减系数Kd,反演海水的固有光学参数:颗粒后向散射系数bbp和颗粒光束衰减系数cp;

颗粒后向散射系数bbp与散射角为π时的颗粒体积散射方程βp的关系表示为bbp=2πχp(π)βp,  (10)其中,转换因子χp(π)由光束衰减系数估算

χp(π)=χ1c+χ2,  (11)

其中,χ1和χ2为常系数,颗粒光束衰减系数cp由光束衰减系数c去除水的光束衰减系数cw得到cp=c-cw,  (12)

其中,c能够利用多次散射系数η表示

c=Kd/η.  (13)

由于多次散射会导致退偏,多次散射系数表示为

其中,ω=(βm+βp)/Kd为总的散射消光比, 为后向散射消偏系数;

步骤3、根据固有光学参数bbp和cp反演生物泵组分:浮游植物生物量和POC;

浮游植物生物量Cphyto分别由bbp和cp表示如下:

Cphyto=k1(bbp-k2),  (15)

Cplyto=γ1(cp+γ2).  (16)

颗粒有机碳POC分别由bbp和cp表示如下

其中,k1、k2、γ1、γ2、l1、l2、 和 为常系数。

5.根据权利要求2所述的探测海洋浮游植物生物量和POC的激光雷达装置的反演方法,其特征在于包括以下步骤:步骤4、根据上述的非偏振高光谱分辨率激光雷达系统散射信号,反演海洋表观光学参数:散射角为π时的颗粒体积散射方程βp和有效衰减系数Kd;由海洋激光雷达望远镜收集的信号强度可以写为其中,P0为脉冲能量,α为空气的消光系数,TO和TS分别为激光雷达系统和海水表面的透射率,G为重叠因子,n为海水折射率,v为真空中的光速,τ0为脉冲宽度,Ar为望远镜有效面积,H为望远镜距离海面的距离,z为光在水中传播的距离,βm为散射角为π时的分子体积散射方程,Kd为海水的有效衰减系数;公式(19)可以被简化为,B=(βm+βp)·exp(-2τ),  (20)

其中,B=[[P·(nH+z)2]]/(C·G),常数 光学厚度

进入非偏振高光谱分辨率激光雷达系统的混合通道和分子通道的信号分别表示为Bc=(βm+βp)·exp(-2τ),  (21)Bm=(Tmβm+TPβp)·exp(-2τ).  (22)

颗粒的体积散射方程表示为

有效衰减系数写为

步骤5、根据散射角为π时的颗粒体积散射方程βp和有效衰减系数Kd,反演海水的固有光学参数:颗粒后向散射系数bbp和颗粒光束衰减系数cp;

颗粒后向散射系数bbp与散射角为π时的颗粒体积散射方程βp的关系表示为bbp=2πχp(π)βp,  (25)其中,转换因子χp(π)由光束衰减系数估算

χp(π)=χ1c+χ2,  (26)

其中,χ1和χ2为常系数,颗粒光束衰减系数cp由光束衰减系数c去除水的光束衰减系数cw得到cp=c-cw,  (27)

其中,c的信息包含于有效衰减系数中

Kd=K′+(c-K′)exp(-0.85cD),  (28)

其中,K′为漫衰减系数,D为望远镜投影在海水上的视场大小。通过改变望远镜接收角,c的大小能够由参数Kd-D的曲线拟合求出。在外海,光束衰减系数能够近似为c≈Kd/(1-ω),其中,ω=(βm+βp)/Kd为总的散射消光比。

步骤6、根据固有光学参数bbp和cp反演生物泵组分:浮游植物生物量和POC;

浮游植物生物量Cphyto分别由bbp和cp表示如下:

Cphyto=k1(bbp-k2),  (29)

Cplyto=γ1(cp+γ2),  (30)

颗粒有机碳POC分别由bbp和cp表示如下

其中,k1、k2、γ1、γ2、l1、l2、 和 为常系数。