欢迎来到知嘟嘟! 联系电话:13336804447 卖家免费入驻,海量在线求购! 卖家免费入驻,海量在线求购!
知嘟嘟
我要发布
联系电话:13336804447
知嘟嘟经纪人
收藏
专利号: 2015101376488
申请人: 西南交通大学
专利类型:发明专利
专利状态:已下证
专利领域: 发电、变电或配电
更新日期:2024-01-05
缴费截止日期: 暂无
价格&联系人
年费信息
委托购买

摘要:

权利要求书:

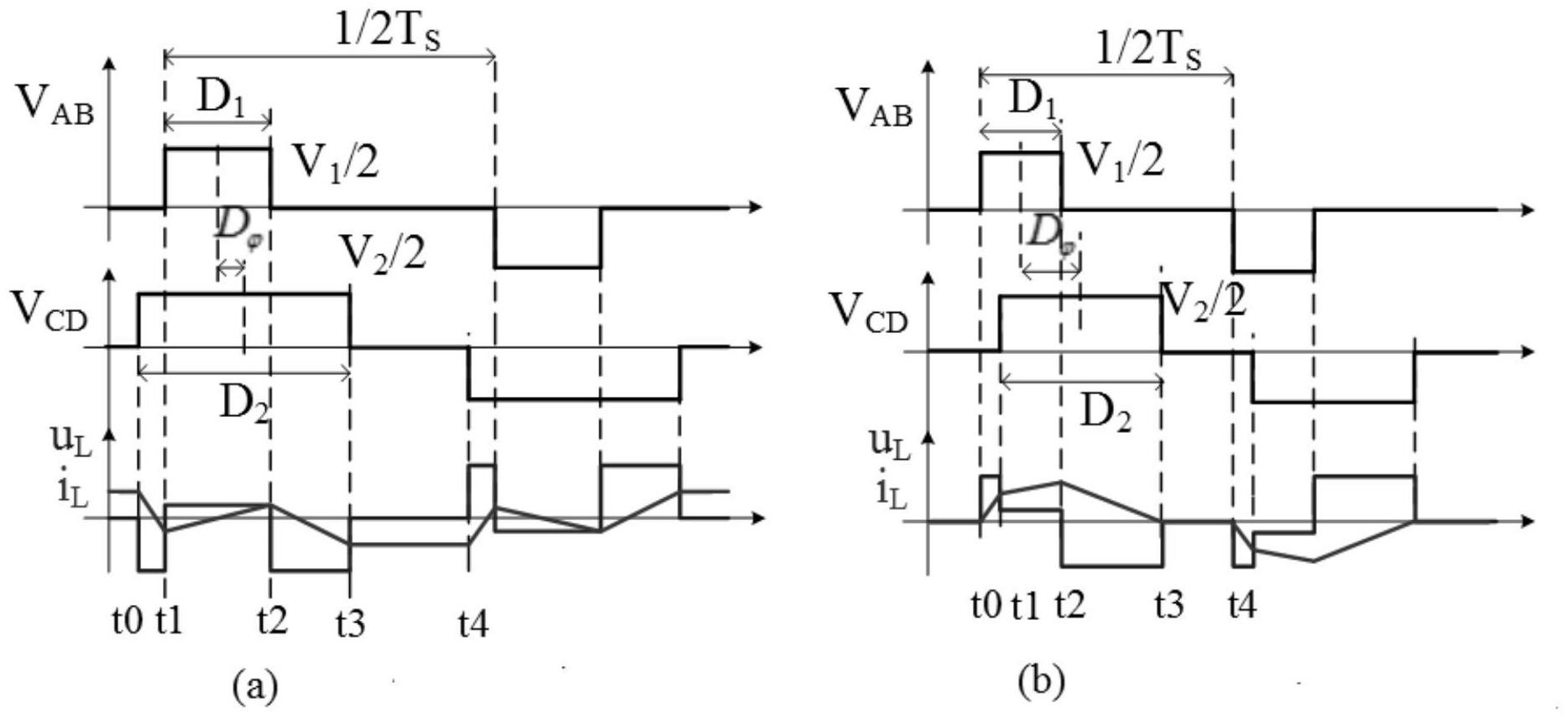
1.一种双向半桥三电平DC-DC变换器电流有效值最小化控制方法,双向半桥三电平DC-DC变换器的拓扑结构中有三个控制量可控制,分别是一次侧桥臂中点电压占空比D1、二次侧桥臂中点电压占空比D2和一、二次侧桥臂中点电压之间的移相比 协调控制D1、D2和使变换器在满足传输负载所需功率的前提下同时实现电流有效值最小化控制,其主要实施步骤如下:a)、控制器的电压控制模块通过对负载侧电压V2和参考电压V2ref的误差进行反馈控制,得到移相比b)、读入a)结果,查找表模块根据如下规则得到一次侧桥臂电压的占空比D1和二次侧桥臂电压的占空比D2:当 的范围在 时,

当 的范围在 时,

当 的范围在 时,D1=1,D2=1;

其中, n为变压器变比,V1为输入侧电压;

c)、将步骤a)、b)得到的 D1和D2输入开关信号产生模块,产生相应的开关信号,控制主电路中开关器件的通断。