欢迎来到知嘟嘟! 联系电话:13336804447 卖家免费入驻,海量在线求购! 卖家免费入驻,海量在线求购!
知嘟嘟
我要发布
联系电话:13336804447
知嘟嘟经纪人
收藏
专利号: 2015101376469
申请人: 西南交通大学
专利类型:发明专利
专利状态:已下证
专利领域: 发电、变电或配电
更新日期:2024-01-05
缴费截止日期: 暂无
价格&联系人
年费信息
委托购买

摘要:

权利要求书:

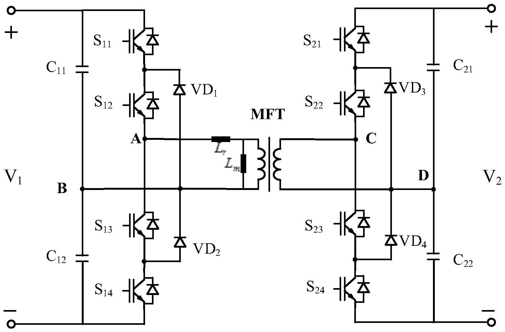
1.一种双向半桥三电平DC-DC变换器环流功率最小的优化控制方法,控制器在双向半桥三电平DC-DC变换器每个桥臂的中点电压输出正、负和零三个电平,变换器的传输功率受零电平作用时间1-D1和一、二次侧中点电压之间的移相比 影响,通过协调控制零电平作用时间1-D1和移相比 在满足负载所需功率的前提下,实现环流功率最小的优化控制,包含如下步骤:a)、控制器的电压控制模块通过对负载侧电压(V2)和参考电压(V2ref)的误差进行反馈控制,得到移相比b)、读入a)结果,根据如下规则得到两侧桥臂中点电压的占空比D1的值:当 的范围在 时,D1取:

当 的范围在 时,D1取:

当 的范围在 时,D1取:

当 的范围在 时,D1取:

c)、将步骤a)、b)得到的 和D1输入开关信号产生模块,产生相应的开关信号,控制主电路中开关器件的通断。