欢迎来到知嘟嘟! 联系电话:13336804447 卖家免费入驻,海量在线求购! 卖家免费入驻,海量在线求购!
知嘟嘟
我要发布
联系电话:13336804447
知嘟嘟经纪人
收藏
专利号: 2015101364762
申请人: 西南交通大学
专利类型:发明专利
专利状态:已下证
专利领域: 发电、变电或配电
更新日期:2024-01-05
缴费截止日期: 暂无
价格&联系人
年费信息
委托购买

摘要:

权利要求书:

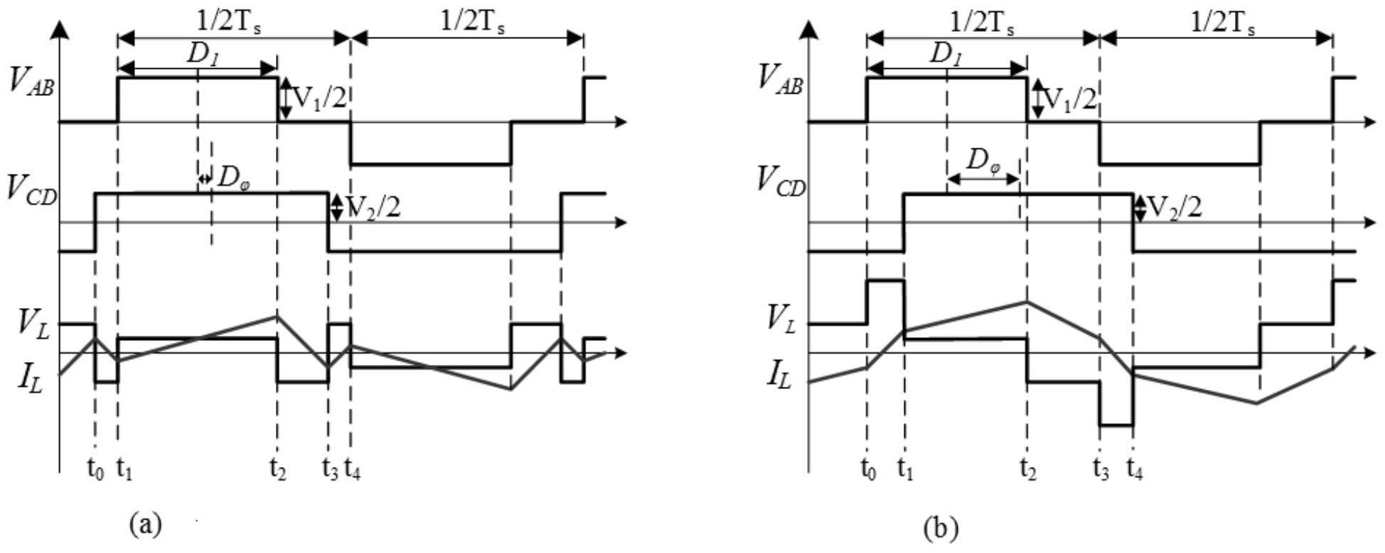
1.一种双向半桥单边三电平DC-DC变换器电流有效值最小的优化控制方法,对于高压侧为二极管箝位半桥三电平结构,低压侧为半桥两电平结构的双向半桥单边三电平DC-DC变换器,通过控制高压侧桥臂中点电压占空比D1和一、二次侧桥臂中点电压之间的移相比实现功率在一、二次侧双向传输同时实现电流有效值最小的优化,控制器实现优化控制的步骤如下:a)、控制器的电压控制模块通过对负载侧电压V2和参考电压V2ref的误差进行反馈控制,得到移相比b)、读入a)结果,查找表模块根据如下规则得到一次侧桥臂电压的占空比D1:当 的范围在 时,

当 的范围在 时,

当 的范围在 时,

当 的范围在 和 时,D1=1;

其中, n为变压器变比,V1为输入侧电压;

c)、将步骤a)、b)得到的 和D1输入开关信号产生模块,产生相应的开关信号,控制主电路中开关器件的通断。