欢迎来到知嘟嘟! 联系电话:13336804447 卖家免费入驻,海量在线求购! 卖家免费入驻,海量在线求购!
知嘟嘟
我要发布
联系电话:13336804447
知嘟嘟经纪人
收藏
专利号: 2014107481869
申请人: 山东交通学院
专利类型:发明专利
专利状态:已下证
专利领域: 一般车辆
更新日期:2024-01-05
缴费截止日期: 暂无
价格&联系人
年费信息
委托购买

摘要:

权利要求书:

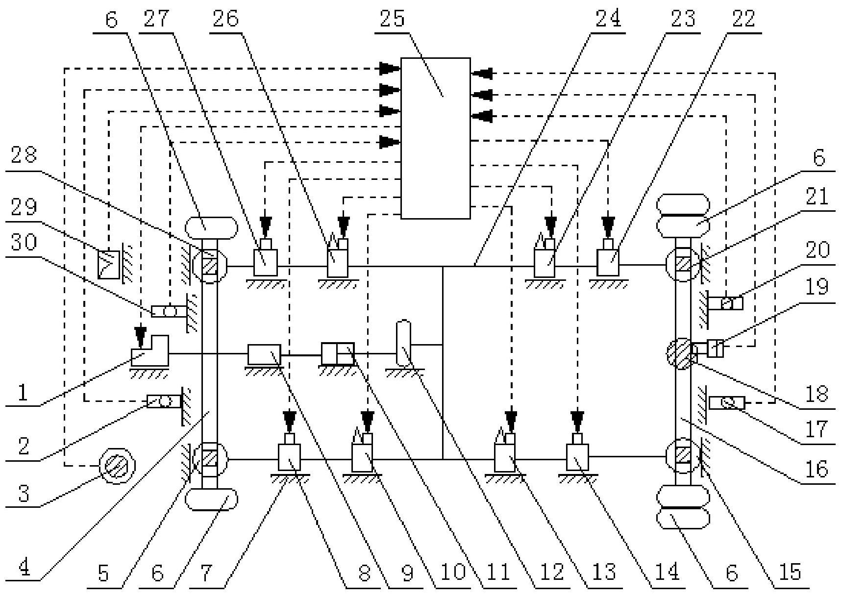
1. 一种基于空气悬架调节的运输车辆主动防侧翻控制系统,包括空气压缩机[1]、第一车身高度传感器[2]、方向盘转角位置传感器[3]、前车桥[4]、第一空气悬架[5]、车轮[6]、车架[7]、第一车身高度控制电磁阀[8]、空气处理装置[9]、第一排气阀[10]、稳压阀[11]、高压储气罐[12]、第二排气阀[13]、第二车身高度控制电磁阀[14]、第二空气悬架[15]、后车桥[16]、第二车身高度传感器[17]、驱动桥壳[18]、车速传感器[19]、第三车身高度传感器[20]、第三空气悬架[21]、第三车身高度控制电磁阀[22]、第三排气阀[23]、空气管路[24]、主动防侧翻控制器[25]、第四排气阀[26]、第四车身高度控制电磁阀[27]、第四空气悬架[28]、加速度传感器[29]、第四车身高度传感器[30];其特征在于:在车架[7]上固定安装有空气压缩机[1]、空气处理装置[9]、稳压阀[11]、高压储气罐[12];空气压缩机[1]的出气孔与空气处理装置[9]的进气孔通过空气管路[24]相连接,空气处理装置[9]的出气孔与稳压阀[11]的进气孔通过空气管路[24]相连接,稳压阀[11]的出气孔与高压储气罐[12]的进气孔通过空气管路[24]相连接;在车架[7]上固定安装有第一空气悬架[5]、第一车身高度控制电磁阀[8]、第一排气阀[10],第一空气悬架[5]的一端与车架[7]固定相连,另一端与前车桥[4]固定相连,前车桥[4]的两端分别固定安装有一个车轮[6];第一排气阀[10]是一个三通阀,第一排气阀[10]的进气孔经电磁开关与高压储气罐[12]出气孔通过空气管路[24]相连接,第一排气阀[10]的排气孔经电磁开关与大气相通,第一排气阀[10]的出气孔与第一车身高度控制电磁阀[8]的进气孔通过空气管路[24]相连接,第一车身高度控制电磁阀[8]的出气孔与第一空气悬架[5]的进气孔通过空气管路[24]相连接;在车架[7]上固定安装有第四空气悬架[28]、第四车身高度控制电磁阀[27]、第四排气阀[26],第四空气悬架[28]的一端与车架[7]固定相连,另一端与前车桥[4]固定相连;第四排气阀[26]是一个三通阀,第四排气阀[26]的进气孔经电磁开关与高压储气罐[12]出气孔通过空气管路[24]相连接,第四排气阀[26]的排气孔经电磁开关与大气相通,第四排气阀[26]的出气孔与第四车身高度控制电磁阀[27]的进气孔通过空气管路[24]相连接,第四车身高度控制电磁阀[27]的出气孔与第四空气悬架[28]的进气孔通过空气管路[24]相连接;在车架[7]上固定安装有第二排气阀[13]、第二车身高度控制电磁阀[14]、第二空气悬架[15],第二空气悬架[15]的一端与车架[7]固定相连,另一端与后车桥[16]固定相连,后车桥[16]的两端分别固定安装有两个车轮[6];第二排气阀[13]是一个三通阀,第二排气阀[13]的进气孔经电磁开关与高压储气罐[12]出气孔通过空气管路[24]相连接,第二排气阀[13]的排气孔经电磁开关与大气相通,第二排气阀[13]的出气孔与第二车身高度控制电磁阀[14]的进气孔通过空气管路[24]相连接,第二车身高度控制电磁阀[14]的出气孔与第二空气悬架[15]的进气孔通过空气管路[24]相连接;

在车架[7]上固定安装有第三排气阀[23]、第三车身高度控制电磁阀[22]、第三空气悬架[21],第三空气悬架[21]的一端与车架[7]固定相连,另一端与后车桥[16]固定相连;第三排气阀[23]是一个三通阀,第三排气阀[23]的进气孔经电磁开关与高压储气罐[12]出气孔通过空气管路[24]相连接,第三排气阀[23]的排气孔经电磁开关与大气相通,第三排气阀[23]的出气孔与第三车身高度控制电磁阀[22]的进气孔通过空气管路[24]相连接,第三车身高度控制电磁阀[22]的出气孔与第三空气悬架[21]的进气孔通过空气管路[24]相连接;加速度传感器[29]固定安装在车架[7]上,方向盘转角位置传感器[3]固定安装在转向轴上,第一车身高度传感器[2]固定安装在第一空气悬架[5]附近的车架[7]上,第二车身高度传感器[17]固定安装在第二空气悬架[15]附近的车架[7]上,第三车身高度传感器[20]固定安装在第三空气悬架[21]附近的车架[7]上,第四车身高度传感器[30]固定安装在第四空气悬架[28]附近的车架[7]上;车速传感器[19]固定安装在位于后车桥[16]中间的驱动桥壳[18]内;主动防侧翻控制器[25]的信号输入端口分别与加速度传感器[29]、方向盘转角位置传感器[3]、第一车身高度传感器[2]、第二车身高度传感器[17]、第三车身高度传感器[20]、第四车身高度传感器[30]、车速传感器[19]电连接,主动防侧翻控制器[25]的信号输出端口分别与空气压缩机[1]、第一车身高度控制电磁阀[8]、第一排气阀[10]、第二排气阀[13]、第二车身高度控制电磁阀[14]、第三车身高度控制电磁阀[22]、第三排气阀[23]、第四排气阀[26]、第四车身高度控制电磁阀[27]电连接。

2.根据权利要求1所述的一种基于空气悬架调节的运输车辆主动防侧翻控制系统,其特征在于:主动防侧翻控制器[25]通过加速度传感器[29]、方向盘转角位置传感器[3]、第一车身高度传感器[2]、第二车身高度传感器[17]、第三车身高度传感器[20]、第四车身高度传感器[30]、车速传感器[19]采集运输车辆的各种信号,经计算与判断,主动防侧翻控制器[25]通过控制空气压缩机[1]、第一车身高度控制电磁阀[8]、第一排气阀[10]、第二排气阀[13]、第二车身高度控制电磁阀[14]、第三车身高度控制电磁阀[22]、第三排气阀[23]、第四排气阀[26]、第四车身高度控制电磁阀[27],防止运输车辆在行驶过程中发生侧翻,能够提高运输车辆的行驶安全性。