欢迎来到知嘟嘟! 联系电话:13336804447 卖家免费入驻,海量在线求购! 卖家免费入驻,海量在线求购!
知嘟嘟
我要发布
联系电话:13336804447
知嘟嘟经纪人
收藏
专利号: 2016102454525
申请人: 山东交通学院
专利类型:发明专利
专利状态:已下证
专利领域: 一般车辆
更新日期:2024-01-05
缴费截止日期: 暂无
价格&联系人
年费信息
委托购买

摘要:

权利要求书:

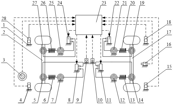
1.一种基于电磁悬架调节的大客车主动防侧翻控制系统,其特征在于,包括车架(1)、前车桥(2)、方向盘转角位置传感器(3)、第一悬架位移传感器(4)、第一车桥电磁线圈(5)、第一电磁悬架弹性元件(6)、第一车架电磁线圈(7)、第一悬架位移控制固态继电器(8)、陀螺仪(9)、三轴加速度传感器(10)、第二悬架位移控制固态继电器(11)、第二车架电磁线圈(12)、第二电磁悬架弹性元件(13)、第二车桥电磁线圈(14)、第二悬架位移传感器(15)、车速传感器(16)、后车桥(17)、第三悬架位移传感器(18)、第三车桥电磁线圈(19)、第三电磁悬架弹性元件(20)、第三车架电磁线圈(21)、第三悬架位移控制固态继电器(22)、主动防侧翻控制器(23)、第四悬架位移控制固态继电器(24)、第四车架电磁线圈(25)、第四电磁悬架弹性元(26)、第四车桥电磁线圈(27)、第四悬架位移传感器(28);其特征在于:车架(1)上固定安装有第一车架电磁线圈(7)、第一悬架位移控制固态继电器(8)、第二车架电磁线圈(12)、第二悬架位移控制固态继电器(11)、第三车架电磁线圈(21)、第三悬架位移控制固态继电器(22)、第四车架电磁线圈(25)、第四悬架位移控制固态继电器(24);第一车架电磁线圈(7)的一端固定安装在车架(1)上,另一端与第一电磁悬架弹性元件(6)的上端固定相连接,第一电磁悬架弹性元件(6)的下端与第一车桥电磁线圈(5)固定相连接,第一车桥电磁线圈(5)的另一端固定安装在前车桥(2)的左端,第一悬架位移控制固态继电器(8)是一个两路四线的无触点电磁开关,其中一路与第一车架电磁线圈(8)电连接,另一路与第一车桥电磁线圈(5)电连接;第二车架电磁线圈(12)的一端固定安装在车架(1)上,另一端与第二电磁悬架弹性元件(13)的上端固定相连接,第二电磁悬架弹性元件(13)的下端与第二车桥电磁线圈(14)固定相连接,第二车桥电磁线圈(14)的另一端固定安装在后车桥(17)的左端,第二悬架位移控制固态继电器(11)是一个两路四线的无触点电磁开关,其中一路与第二车架电磁线圈(12)电连接,另一路与第二车桥电磁线圈(14)电连接;第三车架电磁线圈(21)的一端固定安装在车架(1)上,另一端与第三电磁悬架弹性元件(20)的上端固定相连接,第三电磁悬架弹性元件(20)的下端与第三车桥电磁线圈(19)固定相连接,第三车桥电磁线圈(19)的另一端固定安装在后车桥(17)的右端,第三悬架位移控制固态继电器(22)是一个两路四线的无触点电磁开关,其中一路与第三车架电磁线圈(21)电连接,另一路与第三车桥电磁线圈(19)电连接;第四车架电磁线圈(25)的一端固定安装在车架(1)上,另一端与第四电磁悬架弹性元件(26)的上端固定相连接,第四电磁悬架弹性元件(26)的下端与第四车桥电磁线圈(27)固定相连接,第四车桥电磁线圈(27)的另一端固定安装在前车桥(2)的右端,第四悬架位移控制固态继电器(28)是一个两路四线的无触点电磁开关,其中一路与第四车架电磁线圈(25)电连接,另一路与第四车桥电磁线圈(27)电连接;方向盘转角位置传感器(3)固定安装在转向轴上,车速传感器(16)固定安装在驱动桥壳内,陀螺仪(9)固定安装在车架(1)的质心位置,三轴加速度传感器(10)固定安装在陀螺仪(9)后方的车架(1)上,第一悬架位移传感器(4)固定安装在第一电磁悬架附近的车架(1)上,第二悬架位移传感器(15)固定安装在第二电磁悬架附近的车架(1)上,第三悬架位移传感器(18)固定安装在第三电磁悬架附近的车架(1)上,第四悬架位移传感器(28)固定安装在第四电磁悬架附近的车架(1)上;主动防侧翻控制器(23)的信号输入端口分别与方向盘转角位置传感器(3)、车速传感器(16)、陀螺仪(9)、三轴加速度传感器(10)、第一悬架位移传感器(4)、第二悬架位移传感器(15)、第三悬架位移传感器(18)、第四悬架位移传感器(28)电连接,主动防侧翻控制器(23)的信号输出端口分别与第一悬架位移控制固态继电器(8)、第二悬架位移控制固态继电器(11)、第三悬架位移控制固态继电器(22)、第四悬架位移控制固态继电器(24)电连接。

2.根据权利要求1所述的一种基于电磁悬架调节的大客车主动防侧翻控制系统,其特征在于,主动防侧翻控制器(23)通过方向盘转角位置传感器(3)、车速传感器(16)、陀螺仪(9)、三轴加速度传感器(10)采集当前大客车的各种信号并对信号进行处理,判定大客车的下一状态是否存在侧翻危险;主动防侧翻控制器(23)通过控制第一悬架位移控制固态继电器(8)、第二悬架位移控制固态继电器(11)、第三悬架位移控制固态继电器(22)、第四悬架位移控制固态继电器(24),防止大客车在行驶过程中发生侧翻。