欢迎来到知嘟嘟! 联系电话:13336804447 卖家免费入驻,海量在线求购! 卖家免费入驻,海量在线求购!
知嘟嘟
我要发布
联系电话:13336804447
知嘟嘟经纪人
收藏
专利号: 2012100407610
申请人: 浙江大学台州研究院
专利类型:发明专利
专利状态:已下证
专利领域: 测量;测试
更新日期:2023-08-24
缴费截止日期: 暂无
价格&联系人
年费信息
委托购买

摘要:

权利要求书:

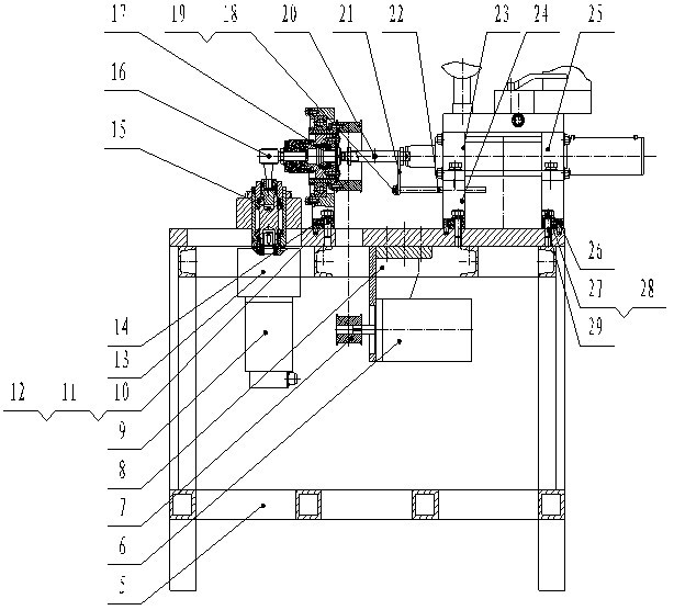
1.一种汽车转向拉杆球头试验台,包括支架(5)、传感器组(20)、液压缸(23),其特征在于:球头座夹具(17)、球头销夹具(15),球头座夹具(17)和球头销夹具(15)分别与所述支架(5)固定连接,球头座夹具(17)设置于球头销夹具(15)的一侧;球头座夹具(17)用于夹持待测球头(16)的球头座,球头销夹具(15)用于夹持待测球头(16)的球头销;

球头座夹具(17)通过所述传感器组(20)连接所述液压缸(23)的活塞杆,通过液压缸(23)的驱动,实现球头座一端的摆动; 球头座夹具(17)连接上同步带轮,上同步带轮通过带传动连接下同步带轮(7),下同步带轮(7)通过转动步进电机(6)实现驱动;通过转动步进电机(6)的驱动,实现球头座一端的转动;

球头销夹具(15)连接减速箱总成(13),减速箱总成(13)连接摆动步进电机(9),通过摆动步进电机(9)的驱动,实现球头销一端的转动;

所述球头座夹具(17)的夹持部设置球头座剖分螺母(2),通过球头座紧固件(1)夹紧球头座剖分螺母(2),实现球头座夹具(17)对待测球头(16)的球头座的夹紧;球头销夹具(15)的夹持部设置球头销剖分螺母(4)、球头销紧固件(3),通过球头销紧固件(3)夹紧球头销剖分螺母(4),实现球头销夹具(15)对待测球头(16)的球头销的夹紧。

2.根据权利要求1所述的汽车转向拉杆球头试验台,其特征在于:所述传感器组(20)连接控制系统的输入,控制系统的输出连接摆动步进电机(9)、转动步进电机(6)、液压缸(23)。

3.根据权利要求1或2所述的汽车转向拉杆球头试验台,其特征在于:所述传感器组(20)包括摆角编码器、摆动力矩传感器、加载力传感器、转角编码器、转动力矩传感器、微位移传感器。

4.根据权利要求1所述的汽车转向拉杆球头试验台,其特征在于:所述液压缸(23)的活塞杆设置有活塞导向机构;所述活塞导向机构包括定向轴(22)、定向板(21),所述活塞杆固定连接定向板(21)的上端,定向板(21)的下端固定连接定向轴(22);定向轴(22)能够沿活塞杆的轴向运动,从而对活塞起到导向作用。

5.根据权利要求2所述的汽车转向拉杆球头试验台,其特征在于:所述液压缸(23)通过液压加载系统实现驱动;所述液压加载系统包括比例伺服阀(23-1),比例伺服阀(23-1)的其中两个端口连接液压缸(23),另两个端口连接液压回路;液压回路上设置有出口单向阀(23-4)、过滤器(23-5)、截止阀(23-6)、入口单向阀(23-15); 液压回路上并联有恒压变量结构、过滤器(23-16);恒压变量结构包括定量泵(23-9),定量泵(23-9)通过电机(23-10)实现驱动;定量泵(23-9)通过复位缸(23-8)连接流量伺服阀(23-7);

比例伺服阀(23-1)、流量伺服阀(23-7)通过所述控制系统控制,实现系统要求的液压输出。

6.根据权利要求5所述的汽车转向拉杆球头试验台,其特征在于:所述定量泵(23-9)通过阀(23-11)连接过滤器(23-12)。

7.根据权利要求5所述的汽车转向拉杆球头试验台,其特征在于:所述液压回路上还设置有蓄能器(23-2)。

8.根据权利要求5所述的汽车转向拉杆球头试验台,其特征在于:所述过滤器(23-16)通过冷却器(23-17)连接油箱(23-18)。