欢迎来到知嘟嘟! 联系电话:13336804447 卖家免费入驻,海量在线求购! 卖家免费入驻,海量在线求购!
知嘟嘟
我要发布
联系电话:13336804447
知嘟嘟经纪人
收藏
专利号: 2021115053073
申请人: 杭州电子科技大学
专利类型:发明专利
专利状态:已下证
专利领域: 基本电子电路
更新日期:2024-01-05
缴费截止日期: 暂无
价格&联系人
年费信息
委托购买

摘要:

权利要求书:

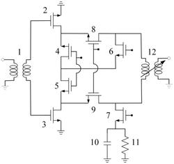
1.一种毫米波可重构倍频器电路,其特征在于:包括输入匹配网络、放大级晶体管、二倍频晶体管、三倍频晶体管、电容、电阻和输出可重构匹配网络;

所述的输入匹配网络由变压器构成,通过变压器初级线圈的一端与本振信号源相连接,另一端接地,次级线圈的两端分别与两个放大级晶体管的栅极相连,次级线圈的中心抽头与直流电压源相连,为放大级晶体管的栅极提供偏置电压;该输入匹配网络将单端输入的本振信号转为差分信号;

所述的两个放大级晶体管的漏极与第一级的两个二倍频晶体管的源极、三倍频晶体管的源极相连,源极均接地;第一级的两个二倍频晶体管的栅极相连后与直流电压源相连为其提供偏置电压,漏极相连后与第二级的一个二倍频晶体管的源极相连,第二级的一个二倍频晶体管的栅极与直流电压源相连为其提供偏置电压,漏极与输出可重构匹配网络相连;用于接地的二倍频晶体管的漏极与输出匹配网络的变压器相连,栅极与直流电压源相连为其提供偏置电压,源极与并联的电容和电阻相连后接地;二倍频晶体管与放大级晶体管一同构成层叠结构;两个三倍频晶体管的栅极相连后与直流电压源相连为其提供偏置电压,漏极分别与输出可重构匹配网络的两端相连;三倍频晶体管与放大级晶体管一同构成共源共栅结构。

2.根据权利要求1所述的一种毫米波可重构倍频器电路,其特征在于:所述的放大级晶体管由两个NMOS晶体管构成;所述的二倍频晶体管由四个NMOS晶体管构成;所述的三倍频晶体管由两个NMOS晶体管构成。

3.根据权利要求1所述的一种毫米波可重构倍频器电路,其特征在于:所述的放大级晶体管的栅宽为2um,叉指数量为28;二倍频晶体管的栅宽为2um,叉指数量为28;三倍频晶体管的栅宽为2um,叉指数量为26。

4.根据权利要求1所述的一种毫米波可重构倍频器电路,其特征在于:所述的放大级晶体管的栅极偏置电压在二倍频模式下为0.43V,三倍频模式下为0.63V;第一级二倍频晶体管的栅极偏置电压在二倍频模式下为1.55V,三倍频模式下为0V;第二级二倍频晶体管的栅极偏置电压在二倍频模式下为2.1V,三倍频模式下为0V;用于接地的二倍频晶体管的栅极偏置电压在二倍频模式下为1V,三倍频模式下为0V;三倍频晶体管的栅极偏置电压在二倍频模式下为0V,三倍频模式下为1.3V;漏极偏置电压在二倍频模式下为2.05V,三倍频模式下为1.5V。

5.根据权利要求1所述的一种毫米波可重构倍频器电路,其特征在于:所述的电容采用金属‑氧化物‑金属电容,即MOM电容,MOM电容采用叉指结构。

6.根据权利要求1所述的一种毫米波可重构倍频器电路,其特征在于:所述的电阻采用一个阻值大于1kΩ的电阻。

7.根据权利要求1所述的一种毫米波可重构倍频器电路,其特征在于:所述的输出可重构匹配网络由变压器构成,其初级线圈的中心抽头与直流电压源相连,为电路提供漏极偏置电压,次级线圈的一端输出信号,另一端接地。

8.根据权利要求1所述的一种毫米波可重构倍频器电路的控制方法,其特征在于:所述毫米波可重构倍频器电路通过匹配网络和控制晶体管的偏置电压实现对输入信号的二倍频与三倍频的选择与输出,以及对基波和其他谐波的抑制。