欢迎来到知嘟嘟! 联系电话:13336804447 卖家免费入驻,海量在线求购! 卖家免费入驻,海量在线求购!
知嘟嘟
我要发布
联系电话:13336804447
知嘟嘟经纪人
收藏
专利号: 202111434841X
申请人: 东北石油大学
专利类型:发明专利
专利状态:已下证
专利领域: 测量;测试
更新日期:2024-01-05
缴费截止日期: 暂无
价格&联系人
年费信息
委托购买

摘要:

权利要求书:

1.一种不同赋存态页岩油含量及储集空间定量分析的方法,其特征在于,包括以下步骤:

S1、依照页岩样品原本所处地层温度和压力,对页岩样品进行含油饱和度的恢复;

S2、将所述页岩样品装入岩心夹持器的夹持腔中,并使所述页岩样品处于实际页岩样品所处地层温度和压力,然后对所述页岩样品进行核磁共振检测以获得不同储集空间中页岩油的分布特征;

S3、对所述页岩样品中游离态页岩油进行驱替,并收集所述岩心夹持器中驱替出的流体,待所述游离态页岩油全部驱替出来后,对获取的流体进行游离态页岩油定量分析,并对所述页岩样品进行核磁共振检测,获取所述页岩样品中游离态页岩油的储集空间分布特征;

S4、对所述页岩样品中吸附态页岩油进行驱替,并收集所述岩心夹持器中驱替出的流体,待所述吸附态页岩油全部驱替出来后,对获取的流体进行吸附态页岩油定量分析,并对所述页岩样品进行核磁共振检测,获取所述页岩样品中吸附态页岩油储集空间的分布特征。

2.根据权利要求1所述的一种不同赋存态页岩油含量及储集空间定量分析的方法,其特征在于,步骤S1中采用正癸烷模拟油对所述页岩样品进行含油饱和度的恢复。

3.根据权利要求1所述的一种不同赋存态页岩油含量及储集空间定量分析的方法,其特征在于,步骤S2中向所述岩心夹持器的加压腔中注入高温氟油,所述高温氟油温度与所述页岩样品原本所处地层温度相同,并利用压力泵进行加压,直至压力达到所述页岩样品原本所处地层压力。

4.根据权利要求1所述的一种不同赋存态页岩油含量及储集空间定量分析的方法,其特征在于,步骤S3中包括以下步骤;

S31、向所述岩心夹持器的夹持腔中供入与地层相同温度和压力的氘代化合物正己烷溶液进行驱替,在收集所述岩心夹持器夹持腔中流出的流体的过程中用荧光灯进行照射,当液体的荧光等级小于3时,停止供入正己烷溶液;对此时获取的游离态页岩油定量分析,并对所述页岩样品进行核磁共振检测,获取此时所述页岩样品中游离态页岩油的储集空间分布特征;

S32、然后将所述页岩样品取出,在保证所述页岩样品整体完整的基础上,对所述页岩样品进行模拟压裂,而后装入所述岩心夹持器的夹持腔中,使压裂后的所述页岩样品再次处于地层温度和压力下,重复步骤S31,对此时获取的模拟压裂后的所述页岩样品所含的游离态页岩油定量分析,并对所述页岩样品进行核磁共振检测,获取此时所述页岩样品中游离态页岩油的储集空间分布特征。

5.根据权利要求4所述的一种不同赋存态页岩油含量及储集空间定量分析的方法,其特征在于,步骤S32中,利用岩石三轴力学实验仪对所述页岩样品进行模拟压裂。

6.根据权利要求4所述的一种不同赋存态页岩油含量及储集空间定量分析的方法,其特征在于,步骤S4中向所述岩心夹持器的夹持腔中供入与地层相同温度和压力的氘代化合物二氯甲烷和甲醇按照体积比9:1混合的混合溶液进行驱替,在收集所述岩心夹持器夹持腔中流出的流体的过程中用荧光灯进行照射,当液体荧光等级小于3时,停止供混合溶液,对获取的流体进行吸附态页岩油的定量分析,对所述页岩样品进行核磁共振检测,获取此时所述页岩样品中吸附态页岩油的储集空间分布特征。

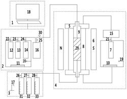
7.一种不同赋存态页岩油含量及储集空间定量分析的装置,其特征在于,包括溶剂温压控制系统、流体计量收集系统、岩心检测系统;

所述岩心检测系统包括岩心夹持器、第一压力泵、氟油容器和核磁共振检测仪;所述岩心夹持器包括用于夹持所述页岩样品的夹持腔、能够对所述夹持腔中的页岩样品加压的加压腔,所述夹持腔内设有夹持机构,所述加压腔的进液口、出液口分别与所述氟油容器的出液口、进液口连通,所述氟油容器的出液口与所述加压腔的进液口之间设有所述第一压力泵;所述氟油容器内设有第一恒温加热装置;通过所述核磁共振检测仪可对所述岩心夹持器中的页岩样品进行核磁共振;

所述溶剂温压控制系统包括第二压力泵、第一容器、第二容器以及第二恒温加热装置,所述第一容器内盛装用于驱替游离态页岩油的有机溶剂,所述第二容器内盛装有用于驱替吸附态页岩油的有机溶剂,所述第一容器和所述第二容器的出液口均连接所述第二压力泵,所述第二压力泵与所述夹持机构的进液口连通,所述第二恒温加热装置能够对所述第一容器和所述第二容器加热;

所述流体计量收集系统包括第一收集量筒、第二收集量筒、第三收集量筒和荧光灯,所述第一收集量筒、第二收集量筒和第三收集量筒均与所述夹持机构的出液口连通;所述荧光灯对所述第一收集量筒、第二收集量筒和第三收集量筒内收集液体进行照射。

8.根据权利要求7所述的一种不同赋存态页岩油含量及储集空间定量分析的装置,其特征在于,所述第二恒温加热装置为油浴加热锅。

9.根据权利要求7所述的一种不同赋存态页岩油含量及储集空间定量分析的装置,其特征在于,所述溶剂温压控制系统还包括第三容器,所述第三容器的出液口与第二压力泵连接。

10.根据权利要求7所述的一种不同赋存态页岩油含量及储集空间定量分析的装置,其特征在于,还包括数据记录及处理系统,通过所述数据记录及处理系统对实验过程中的各项压力和温度实时记录以及对核磁共振的参数进行设置和测定结果进行记录。