欢迎来到知嘟嘟! 联系电话:13336804447 卖家免费入驻,海量在线求购! 卖家免费入驻,海量在线求购!
知嘟嘟
我要发布
联系电话:13336804447
知嘟嘟经纪人
收藏
专利号: 202111387134X
申请人: 江苏科技大学
专利类型:发明专利
专利状态:已下证
专利领域: 测量;测试
更新日期:2024-01-12
缴费截止日期: 暂无
价格&联系人
年费信息
委托购买

摘要:

权利要求书:

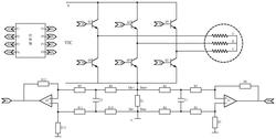
1.一种基于单电阻采样的母线电流采样电路,其特征在于,包括:单电阻采样模块、永磁同步电机的三相定子绕组、逆变电路、控制器;

所述单电阻采样模块与所述逆变电路连接,通过单电阻分别对相电流和母线电流进行采样;

所述逆变电路与所述永磁同步电机的三相定子绕组相连,用于向所述永磁同步电机的三相定子绕组施加电压信号并驱动永磁同步电机转动,其中,所述单电阻采样模块包括:采样电阻、第二电阻、第三电阻、第四电阻、第五电阻、第六电阻、第七电阻、第八电阻、第九电阻、第十电阻、第十一电阻、第十二电阻、第十三电阻、第一电容、第二电容、第一运算放大器、第二运算放大器;

所述第一运算放大器的正极分别与第十二电阻的一端、第九电阻的一端连接,负极分别与第十三电阻的一端、第十一电阻的一端连接;

所述第一运算放大器的正极与所述第二运算放大器的正极之间依次串接第九电阻、第八电阻、第二电阻、第三电阻;所述第一运算放大器的负极与所述第二运算放大器的负极之间依次串接第十一电阻、第十电阻、第四电阻、第五电阻;所述第十二电阻并接在所述第一运算放大器的正极与第一运算放大器的输出端之间;所述第十三电阻并接在所述第一运算放大器的负极与地之间;所述第二电容并接在所述第九电阻、第八电阻与所述第十一电阻、第十电阻之间;所述采样电阻并接在所述第八电阻、第二电阻与第十电阻、第四电阻之间;所述第一电容并接在所述第二电阻、第三电阻与第四电阻、第五电阻之间;所述第六电阻并接在所述第二运算放大器的正极与第二运算放大器的输出端之间;所述第七电阻并接在所述第二运算放大器的负极与地之间;所述第一运算放大器的输出端、第二运算放大器的输出端均与所述控制器连接。

2.如权利要求1所述的基于单电阻采样的母线电流采样电路,其特征在于,所述逆变电路包括:第一功率开关器、第二功率开关器、第三功率开关器、第四功率开关器、第五功率开关器、第六功率开关器;第一功率开关器的栅极、第二功率开关器的栅极、第三功率开关器的栅极、第四功率开关器的栅极、第五功率开关器的栅极、第六功率开关器的栅极均与所述控制器连接;输入电源的正极分别与所述第一功率开关器的漏极、第三功率开关器的漏极、第五功率开关器的漏极连接;所述第二功率开关器的源极、第四功率开关器的源极、第六功率开关器的源极与所述单电阻采样模块中的采样电阻一端连接;所述第一功率开关器的源极分别与所述第四功率开关器的漏极、永磁同步电机的三相定子绕组的A相连接;所述第三功率开关器的源极分别与所述第六功率开关器的漏极、永磁同步电机的三相定子绕组的B相连接;所述第五功率开关器的源极分别与所述第二功率开关器的漏极、永磁同步电机的三相定子绕组的C相连接。

3.如权利要求1所述的基于单电阻采样的母线电流采样电路,其特征在于,所述第一运算放大器的输出值为相电流采样值,所述第二运算放大器的输出值为母线电流采样值,所述第二电容的容值大于所述第一电容的容值。

4.一种基于单电阻采样的母线电流采样电路的采样方法,其特征在于,包括如下步骤:

步骤1:在永磁同步电机控制周期中,获取逆变电路中用于控制六个功率开关器件导通状态获取三个比较值;

步骤2:将三个比较值分为:最大比较值、中间比较值、最小比较值;

步骤3:根据最大比较值、中间比较值、最小比较值、死区时间、振铃时间、ADC触发时间、ADC转换时间确定的第一个相电流采样时间点和第二个相电流采样时间点,具体方法为:当Tmid‑Tmin>Td+Tr+TADCs时,所述第一个相电流采样时间点为:

当Tmid‑Tmin≤Td+Tr+TADCs时,所述第一个相电流采样时间点为:Tmid‑TADCtrig‑TADCs;

当Tmax‑Tmid>Td+Tr+TADCs时,所述第二个相电流采样时间点为:

当Tmax‑Tmid≤Td+Tr+TADCs时,所述第二个相电流采样时间点为:Tmax‑TADCtrig‑TADCs;

其中,Td为死区时间,Tr为振铃时间,TADCtrig为ADC触发时间,TADCs为ADC转换时间,Tmax为最大比较值、Tmid为中间比较值、Tmin为最小比较值;

步骤4:根据第一个相电流采样时间点、采样电阻的阻值、第二电容的容值,确定第一个母线电流采样时间点,根据第一个相电流采样时间点、第一个母线电流采样时间点对相电流、母线电流进行采样;根据第二个相电流采样时间点、采样电阻的阻值、第二电容的容值,确定第二个母线电流采样时间点,根据第二个相电流采样时间点、第二个母线电流采样时间点对相电流、母线电流进行采样,具体步骤为:步骤41:根据采样电阻的阻值、第二电容容值确定RC滤波的时间常数;

步骤42:当所述第一个相电流采样时间点与所述时间常数的和小于所述中间比较值时,不对母线电流采样;当所述第一个相电流采样时间点与所述时间常数的和大于所述中间比较值时,将所述第一个相电流采样时间点和所述时间常数的和作为第一个母线电流采样时间点,对母线电流采样;

当所述第二个相电流采样时间点与所述时间常数的和小于所述中间比较值时,不对母线电流采样;当所述第二个相电流采样时间点与所述时间常数的和大于所述中间比较值时,将所述第二个相电流采样时间点与所述时间常数的和作为第二个母线电流采样时间点,对母线电流采样。

5.如权利要求4所述的基于单电阻采样的母线电流采样电路的采样方法,其特征在于,所述时间常数的计算公式为:τ=r1c2

其中,r1为采样电阻的阻值;c2为第二电容的容值。