欢迎来到知嘟嘟! 联系电话:13336804447 卖家免费入驻,海量在线求购! 卖家免费入驻,海量在线求购!
知嘟嘟
我要发布
联系电话:13336804447
知嘟嘟经纪人
收藏
专利号: 2021113869513
申请人: 江苏科技大学
专利类型:发明专利
专利状态:已下证
专利领域: 测量;测试
更新日期:2024-02-22
缴费截止日期: 暂无
价格&联系人
年费信息
委托购买

摘要:

权利要求书:

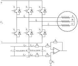
1.一种基于单电阻采样的获取母线电流的采样电路,其特征在于,包括:三相桥式逆变电路、永磁同步电机的三相定子绕组、母线电流解析电路;

所述三相桥式逆变电路与所述永磁同步电机的三相定子绕组相连,用于对所述永磁同步电机的三相定子绕组施加电压信号通过改变功率开关器件的开关时序驱动电机运转;

所述三相桥式逆变电路与所述母线电流解析电路相连,用于根据所述三相桥式逆变电路的功率开关管的导通时序进行母线电流的解析采样。

2.如权利要求1所述的基于单电阻采样的获取母线电流的采样电路,其特征在于,所述母线电流解析电路包括相电流解析单元、母线电流解析单元和滤波运放单元;所述相电流解析单元包括:采样电阻Rs、滤波电容C2;所述母线电流系解析单元包括:电阻R11、电阻R13、滤波电容C1;所述滤波运放单元包括电阻R12、电阻R14、电阻R21、电阻R22、运算放大器;所述采样电阻Rs的一端分别与Udc的负极、电阻R11的一端、滤波电容C2的一端连接,所述采样电阻Rs的另一端分别与地、电阻R13一端、滤波电容C2的另一端连接;所述电阻R11的另一端分别与所述电阻R12的一端、滤波电容C1的一端连接;所述电阻R13的另一端分别与所述电阻R14的一端、滤波电容C1的另一端连接;所述电阻12的另一端分别与所述运算放大器的反向输入端、电阻R21的一端连接;所述电阻R14的另一端分别与所述运算放大器的正向输入端、电阻R22的一端连接;所述电阻R21的另一端与所述运算放大器的输出端连接;所述电阻R22的另一端接地。

3.如权利要求2所述的基于单电阻采样的获取母线电流的采样电路,其特征在于,所述滤波电容C1的容值是所述滤波电容C2的容值的十倍以上。

4.一种基于单电阻采样的获取母线电流的采样方法,其特征在于,包括如下步骤:步骤1:根据所述三相桥式逆变电路的功率开关管导通时序,确定电流采样窗口;

步骤2:当进入电流采样窗口时,获取第一对比值、第二对比值、第三对比值;

步骤3:根据第二对比值、第三对比值、死区时间、振铃时间、ADC启动时间获取第一相电流采样时间、顺延时间;

步骤4:当第一相电流采样时间与顺延时间之和在第二对比值与第三对比值之间时,将第一相电流采样时间与顺延时间之和作为第一母线电流采样时间,通过第一母线电流采样时间对采集母线电流;

当第一相电流采样时间与顺延时间之和不在第二对比值与第三对比值之间时,将上一电流采样窗口采集的第一母线电流作为当前电流采样窗口的第一母线电流;

步骤5:根据第一对比值、第二对比值、死区时间、振铃时间、ADC启动时间获取第二相电流采样时间、顺延时间;

步骤6:当第二相电流采样时间与顺延时间之和在第一对比值与第二对比值之间时,将第二相电流采样时间与顺延时间之和作为第二母线电流采样时间,通过第二母线电流采样时间对采集母线电流;

当第二相电流采样时间与顺延时间之和不在第一对比值与第二对比值之间时,将上一电流采样窗口采集的第二母线电流作为当前电流采样窗口的第二母线电流。

5.如权利要求4所述的基于单电阻采样的获取母线电流的采样方法,其特征在于,根据所述三相桥式逆变电路的功率开关管导通时序,当为非零矢量状态时,作为电流采样窗口。

6.如权利要求4所述的基于单电阻采样的获取母线电流的采样方法,其特征在于,所述步骤3中,第一相电流采样时间的计算公式为:其中,Tmid为第二对比值,Tmin为第三对比值,Tdead为死区时间;

所述步骤5中,第二相电流采样时间的计算公式为:其中,Tmid为第二对比值,Tmax为第一对比值,Tdead为死区时间。

7.如权利要求4或6所述的基于单电阻采样的获取母线电流的采样方法,其特征在于,所述步骤3、步骤5中,顺延时间的计算公式为:Td=Ton+TADCs/h+max(Tring+TADCdelay)其中,Ton为ADC启动时间,TADCs/h为ADC采样时间,Tring为振铃时间,TADCdelay为ADC触发延迟时间。