欢迎来到知嘟嘟! 联系电话:13336804447 卖家免费入驻,海量在线求购! 卖家免费入驻,海量在线求购!
知嘟嘟
我要发布
联系电话:13336804447
知嘟嘟经纪人
收藏
专利号: 2021107252319
申请人: 中国地质大学(武汉)
专利类型:发明专利
专利状态:已下证
专利领域: 计算;推算;计数
更新日期:2024-01-05
缴费截止日期: 暂无
价格&联系人
年费信息
委托购买

摘要:

权利要求书:

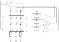
1.一种忆阻递归神经网络电路,其特征在于,包括神经元模块电路、反向求和电路和忆阻交叉突触阵列电路:

所述忆阻交叉突触阵列电路中的突触前神经元通过忆阻器将电流信号传递给所述神经元模块电路的输入端,所述神经元模块电路的输出端将所述电流信号传递给所述反向求和模块电路,所述反向求和电路将所述电流信号反向传播到所述忆阻交叉突触阵列电路的负极。

2.如权利要求1所述的一种忆阻递归神经网络电路,其特征在于,所述神经元模块电路包括输入端、第一逆变器、第一电容、第二电容、第二逆变器、第三逆变器、第四逆变器、第五逆变器、第六逆变器、第七逆变器和输出端;

所述输入端与所述第一逆变器的源极连接;

所述第一逆变器与所述第一电容的串联;

所述第一电容还与所述第二电容串联,所述第一电容的阴极接地;

所述第二电容的阴极与所述输出端连接;

所述第二逆变器和所述第三逆变器串联用于反馈信号,所述第二逆变器的源极与所述第一电容的阳极相连;

所述第三逆变器的栅极分别与所述第一逆变器的漏极和所述神经元模块电路的输出端相连,所述第三逆变器的漏极接地;

所述第二电容的阳极还分别连接第四逆变器的栅极和第五逆变器的栅极;

所述第二电容的阴极还分别连接第六逆变器的栅极和第七逆变器的栅极;

所述第五逆变器的源极和所述第六逆变器的栅极连接。

3.如权利要求1所述的一种忆阻递归神经网络电路,其特征在于,所述忆阻器为经过改进后的忆阻器,具体模型为:

在忆阻器模型中增加了与电流相关的一个窗函数f(x);

在增加窗函数后的忆阻器模型中增加两个表示阈值电压的参数,设置为正阈值电压和负阈值电压;

在增加参数后的忆阻器模型中增加一个常数,用于表示忆阻器的遗忘效应。

4.如权利要求1所述的一种忆阻递归神经网络电路,其特征在于,所述忆阻器的数学模型为:

其中,M为忆阻器的忆阻值,vth为忆阻器的正向电压阈值,‑vth为忆阻器的负向电压阈值,Ap为正电压的作用系数,α为外加电压小于阈值时候的阻值变化系数,β为外加电压大于阈值电压时阻值的变化系数,θ是阶跃函数,δ代表遗忘速率。

5.如权利要求1所述的一种忆阻递归神经网络电路,其特征在于,所述忆阻交叉突触阵列电路由N乘N个忆阻器采用交叉阵列的方式组成,在纵向方向:所述忆阻交叉突触阵列电路的底端连接到电路底端一个忆阻器的正极,用于接入输入的电流信号;

所述忆阻交叉突触阵列电路的顶端连接到电路顶端一个忆阻器的正极,用于接入神经元模块电路输出电压的反馈信号;

在横向方向:

所述神经元模块电路输出电压的反馈信号经过电阻与求和电路后将所述求和电路输出的电压接入到忆阻器负极。

6.如权利要求1所述的一种忆阻递归神经网络电路,其特征在于,所述忆阻器的阻值通过局部竞争算法调整。

7.如权利要求1所述的一种忆阻递归神经网络电路,其特征在于,所述反向求和电路将所述电流信号反向传播到所述忆阻交叉突触阵列电路的负极包括:所述电流信号依次经过所述反向求和电路中的定值电阻和求和加法器,反向传播到忆阻交叉突触阵列电路的负极。

8.如权利要求7所述的一种忆阻递归神经网络电路,其特征在于,所述电流信号经过所述定值电阻前还要经过运算放大器,所述运算放大器用于激活输出神经元的分段函数,所述分段函数为:

其中,Vin为输入端,Vout为输出端,Vc和Ve分别为运算放大器的正供电电压和负供电电压。

9.如权利要求7所述的一种忆阻递归神经网络电路,其特征在于,直接反馈到所述忆阻交叉阵列电路的所述神经元模块电路的输出的电流信号为兴奋型输入;

经过所述反向求和电路再反馈到忆阻交叉阵列的所述神经元模块电路的输入的电流信号为抑制型输入。

10.如权利要求1所述的一种忆阻递归神经网络电路,其特征在于,调节所述忆阻器的电导值,用于实现忆阻递归神经网络的正负权重和零权重。