欢迎来到知嘟嘟! 联系电话:13336804447 卖家免费入驻,海量在线求购! 卖家免费入驻,海量在线求购!
知嘟嘟
我要发布
联系电话:13336804447
知嘟嘟经纪人
收藏
专利号: 2021104389606
申请人: 深圳市金雨滴精密有限公司
专利类型:发明专利
专利状态:已下证
专利领域: 医学或兽医学;卫生学
更新日期:2024-02-26
缴费截止日期: 暂无
价格&联系人
年费信息
委托购买

摘要:

权利要求书:

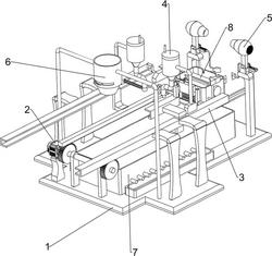
1.一种医用手术刀具杀菌消毒装置,其特征是,包括有:底板(1)和电机(2),底板(1)顶部一侧设有电机(2);

送料机构(3),底板(1)顶部设有送料机构(3);

消毒机构(4),送料机构(3)顶部一侧设有消毒机构(4);

送料机构(3)包括有:

第一支撑柱(31),底板(1)顶部一侧对称设有第一支撑柱(31);

第一转轴(32),第一支撑柱(31)一侧之间转动式设有第一转轴(32),第一转轴(32)一侧与电机(2)的输出轴连接;

缺齿轮(33),第一转轴(32)两侧设有缺齿轮(33);

第二支撑柱(37),底板(1)顶部两侧设有两个第二支撑柱(37);

第一滑轨(36),两个支撑柱一侧之间均设有第一滑轨(36);

滑动组(35),第一滑轨(36)一侧均滑动式设有滑动组(35);

第一齿条(34),滑动组(35)一侧均设有第一齿条(34),第一齿条(34)均与缺齿轮(33)配合;

固定滑轨组(39),第一齿条(34)一侧均设有固定滑轨组(39);

第二收集框(310),第一齿条(34)一侧之间设有第二收集框(310);

第一收集框(38),固定滑轨组(39)一侧之间滑动式设有第一收集框(38),第一收集框(38)与第二收集框(310)滑动式连接;

滤网(311),第二收集框(310)左侧设有滤网(311);

消毒机构(4)包括有:

第一支撑杆(41),第一滑轨(36)顶部一侧均设有第一支撑杆(41);

装水箱(42),第一支撑杆(41)一侧均设有装水箱(42);

水箱盖(43),装水箱(42)顶部均滑动式设有水箱盖(43);

漂浮球杆(44),水箱盖(43)一侧均滑动式设有漂浮球杆(44);

下水管(45),装水箱(42)底部均设有下水管(45);

第一固定块(47),一侧的第一齿条(34)顶部设有第一固定块(47),第一固定块(47)与一侧的第一支撑杆(41)连接;

伸缩杆(46),第一固定块(47)一侧设有伸缩杆(46);

第二固定块(411),一侧的第一滑轨(36)顶部一侧设有第二固定块(411);

第二滑轨(410),第二固定块(411)一侧设有第二滑轨(410);

滑套(48),第二滑轨(410)顶部一侧设有滑套(48),滑套(48)一侧滑动式设有滑动块,滑动块与伸缩杆(46)连接,滑动块均与下水管(45)配合;

第一楔形块(49),第二滑轨(410)一侧滑动式设有第一楔形块(49),第一楔形块(49)与滑动块连接;

第二楔形块(412),第二收集框(310)一侧设有第二楔形块(412),第二楔形块(412)与第一楔形块(49)配合;

还包括有烘干机构(5),烘干机构(5)包括有:第三支撑柱(51),底板(1)顶部一侧对称设有第三支撑柱(51);

第三固定块(52),第三支撑柱(51)顶部均设有两个第三固定块(52);

第二转轴(54),两个第三固定块(52)之间均转动式设有第二转轴(54);

烘干器(53),第二转轴(54)上均设有烘干器(53);

直齿轮(55),第二转轴(54)一侧均设有直齿轮(55);

第四固定块(59),底板(1)顶部一侧均对称设有支撑架,支撑架顶部一侧均设有第四固定块(59);

第二齿条(510),支撑架内侧均滑动式设有第二齿条(510),第二齿条(510)均与直齿轮(55)配合;

第一弹簧(58),第二齿条(510)与第四固定块(59)之间均设有第一弹簧(58);

第三楔形块(56),第二齿条(510)一侧均设有第三楔形块(56);

第四楔形块(57),第一收集框(38)一侧对称设有第四楔形块(57),第四楔形块(57)均与第三楔形块(56)配合;

还包括有排水机构(7),排水机构(7)包括有:第五固定块(71),第一齿条(34)另一侧均设有第五固定块(71);

第三滑轨(72),第五固定块(71)内侧均设有第三滑轨(72);

滑块(73),第三滑轨(72)一侧均滑动式设有滑块(73);

挡板(74),滑块(73)一侧之间设有挡板(74),挡板(74)与滤网(311)配合;

第一固定杆(75),挡板(74)一侧设有第一固定杆(75);

第五楔形块(76),第一固定杆(75)一侧设有第五楔形块(76);

第二固定杆(79),一侧的第一滑轨(36)顶部一侧设有第二固定杆(79);第六楔形块(77),第二固定杆(79)一侧设有第六楔形块(77),第六楔形块(77)与第五楔形块(76)配合;

第二弹簧(78),滑块(73)与第三滑轨(72)之间均设有第二弹簧(78);

第三收集框(710),底板(1)顶部设有第三收集框(710);

排水管(711),第三收集框(710)两侧设有多个排水管(711);

第四收集框(712),底板(1)顶部两侧设有第四收集框(712),排水管(711)均与第四收集框(712)配合;

还包括有下料机构(6),下料机构(6)包括有:第二支撑杆(61),底板(1)顶部另一侧对称设有第二支撑杆(61);

下料框(62),第二支撑杆(61)一侧之间设有下料框(62);

挡料板(63),下料框(62)一侧滑动式设有挡料板(63);

把手(64),挡料板(63)一侧设有把手(64)。

2.按照权利要求1所述的一种医用手术刀具杀菌消毒装置,其特征是,还包括有搅拌机构(8),送料机构(3)上设有搅拌机构(8)。

3.按照权利要求2所述的一种医用手术刀具杀菌消毒装置,其特征是,搅拌机构(8)包括有:固定板(81),一侧的第一齿条(34)顶部一侧设有固定板(81);

马达(82),固定板(81)顶部设有马达(82);

第三转轴(83),第二收集框(310)内侧之间转动式设有第三转轴(83);

搅拌杆(84),第三转轴(83)一侧与马达(82)的输出轴连接,第三转轴(83)一侧设有搅拌杆(84)。