欢迎来到知嘟嘟! 联系电话:13336804447 卖家免费入驻,海量在线求购! 卖家免费入驻,海量在线求购!
知嘟嘟
我要发布
联系电话:13336804447
知嘟嘟经纪人
收藏
专利号: 2021101688748
申请人: 东北电力大学
专利类型:发明专利
专利状态:已下证
专利领域: 发电、变电或配电
更新日期:2023-12-11
缴费截止日期: 暂无
价格&联系人
年费信息
委托购买

摘要:

权利要求书:

1.基于两电平差分式直接AC/AC变换的斩波可控阻抗器,其特征在于,由斩波可控电容器和电抗器串联或并联构成,采用PWM调制策略;

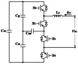
所述斩波可控电容器包括绝缘栅双极晶体管S1、绝缘栅双极晶体管S2、绝缘栅双极晶体管S3、绝缘栅双极晶体管S4、电容Csc、中性线电容Cm、电容Cn、电容Cp,所述绝缘栅双极晶体管S1的发射极与绝缘栅双极晶体管S2的集电极相连,所述绝缘栅双极晶体管S2的发射极与绝缘栅双极晶体管S3的发射极相连,所述绝缘栅双极晶体管S3的集电极与绝缘栅双极晶体管S4的发射极相连,所述绝缘栅双极晶体管S1的发射极与绝缘栅双极晶体管S3集电极之间连接电抗器,所述绝缘栅双极晶体管S1的集电极连接电容Cp的首端,所述绝缘栅双极晶体管S4的集电极连接电容Cn的末端,所述电容Cp的末端串联电容Cn的首端,所述电容Cp和电容Cn的交点连接中性线电容Cm一端,所述绝缘栅双极晶体管S2和绝缘栅双极晶体管S3的交点连接中性线电容Cm另一端,所述电容Cp与电容Cn串联后并联电容Csc;

所述电抗器包括连接绝缘栅双极晶体管S1的发射极的电感Ls一端,所述电感Ls另一端与绝缘栅双极晶体管S3集电极分别连接端口电压Vsc两极。

2.根据权利要求1所述基于两电平差分式直接AC/AC变换的斩波可控阻抗器,其特征在于,所述斩波可控电容器和电抗器串联后形成串联型斩波可控阻抗器,所述采用PWM调制策2

略中,串联型斩波可控阻抗器的基频等效阻抗为Xout=XLs‑DXcin,其中,XLs表示电抗器Ls在基波情况下的电抗值,D为信号调制比,Xcin为斩波可控电容部分内部容抗值。

3.根据权利要求2所述基于两电平差分式直接AC/AC变换的斩波可控阻抗器,其特征在于,所述基频等效阻抗从感性模式到容性模式连续变化;

当 时,串联型斩波可控阻抗器对外基频等效阻抗呈感性;

当 时,串联型斩波可控阻抗器对外基频等效阻抗呈容性;

当D取 时,串联型斩波可控阻抗器对外基频等效阻抗为零。

4.根据权利要求1所述基于两电平差分式直接AC/AC变换的斩波可控阻抗器,其特征在于,所述电抗器包括绝缘栅双极晶体管S1的发射极与绝缘栅双极晶体管S3集电极之间连接电感Lp,所述电感Lp两端分别连接端口电压Vsc两极。

5.根据权利要求4所述基于两电平差分式直接AC/AC变换的斩波可控阻抗器,其特征在于,所述斩波可控电容器和电抗器并联后形成并联型斩波可控阻抗器,所述采用PWM调制策略中,并联型斩波可控阻抗器的基频等效阻抗为基频等效阻抗为 其中,XLp表示电抗器Lp在基波情况下的电抗值,D为信号调制比,Xcin为斩波可控电容部分内部容抗值,Xout表示CCI对外基频等效阻抗值。

6.根据权利要求5所述基于两电平差分式直接AC/AC变换的斩波可控阻抗器,其特征在于,所述基频等效阻抗从感性模式到容性模式连续变化;

当 时,并联型斩波可控阻抗器对外基频等效阻抗呈容性;

当 时,并联型斩波可控阻抗器对外基频等效阻抗呈感性;

当D取 时,斩波可控电容和电抗器并联谐振,并联型斩波可控阻抗器对外开路。