欢迎来到知嘟嘟! 联系电话:13336804447 卖家免费入驻,海量在线求购! 卖家免费入驻,海量在线求购!
知嘟嘟
我要发布
联系电话:13336804447
知嘟嘟经纪人
收藏
专利号: 2019103183933
申请人: 东北电力大学
专利类型:发明专利
专利状态:已下证
专利领域: 发电、变电或配电
更新日期:2023-12-11
缴费截止日期: 暂无
价格&联系人
年费信息
委托购买

摘要:

权利要求书:

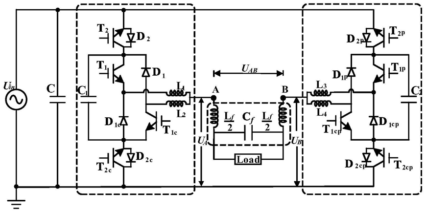
1.一种双极性dual-buck型直接式AC-AC变换器拓扑结构,其特征在于,包括单相交流电源、输入滤波电容C、dual-buck型功率变换单元、LC低通滤波器和信号控制单元;

所述单相交流电源的输出端与所述dual-buck型所述功率变换单元的输入端连接,所述单相交流电源的输出端与所述dual-buck型所述功率变换单元的输入端之间连接所述输入滤波电容C,所述dual-buck型所述功率变换单元包括正极性桥臂和负极性桥臂,所述正极性桥臂的输出端A和所述负极性桥臂的输出端B连接所述LC低通滤波器的输入端,所述LC低通滤波器的输出端连接负载部分;

所述信号控制单元为所述单相交流电源中的过零比较电路,用于产生8个独立的PWM信号波,驱动所述dual-buck型所述功率变换单元中的开关管的接通或关断。

2.如权利要求1所述的一种双极性dual-buck型直接式AC-AC变换器拓扑结构,其特征在于,所述正极性桥臂包括全控型功率开关管T2,所述单相交流电源的正极连接所述全控型功率开关管T2的发射级,所述全控型功率开关管T2的集电极连接全控型功率开关管T1的集电极,所述全控型功率开关管T1的发射极连接二极管D1c的负极,所述二极管D1c的正极连接全控型功率开关管T2c的发射级,所述全控型功率开关管T2c的集电极连接所述单相交流电源的负极,所述全控型功率开关管T2带有体二极管D2,所述全控型功率开关管T2c带有体二极管D2c,所述全控型功率开关管T1的集电极连接二极管D1的负极,所述二极管D1的正极连接全控型功率开关管T1c的集电极,所述二极管D1c的正极连接所述全控型功率开关管T1c的发射极,所述全控型功率开关管T1与所述二极管D1c之间引出输出端口连接分离电感L1,所述全控型功率开关管T1c和所述二极管D1之间引出输出端口连接分离电感L2,所述分离电感L1和所述分离电感L2的另一端连接后形成输出端口A连接所述LC低通滤波器,所述输出端口A的负极直接由所述单相交流电源负极经全控型功率开关管T2c的集电极引出。

3.如权利要求2所述的一种双极性dual-buck型直接式AC-AC变换器拓扑结构,其特征在于,所述全控型功率开关管T2的集电极和所述二极管D1c的正极之间连接有箍位电容C1。

4.如权利要求1所述的一种双极性dual-buck型直接式AC-AC变换器拓扑结构,其特征在于,所述负极性桥臂包括全控型功率开关管T2p,所述单相交流电源的正极连接所述全控型功率开关管T2p的发射级,所述全控型功率开关管T2p的集电极连接全控型功率开关管T1p的集电极,所述全控型功率开关管T1p的发射极连接二极管D1cp的负极,所述二极管D1cp的正极连接全控型功率开关管T2cp的发射级,所述全控型功率开关管T2cp的集电极连接所述单相交流电源的负极,所述全控型功率开关管T2p带有体二极管D2p,所述全控型功率开关管T2cp带有体二极管D2cp,所述全控型功率开关管T1p的集电极连接二极管D1p的负极,所述二极管D1p的正极连接全控型功率开关管T1cp的集电极,所述二极管D1cp的正极连接所述全控型功率开关管T1cp的发射极,所述全控型功率开关管T1p与所述二极管D1cp之间引出输出端口连接分离电感L3,所述全控型功率开关管T1cp和所述二极管D1p之间引出输出端口连接分离电感L4,所述分离电感L3和所述分离电感L4的另一端连接后形成输出端口B连接所述LC低通滤波器,所述输出端口B的负极直接由所述单相交流电源负极经全控型功率开关管T2cp的集电极引出。

5.如权利要求4所述的一种双极性dual-buck型直接式AC-AC变换器拓扑结构,其特征在于,所述全控型功率开关管T2p的集电极与所述二极管D1p的正极之间连接箍位电容C2。

6.如权利要求1所述的一种双极性dual-buck型直接式AC-AC变换器拓扑结构,其特征在于,所述LC低通滤波器包括输出滤波电容Cf,所述输出滤波电容Cf的两端分别连接一个输出滤波电感Lf构成两个输入端和一个输出端,两个所述输入端分别所述正极性桥臂的输出端口A和所述负极性桥臂的输出端口B连接,所述输出端连接负载。

7.一种如权利要求1-6任一项所述的双极性dual-buck型直接式AC-AC变换器拓扑结构的调制方法,其特征在于,具体过程如下:

定义所述单相交流电源的输入电压为Uin;正极性桥臂占空比为d1;负极性桥臂调制比为d2;Uc为频率15kHz,峰值0到1的三角载波;所述单相交流电源的输入电压Uin与0电位比较产生50Hz的方波信号,调制波与三角载波比较产生另一个方波信号,两个方波信号做逻辑运算产生驱动对应所述功率变换单元中每个开关管的PWM驱动信号,当驱动信号为高电平时,对应的开关管开通,当驱动信号为0电平时,对应的开关管关断;

所述信号控制单元根据需要的输出电压对所述dual-buck型功率变换单元中的每个全控型功率开关管进行PWM调制,当输入交流正半波时,正极性桥臂的全控型功率开关管T2、全控型功率开关管T2c常开,全控型功率开关管T1、全控型功率开关管T1c交替通断;当输入交流负半波时,负极性桥臂的全控型功率开关管T2p、全控型功率开关管T2cp常开,全控型功率开关管T1p、全控型功率开关管T1cp交替通断;进行PWM调制信号的给予,两臂输出叠加得到所需要的交流电压;

通过调节正极性桥臂和负极性桥臂的占空比,决定输出电压的极性。

8.如权利要求7所述的一种双极性dual-buck型直接式AC-AC变换器拓扑结构的调制方法,其特征在于,当期望输出电压为正极性电压时,令d1>d2;当期望输出电压为负极性电压时,令d1