欢迎来到知嘟嘟! 联系电话:13336804447 卖家免费入驻,海量在线求购! 卖家免费入驻,海量在线求购!
知嘟嘟
我要发布
联系电话:13336804447
知嘟嘟经纪人
收藏
专利号: 202110028126X
申请人: 西南交通大学
专利类型:发明专利
专利状态:已下证
专利领域: 发电、变电或配电
更新日期:2024-01-05
缴费截止日期: 暂无
价格&联系人
年费信息
委托购买

摘要:

权利要求书:

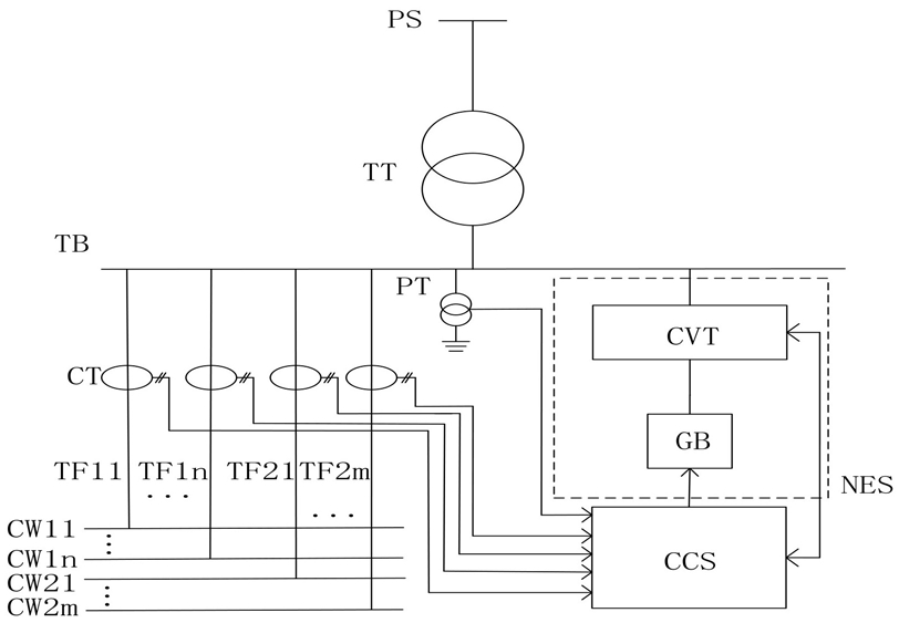
1.一种同相牵引供电发电系统,包括牵引变压器TT、牵引母线TB和馈线TF,牵引变压器TT的次边与牵引母线TB连接,其特征在于:所述牵引母线TB上设有电压互感器PT,新能源发电装置NES的交流输出端与牵引母线TB连接,所述馈线TF分为n条上行馈线TF11,TF12,…,TF1n和m条下行馈线TF21,TF22,…,TF2m,每条上行馈线和每条下行馈线上均设有电流互感器CT,n≥2,m≥2,其中:n条上行馈线TF11,TF12,…,TF1n的首端均与所述牵引母线TB连接,n条上行馈线TF11,TF12,…,TF1n的尾端对应连接n条上行接触网CW11,CW12,…,CW1n;m条下行馈线TF21,TF22,…,TF2m的首端均与牵引母线TB连接, m条下行馈线TF21,TF22,…,TF2m的尾端对应连接m条下行接触网CW21,CW22,…,CW2m;延长n条上行接触网CW11,CW12,…,CW1n和m条下行接触网CW11,CW12,…,CW1n的长度,使各馈线牵引功率之和≥各馈线再生功率之和;所述电压互感器PT的测量端和电流互感器CT的测量端均与协调控制器CCS输入端连接,所述协调控制器CCS输出端与所述新能源发电装置NES的控制端连接。

2.根据权利要求1所述的一种同相牵引供电发电系统,其特征在于:所述新能源发电装置NES包括新能源发电单元GB和变流器CVT,变流器CVT的交流端作为新能源发电装置NES的交流输出端与牵引母线TB连接,变流器CVT的直流端与新能源发电单元GB的直流输出端连接。

3.根据权利要求2所述的一种同相牵引供电发电系统,其特征在于:所述新能源发电单元GB为风能发电单元、光伏发电单元、氢能发电单元和生物化学能发电单元中的一种或几种。

4.根据权利要求2所述的一种同相牵引供电发电系统,其特征在于:所述新能源发电单元GB与储能单元PB并联,储能单元PB的直流端与变流器CVT的直流端连接,所述储能单元PB为电化学储能、物理储能和电磁储能中的一种或几种。

5.一种基于权利要求2 4任意一项所述同相牵引供电发电系统的控制方法,其特征在~

于:包括:

协调控制器CCS获取电压互感器PT测得的电压信息和每个电流互感器CT测得的电流信息;

根据获得的电压信息和电流信息,分别计算得到n条上行馈线TF11,TF12,…,TF1n的有功功率P11,P12,…,P1n和m条下行馈线TF21,TF22,…,TF2m的有功功率P21,P22,…,P2m,其中,有功功率流向接触网为牵引功率,记为正,有功功率流向牵引母线为再生功率,记为负;

对n条上行馈线TF11,TF12,…,TF1n的有功功率P11,P12,…,P1n求和得到上行馈线有功功率P1;对m条下行馈线TF21,TF22,…,TF2m的有功功率P21,P22,…,P2m求和得到下行馈线有功功率P2;对上行馈线有功功率P1和下行馈线有功功率P2求和得到馈线总有功功率P;

根据所述馈线总有功功率P控制新能源发电装置NES发出的有功功率P3需达到预设条件。

6.根据权利要求5所述的控制方法,其特征在于,所述根据所述馈线总有功功率P控制新能源发电装置NES发出的有功功率P3需达到预设条件包括:判断馈线总有功功率P是否为牵引功率,若为否,新能源发电装置NES发出的有功功率P3=0;若为是,就判断馈线总有功功率P是否大于新能源发电装置NES能够发出的最大有功功率Ps,如果是,控制新能源发电装置NES发出的有功功率P3=Ps;否则,控制新能源发电装置NES发出的有功功率P3=P;延长n条上行接触网CW11,CW12,…,CW1n和m条下行接触网CW21,CW22,…,CW2m的长度,使各馈线牵引功率之和≥各馈线再生功率之和。