欢迎来到知嘟嘟! 联系电话:13336804447 卖家免费入驻,海量在线求购! 卖家免费入驻,海量在线求购!
知嘟嘟
我要发布
联系电话:13336804447
知嘟嘟经纪人
收藏
专利号: 2016108594647
申请人: 西南交通大学
专利类型:发明专利
专利状态:已下证
专利领域: 一般车辆
更新日期:2024-01-05
缴费截止日期: 暂无
价格&联系人
年费信息
委托购买

摘要:

权利要求书:

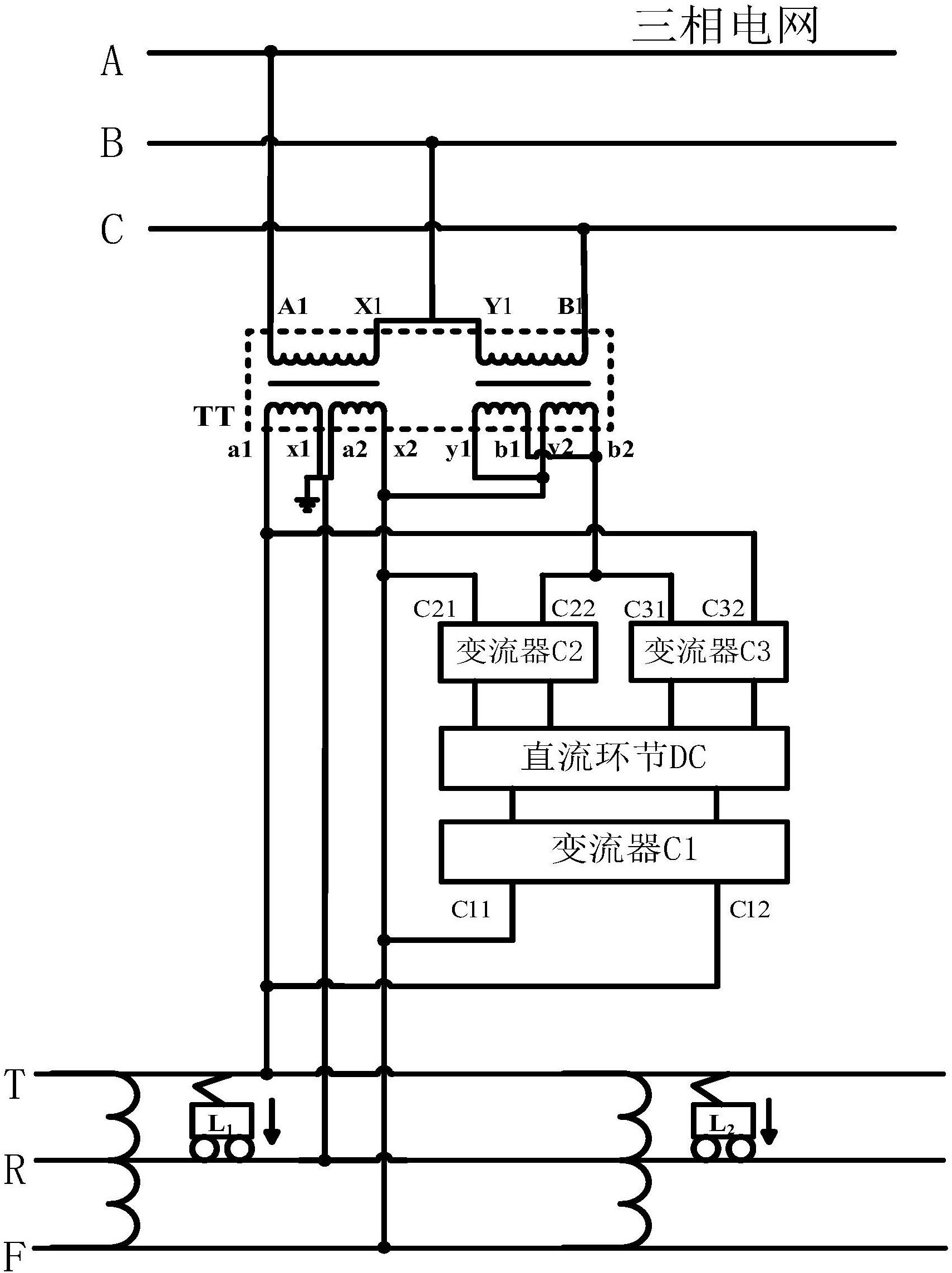
1.一种基于Vx牵引变压器的同相供电系统,其特征在于,包括Vx牵引变压器TT和同相补偿装置;Vx牵引变压器TT的高压侧包括原绕组AX和原绕组BY,原绕组AX的端子A1连接到三相电网的A相,原绕组AX的端子X1与原绕组BY的端子Y1相连后连接到B相,原绕组BY的端子B1连接到C相;Vx牵引变压器TT的低压侧包括与原绕组AX耦合的副绕组ax1和副绕组ax2,以及与原绕组BY耦合的副绕组by1和副绕组by2;副绕组ax1的端子a1连接AT供电系统中的接触网T,副绕组ax1的端子x1与副绕组ax2的端子a2相连后连接到钢轨R,副绕组ax2的端子x2连接到AT供电系统中的负馈线F,同时还链接到副绕组by1的端子y1与副绕组by2的端子y2;同相补偿装置包括直流侧共用同一直流环节DC的变流器C1、变流器C2、变流器C3;变流器C1的交流侧端子C11和变流器C2的交流侧端子C21同时连接到副绕组ax2的端子x2,变流器C1的交流侧端子C12和变流器C3的交流侧端子C32同时连接到副绕组ax1的端子a1;变流器C2的交流侧端子C22和变流器C3的交流侧端子C31同时连接到副绕组by2的端子b2。

2.根据权利要求1所述的基于Vx牵引变压器的同相供电系统,其特征在于,所述变流器C1交流侧工作电压为55kV,变流器C3交流侧工作电压是变流器C2交流侧工作电压的1.73倍,变流器C2和变流器C3交流侧电压向量垂直。