欢迎来到知嘟嘟! 联系电话:13336804447 卖家免费入驻,海量在线求购! 卖家免费入驻,海量在线求购!
知嘟嘟
我要发布
联系电话:13336804447
知嘟嘟经纪人
收藏
专利号: 2020217413977
申请人: 济南龙昌自动化有限公司
专利类型:实用新型
专利状态:已下证
专利领域: 信号装置
更新日期:2025-03-24
缴费截止日期: 暂无
价格&联系人
年费信息
委托购买

摘要:

权利要求书:

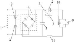
1.一种无线式高压带电闪光报警装置,其特征在于,包括:带电检测装置及远程信号接收报警装置;

带电检测装置包括电压保护模块(1),其与高压带电设备相连;

整流电路(4),其两个输入端与电压保护模块(1)的两端相并联;

电容(5),其与整流电路(4)的两个输出端相并联;

单向可控硅(7),其阳极连接于电容(5)的一端,其阴极连接于无线信号发射模块(9),无线信号发射模块(9)的另一端与电容(5)的另一端相连,单向可控硅(7)的控制极连接于稳压二极管Ⅲ(8)的正极,稳压二极管Ⅲ(8)的负极与单向可控硅(7)的阳极相连;

无线信号接收模块(14),其一端连接于直流电源(12)的负极,其另一端连接于发光二极管Ⅱ(15)的负极,发光二极管Ⅱ(15)的正极连接于直流电源(12)的正极。

2.根据权利要求1所述的无线式高压带电闪光报警装置,其特征在于:所述电压保护模块(1)由稳压二极管Ⅰ(2)及稳压二极管Ⅱ(3),稳压二极管Ⅰ(2)的负极与稳压二极管Ⅱ(3)的负极相串联。

3.根据权利要求1所述的无线式高压带电闪光报警装置,其特征在于:所述整流电路(4)为桥式整流电路。

4.根据权利要求1所述的无线式高压带电闪光报警装置,其特征在于:还包括电阻Ⅰ(6),稳压二极管Ⅲ(8)的负极经电阻Ⅰ(6)连接于单向可控硅(7)的阳极。

5.根据权利要求1所述的无线式高压带电闪光报警装置,其特征在于:还包括电阻Ⅱ(11),所述无线信号发射模块(9)通过电阻Ⅱ(11)与电容(5)相连。

6.根据权利要求1所述的无线式高压带电闪光报警装置,其特征在于:还包括发光二极管Ⅰ(10),其与无线信号发射模块(9)相并联连接。

7.根据权利要求1所述的无线式高压带电闪光报警装置,其特征在于:还包括电阻Ⅲ(13),其一端连接于直流电源(12)的正极,其另一端连接于发光二极管Ⅱ(15)的正极。