欢迎来到知嘟嘟! 联系电话:13336804447 卖家免费入驻,海量在线求购! 卖家免费入驻,海量在线求购!
知嘟嘟
我要发布
联系电话:13336804447
知嘟嘟经纪人
收藏
专利号: 2020108207744
申请人: 中国地质大学(武汉)
专利类型:发明专利
专利状态:已下证
专利领域: 电通信技术
更新日期:2024-01-05
缴费截止日期: 暂无
价格&联系人
年费信息
委托购买

摘要:

权利要求书:

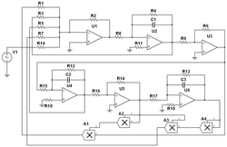
1.一种基于磁控忆阻器的混沌电路,其特征在于:该混沌电路包括运算放大器U1、运算放大器U2、运算放大器U3、运算放大器U4、运算放大器U5、运算放大器U6、电容C1、电容C2、电容C3、乘法器A1、乘法器A2、乘法器A3、乘法器A4、外围电阻以及正弦信号源;

其中,电阻R1的一端与运算放大器U1的反相输入端相连,电阻R1的另一端与乘法器A1的输出端相连;电阻R3的一端与运算放大器U1的反相输入端相连,电阻R3的另一端与运算放大器U2的输出端相连;电阻R5的一端与运算放大器U1的反相输入端相连,电阻R5的另一端与与运算放大器U4的输出端相连;电阻R7的一端与运算放大器U1的反向输入端相连,电阻R7的另一端与乘法器A3的输出端口相连;电阻R10的一端与运算放大器U1的反相输入端相连,电阻R10的另一端与正弦信号源的正极相连;电阻R2的一端与运算放大器U1的反相输入端相连,电阻R2的另一端与运算放大器U1的输出端相连;运算放大器U1的正相输入端接地,运算放大器U1的输出端通过电阻R8与运算放大器U2的反相输入端相连;

电阻R4与电容C1并联形成第一并联网络,所述第一并联网络的一端与运算放大器U2的反相输入端相连,所述第一并联网络的另一端与运算放大器U2的输出端相连;运算放大器U2的正相输入端通过电阻R11接地,运算放大器U2的输出端通过电阻R9与运算放大器U3的反相输入端相连;电阻R6的一端与运算放大器U3的反相输入端相连,电阻R6的另一端与运算放大器U3的输出端相连;运算放大器U3的正相输入端接地,运算放大器U3的输出端通过电阻R15与运算放大器U4的反相输入端相连;

电阻R12与电容C2并联形成第二并联网络,所述第二并联网络的一端与运算放大器U4的反相输入端相连,所述第二并联网络的另一端与运算放大器U4的输出端相连;运算放大器U4的正相输入端通过电阻R18接地,运算放大器U4的输出端通过电阻R16与运算放大器U5的反相输入端相连;

电阻R14的一端与运算放大器U5的反相输入端相连,电阻R14的另一端与运算放大器U5的输出端相连;运算放大器U5的正相输入端接地,运算放大器U5的输出端通过电阻R17与运算放大器U6的反相输入端相连;电阻R13与电容C3组成第三并联网络,所述第三并联网络的一端与运算放大器U6的反相输入端相连,所述第三并联网络的另一端与运算放大器U6的输出端相连;运算放大器U6的正相输入端通过电阻R19接地,运算放大器U6的输出端与乘法器A4的Y端口相连;

乘法器A2的Y端口与运算放大器U5的输出端相连,乘法器A2的X端口与运算放大器U5的输出端相连,乘法器A2的输出端口与乘法器A1的Y端口相连;乘法器A1的X端口与运算放大器U3的输出端相连;乘法器A4的X端口与运算放大器U6的输出端相连,乘法器A4的输出端口与乘法器A3的X端口相连;乘法器A3的Y端口与运算放大器U5的输出端相连。

2.如权利要求1所述的一种基于磁控忆阻器的混沌电路,其特征在于:所述混沌电路的工作原理为:

输入正弦信号V1,经过求和电路后,得到第一输出信号;所述第一输出信号经过第一积分电路进行积分后,得到第二输出信号;所述第二输出信号经过第一反向电路进行反向后,得到第三输出信号;所述第三输出信号经过第二积分电路进行积分后,得到第四输出信号;

所述第四输出信号经过第二反向电路进行反向后,得到第五输出信号;所述第五输出信号经过第三积分电路进行积分后,得到所述第六输出信号;其中,所述求和电路包括电阻R1、电阻R3、电阻R5、电阻R7、电阻R10、电阻R2和运算放大器U1;所述第一积分电路包括电阻R8、电阻R11、电阻R4、电容C1和运算放大器U2;所述第一反向电路包括电阻R9、电阻R6和运算放大器U3;所述第二积分电路包括电阻R15、电阻R18、电阻R12、电容C2和运算放大器U4;所述第二反向电路包括电阻R16、电阻R14和运算放大器U5;所述第三积分电路包括电阻R17、电阻R19、电阻R13、电容C3和运算放大器U6;

所述第六输出信号经过乘法器A4进行倍乘后,得到第七输出信号;所述第七输出信号经过乘法器A3与所述第五输出信号进行相乘,得到第八输出信号;所述第五输出信号经过乘法器A2进行倍乘后,得到第九输出信号;所述第九输出信号经过乘法器A1与所述第三输出信号进行相乘,得到第十输出信号;所述第二输出信号、所述第四输出信号、所述第八输出信号和所述第十输出信号经过所述求和电路与所述正弦信号V1进行反向相加;

其中,所述正弦信号V1经过所述求和电路与未输入正弦信号V1时由乘法器A1、乘法器A3、运算放大器U2和运算放大器U4分别输出的信号进行反向相加,得到所述第一输出信号。

3.如权利要求1所述的一种基于磁控忆阻器的混沌电路,其特征在于:所述磁控忆阻器包括所述第三积分电路、所述乘法器A3和所述乘法器A4。

4.如权利要求1所述的一种基于磁控忆阻器的混沌电路,其特征在于:磁控忆阻器的数学模型表示为如公式(1):

其中,q表示电荷量, 表示磁通量,的值等于磁控忆阻器两端的电压对时间t的积分,a和b为磁控忆阻器模型中的两个系数;

Duffing混沌振子数学模型表示为如公式(2):

其中,x表示电压,k表示阻尼比,γ表示正弦信号V1的幅值,ω表示正弦信号V1的角频率;

利用磁控忆阻器的忆导值 和磁通量 之间的关系式来代替Duffing混沌振子数学模型中的立方非线性项,得到如下微分方程如公式(3):其中,x1表示运算放大器U6的输出端电压,x2示运算放大器U4的输出端电压,x3示运算放大器U2的输出端电压, 由 决定,即Van der pol混沌振子数学模型表示为如公式(4):

其中,δ表示非线性阻尼系数;

将上述微分方程与Van der pol混沌振子数学模型相结合,并增加一个二次非线性阻尼项,得到一种忆阻混沌振子,其状态方程表示为如公式(5):公式(5)表示为如下微分方程如公式(6):